GM Service Manual Online
For 1990-2009 cars only
Makes
🢒
Pontiac
🢒
2002
🢒
Firebird
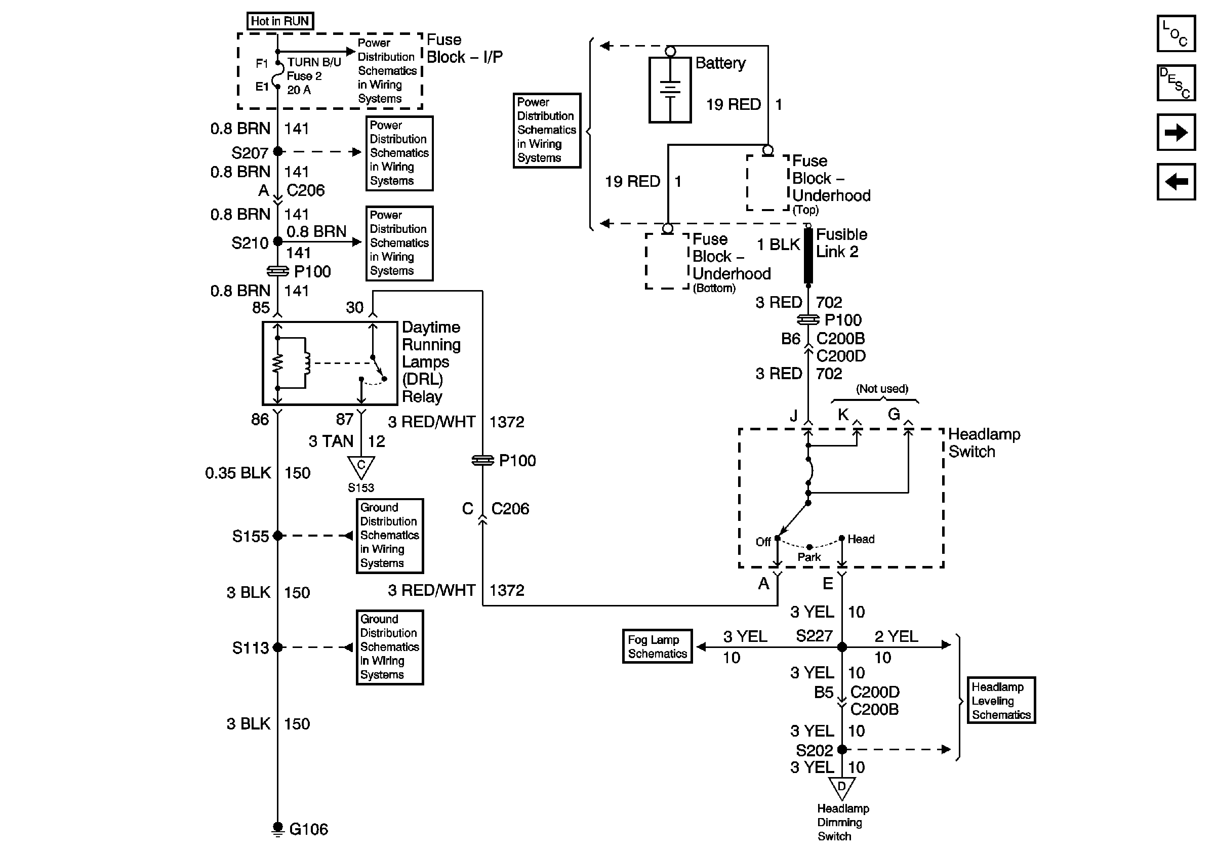
🢒 Power,Ground and Headlight Switch Control Chevrolet Scandanavia
Power,Ground and Headlight Switch Control Chevrolet Scandanavia
Power,Ground and Headlight Switch Control - Chevrolet - Scandanavia
Master Electrical Component List
Exterior Lighting Systems Description and Operation
Headlights Chevrolet Scandinavia
Headlights Chevrolet Domestic and Gulf
HVAC and TURN B/U Fuses
HVAC and TURN B/U Fuses
HVAC and TURN B/U Fuses
Headlights Chevrolet Scandinavia
G106
G106
Battery Positive Voltage Bussing
Rear Fog Lights Chevrolet Europe
Headlight Leveling Schematic
Headlights Chevrolet Scandinavia