GM Service Manual Online
For 1990-2009 cars only
Makes
🢒
Pontiac
🢒
2002
🢒
Firebird
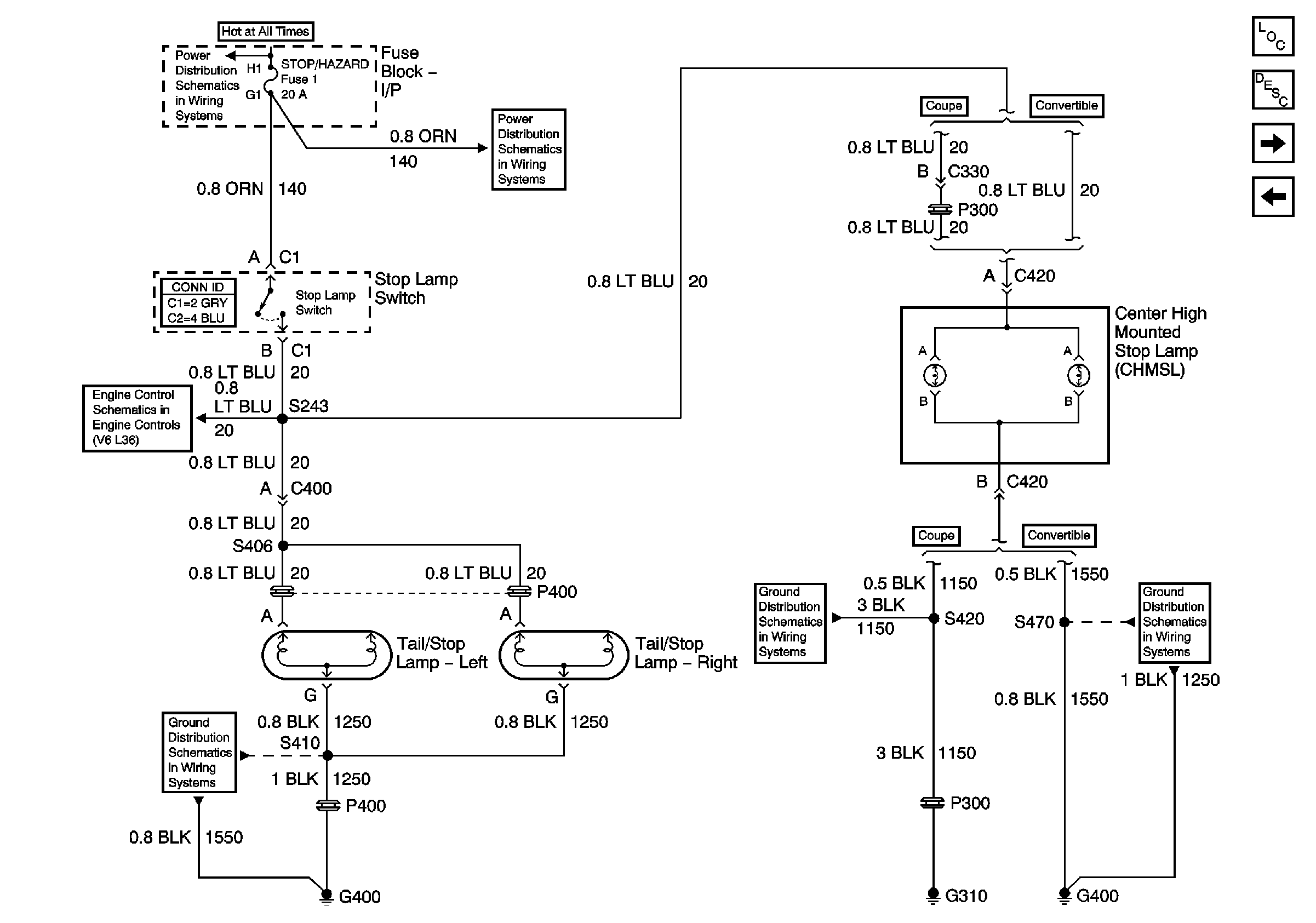
🢒 Stoplamps Chevrolet Japan
Stoplamps Chevrolet Japan
Stoplamps - Chevrolet - Japan
Master Electrical Component List
Exterior Lighting Systems Description and Operation
Backup Lamps
Turn Signal Lamps Chevrolet Japan
I/P-2,TAIL LPS, STOP/HAZARD,PWR ACCY and CIG/ACCY Fuses
I/P-2,TAIL LPS, STOP/HAZARD,PWR ACCY and CIG/ACCY Fuses
Engine Data Sensors-Electronic Throttle Controls
G400 Chevrolet
G305, G310, G320
G400 Coupe and Convertible