GM Service Manual Online
For 1990-2009 cars only
Makes
🢒
Pontiac
🢒
2002
🢒
Firebird
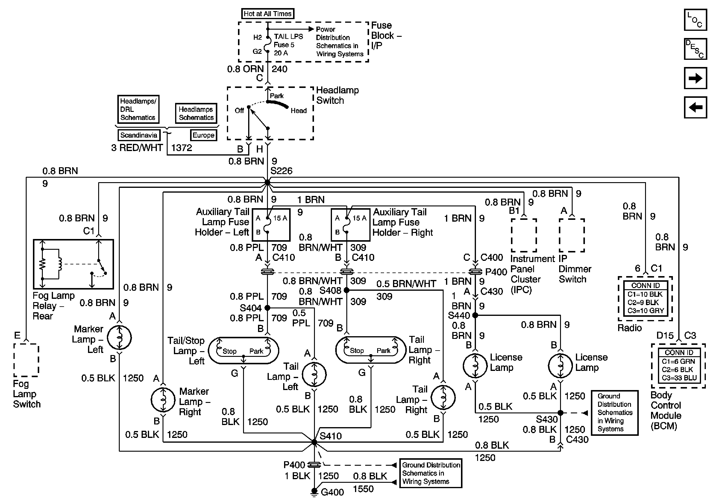
🢒 Parklamps Chevrolet Europe and Scandanavia
Parklamps Chevrolet Europe and Scandanavia
Parklamps - Chevrolet - Europe and Scandanavia
Master Electrical Component List
Exterior Lighting Systems Description and Operation
Turn Signal Control Chevrolet Europe and Scandinavia
Stoplamps Pontiac
I/P-2,TAIL LPS, STOP/HAZARD,PWR ACCY and CIG/ACCY Fuses
Power,Ground and Headlight Switch Control Chevrolet Scandanavia
Chevrolet (Europe)
G400 Chevrolet
G400 Chevrolet