GM Service Manual Online
For 1990-2009 cars only
Makes
🢒
Pontiac
🢒
2004
🢒
GTO
🢒
Accessories
🢒
Power Outlets
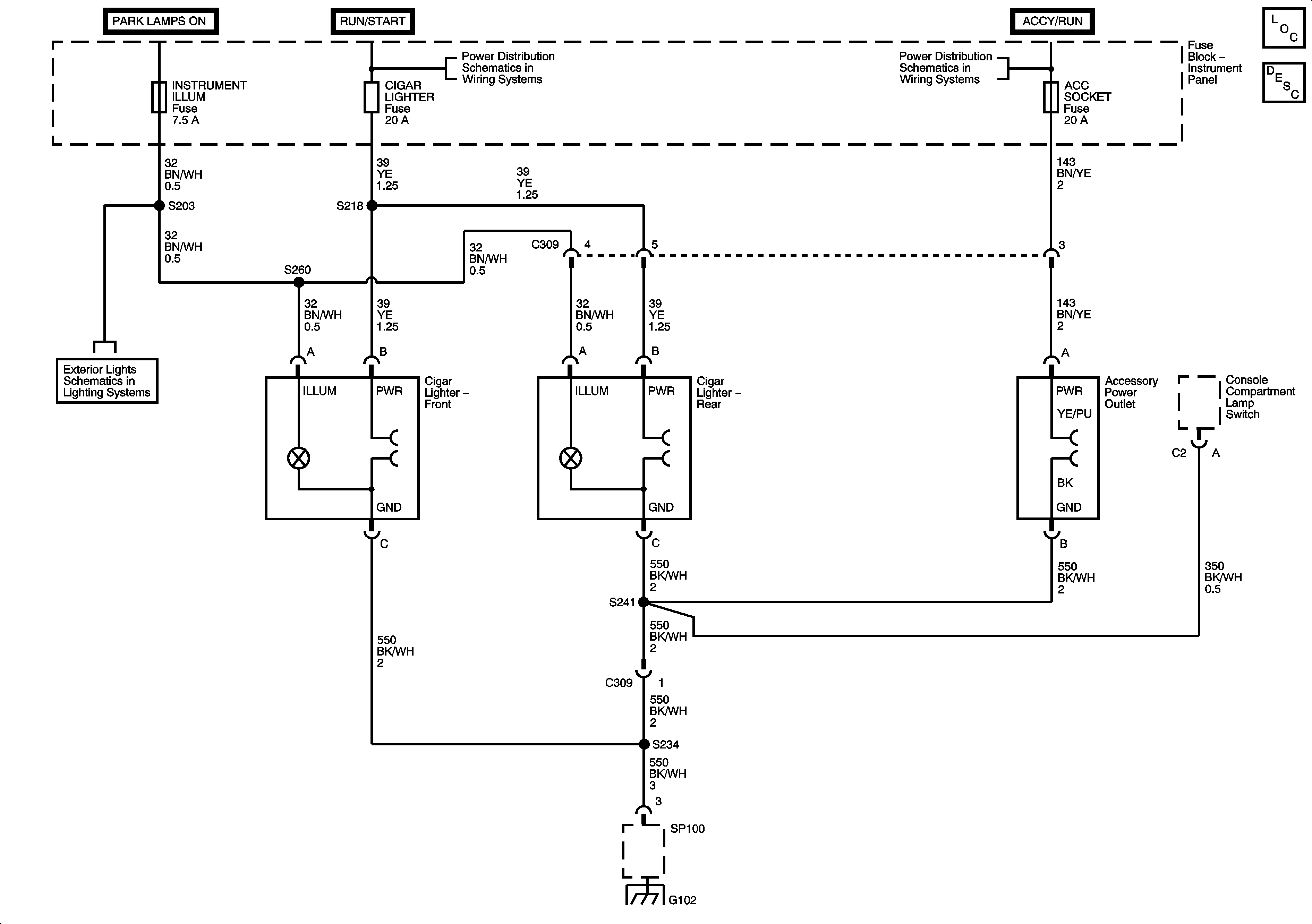
🢒 Cigar Lighter/Power Outlet Schematics
Master Electrical Component List
Headlamp Switch, Hazard Switch and Flasher
Ignition Control Relay, ABS, Throttle Relaxer, SRS, Cigar Lighter, Cruise Fuses
Accessory Control relay, Radio/Phone, ACC Socket, Front Washer/Wiper Fuses