GM Service Manual Online
For 1990-2009 cars only
Makes
🢒
Pontiac
🢒
2005
🢒
GTO
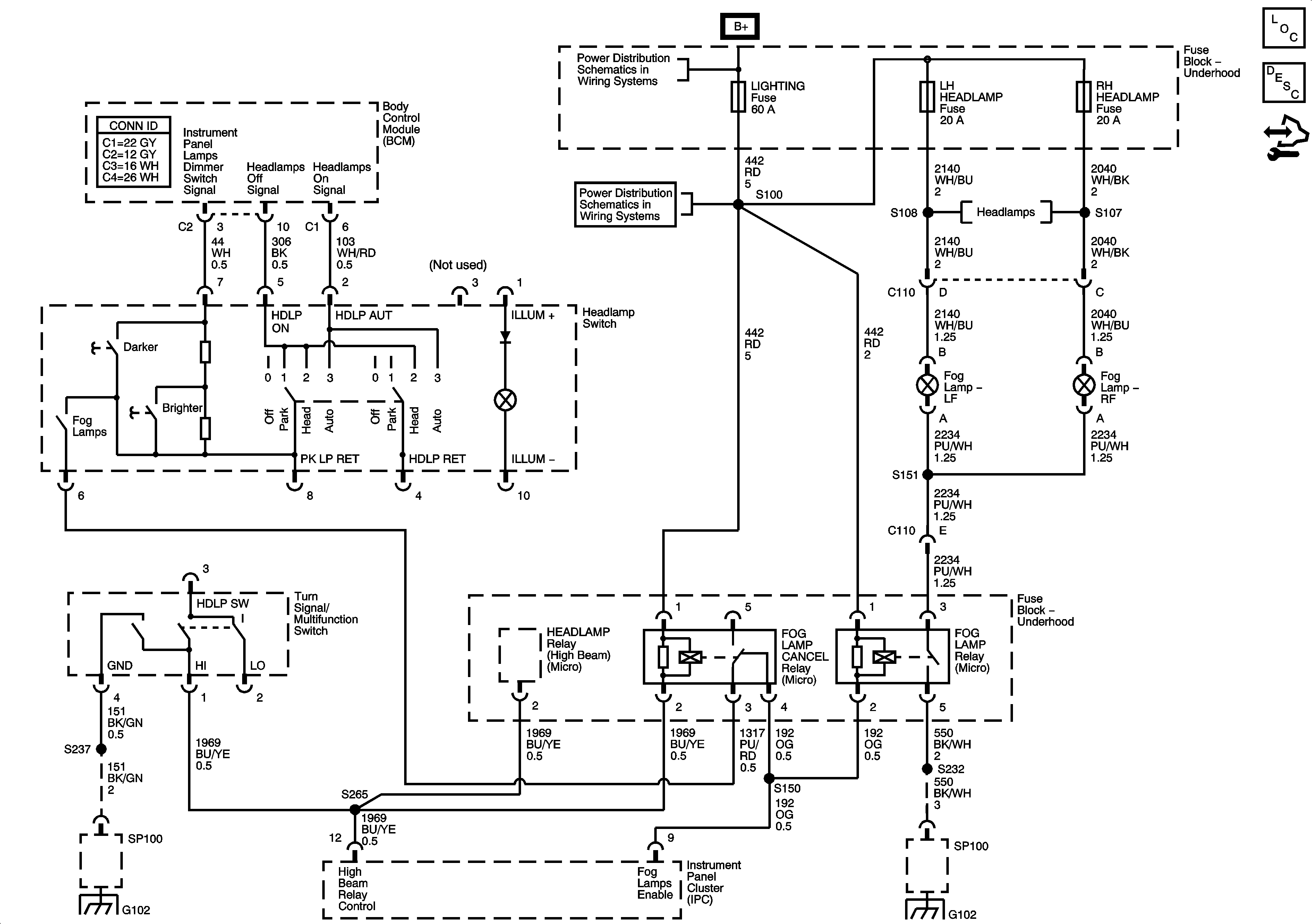
🢒 Fog Lights
Fog Lights
Master Electrical Component List
Exterior Lighting Systems Description and Operation
Control Module References
Battery, RAD FAN LARGE, LIGHTING, and ABS Fuses
Battery, RAD FAN LARGE, LIGHTING, and ABS Fuses
SP100 and G102 4 of 5
Headlights/DRL
SP100 and G102 3 of 5