GM Service Manual Online
For 1990-2009 cars only
Makes
🢒
Pontiac
🢒
2005
🢒
GTO
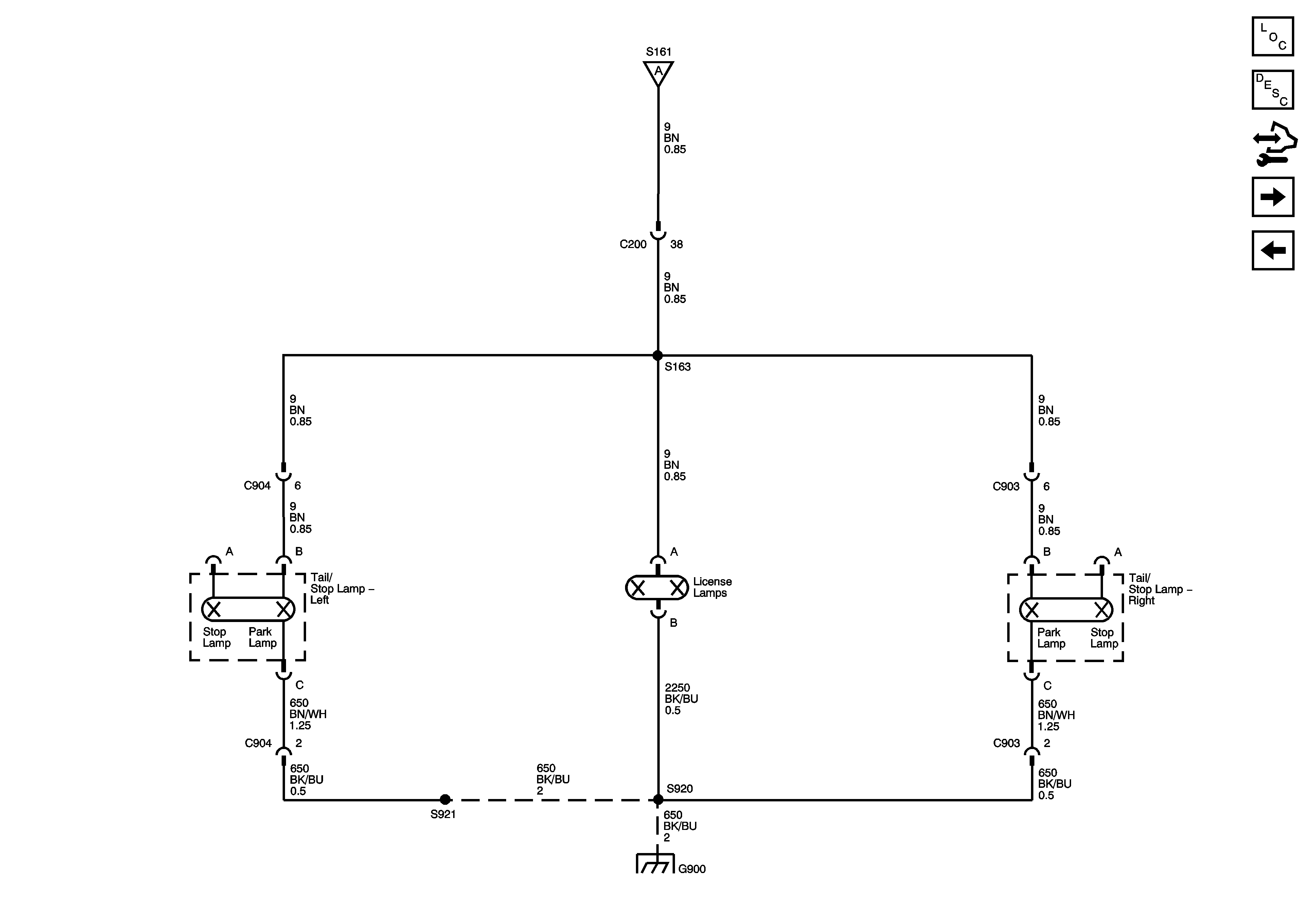
🢒 Rear Marker Lamps
Rear Marker Lamps
Rear Marker Lamps
Master Electrical Component List
Exterior Lighting Systems Description and Operation
Control Module References
Headlamp Switch, Hazard Switch and Flasher
Front Marker Lamps
G900 and G901