GM Service Manual Online
For 1990-2009 cars only
Makes
🢒
Pontiac
🢒
2005
🢒
GTO
🢒 Headlamp Switch, Hazard Switch and Flasher
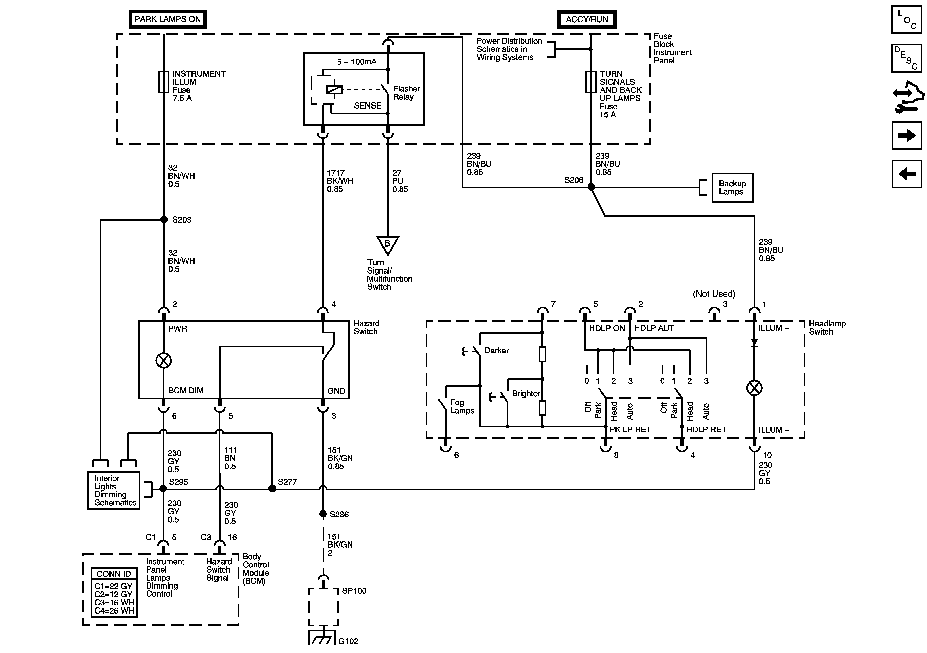
Headlamp Switch, Hazard Switch and Flasher
Headlamp Switch, Hazard Switch and Flasher
Master Electrical Component List
Exterior Lighting Systems Description and Operation
Control Module References
Turn Signal Switch and Lamps
Rear Marker Lamps
Interior Dimming Lights
TURN SIGNALS and BACKUP LAMPS, HEATED REAR WINDOW, HVAC, and INSTRUMENT Fuses
Backup Lamps
SP100 and G102 4 of 5