GM Service Manual Online
For 1990-2009 cars only
Makes
🢒
Pontiac
🢒
2005
🢒
GTO
🢒 Body Rear End
Body Rear End
Master Electrical Component List
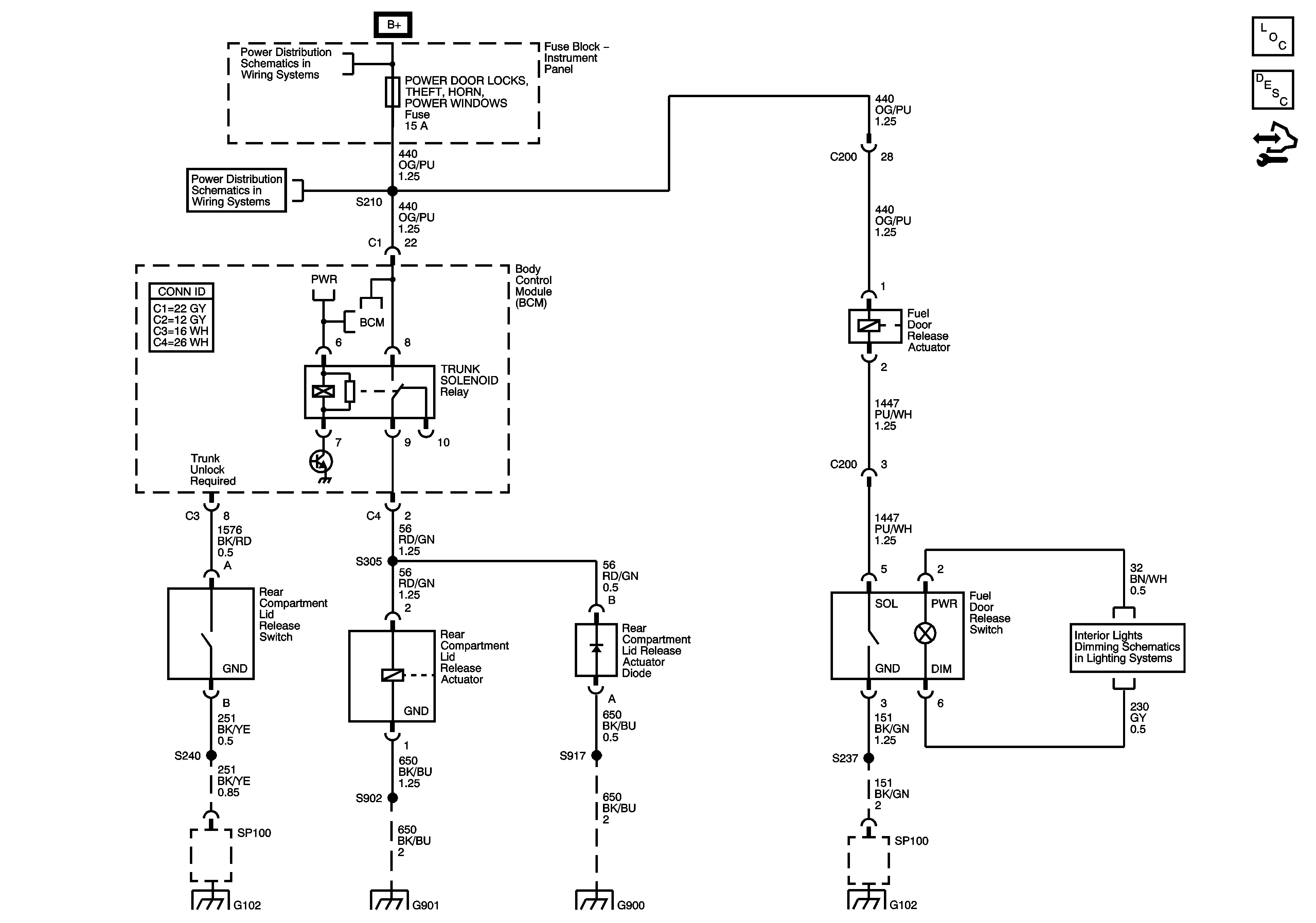
Luggage Compartment Description and Operation
Control Module References
MAIN, BLOWER FAN, RAD FAN SMALL, INSTRUMENTS, POWER DOOR LOCKS, THEFT, HORN and POWER WINDOW Fuses
MAIN, BLOWER FAN, RAD FAN SMALL, INSTRUMENTS, POWER DOOR LOCKS, THEFT, HORN and POWER WINDOW Fuses
SP100 and G102 2 of 5
G900 and G901
G900 and G901
SP100 and G102 4 of 5
Interior Dimming Lights