GM Service Manual Online
For 1990-2009 cars only

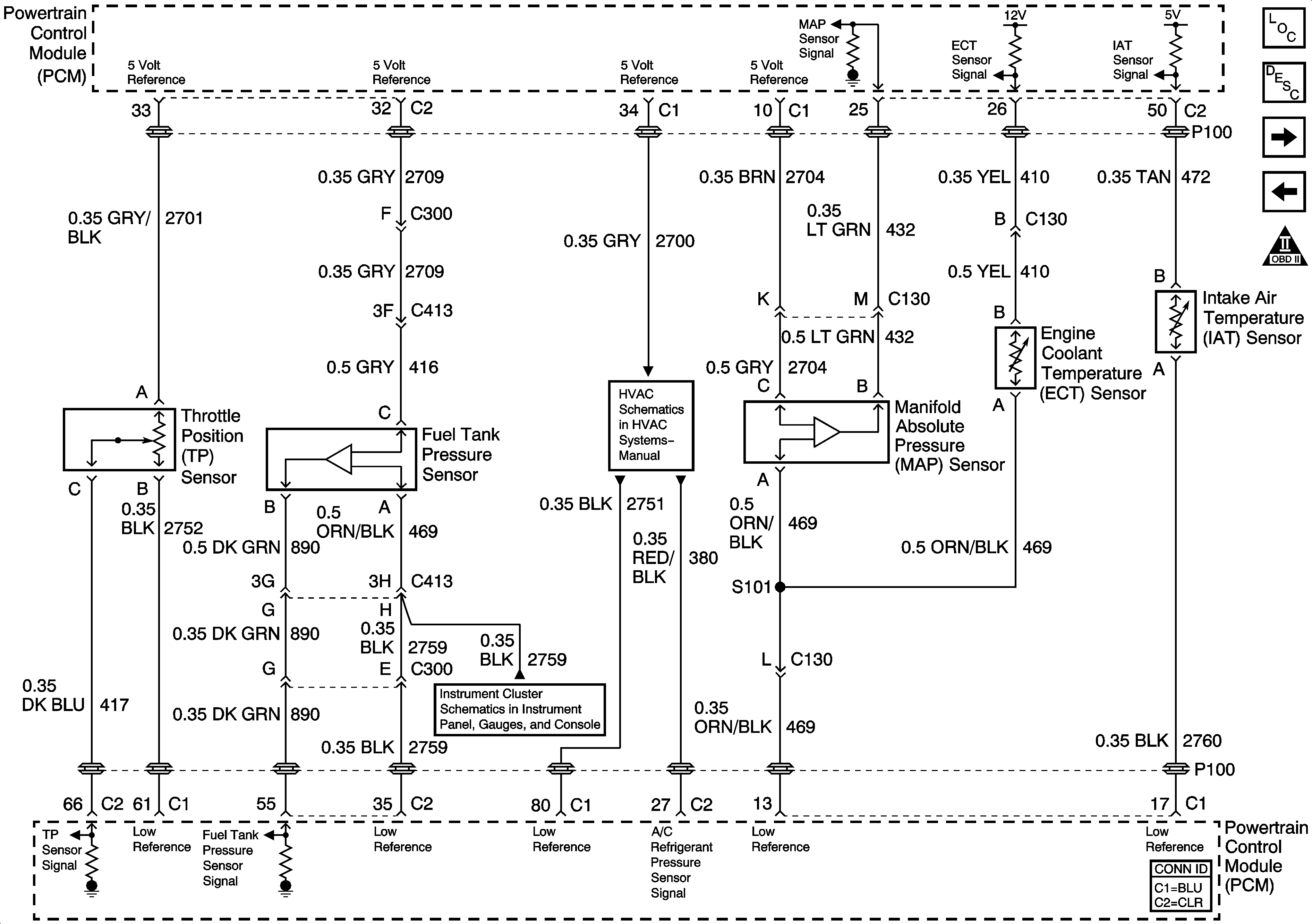
Circuit Description

The manifold absolute pressure (MAP) sensor responds to pressure changes in the intake manifold which gives an indication of the engine load. The MAP sensor has a 5-volt reference circuit, a low reference circuit, and a signal circuit. The powertrain control module (PCM) supplies 5 volts to the MAP sensor on the 5-volt reference circuit and provides a ground on the low reference circuit. The MAP sensor provides a signal to the PCM on the signal circuit which is relative to the pressure changes in the manifold. With low manifold absolute pressure such as during idle or deceleration, the PCM should detect a low signal voltage. With high manifold absolute pressure such as ignition ON, with the engine OFF or wide-open throttle, the PCM should detect a high signal voltage. Certain vehicle models will also use the MAP sensor in order to calculate the barometric pressure (BARO) when the ignition switch is turned ON, with the engine OFF. The BARO reading may also be updated whenever the engine is operated at wide-open throttle. The PCM monitors the MAP sensor signal for voltage outside of the normal range. If the PCM detects a MAP sensor signal voltage that is excessively high, DTC P0108 will set. IF the PCM detects a MAP sensor signal voltage that is excessively low, DTC P0107 will set.

Diagnostic Aids

Inspect for the following:

    • Restrictions in the MAP sensor vacuum source
    • MAP sensor seal missing or damaged
    • Vacuum hoses disconnected, damaged, or incorrectly routed
    • Intake manifold vacuum leaks
    • Vacuum leaks at the throttle body
    • Vacuum leaks at the exhaust gas recirculation (EGR) valve flange and pipes

Step

Action

Values

Yes

No

Schematic Reference:

Engine Data Sensors


Object Number: 667545  Size: FS
Master Electrical Component List
Powertrain Control Module Description
Power, Ground, MAF, EVAP, and EGR
Power, Ground and Fuel Injectors
OBD II Symbol Description Notice
Compressor Controls
Fault Indicators

1

Did you perform the Diagnostic System Check-Engine Controls?

--

Go to Step 2

Go to Diagnostic System Check - Engine Controls

2

Important: In order to determine the correct MAP sensor value of barometric pressure for any elevation, perform either of the following procedures:

   • Compare the MAP sensor value to the BARO value in a known good vehicle.
   • Obtain the local weather service barometer reading (in Hg). Multiply the reading by 3.4. The result indicates the correct BARO value in kPa for your area.

  1. Install a scan tool.
  2. Turn ON the ignition, with the engine OFF.
  3. Monitor the scan tool and record the MAP sensor kPa. The MAP sensor value should be within the specified value of BARO.

Is the MAP sensor value normal for the altitude?

3 kPa

Go to Step 3

Go to Step 7

3

  1. Observe the MAP sensor kPa display on the scan tool.
  2. Start the engine.

Does the MAP sensor value change?

--

Go to Step 4

Go to Step 7

4

  1. Turn OFF the ignition.
  2. Remove the MAP sensor from the engine vacuum source. Leave the MAP sensor connected to the engine harness.
  3. Connect a J 23738-A hand vacuum pump to the MAP sensor.
  4. Turn ON the ignition, with the engine OFF.
  5. Observe the MAP sensor kPa as you SLOWLY apply vacuum 1 inch Hg at a time. Each one inch of vacuum should result in a 3 to 4 kPa drop in the MAP sensor display.
  6. Observe the MAP sensor display for a skip or jump while increasing vacuum up to 20 inches Hg.

Did you observe a skip or jump?

--

Go to Step 13

Go to Step 5

5

Observe the MAP sensor kPa display with 20 inches Hg of vacuum applied to the sensor.

Is the kPa less than the value specified?

34 kPa

Go to Step 6

Go to Step 7

6

Disconnect the MAP sensor from the hand held vacuum pump. The MAP sensor display should return to the value specified in step 2.

Does the MAP sensor display return to the value recorded earlier?

--

System OK

Go to Step 13

7

  1. Turn OFF the ignition.
  2. Disconnect the MAP sensor from the engine harness.
  3. Turn ON the ignition, with the engine OFF.
  4. Observe the MAP sensor voltage display on the scan tool.

Is the voltage more than the value specified?

0.0 V

Go to Step 10

Go to Step 8

8

  1. Jumper the MAP sensor 5-volt reference circuit to the MAP sensor signal circuit using a fused jumper wire.
  2. Observe the MAP sensor voltage display on the scan tool.

Is the voltage within the value range specified?

4.7-5.2 V

Go to Step 9

Go to Step 11

9

  1. Remove the jumper.
  2. Probe the MAP sensor low reference circuit with a test lamp connected to battery positive voltage. Refer to Troubleshooting with a Test Lamp and Testing for Continuity in Wiring Systems.

Does the test lamp illuminate?

--

Go to Step 13

Go to Step 12

10

Test the signal circuit for a short to voltage. This short will have resistance as a complete short would have set a DTC. Refer to Circuit Testing and Wiring Repairs in Wiring Systems.

Did you find and correct the condition?

--

Go to Step 2

Go to Step 15

11

Test the 5-volt reference and the signal circuit for high resistance. Refer to Testing for Continuity , Measuring Voltage Drop and Wiring Repairs in Wiring Systems.

Did you find and correct the condition?

--

Go to Step 2

Go to Step 15

12

Test the MAP sensor low reference circuit for high resistance. Refer to Circuit Testing and Wiring Repairs in Wiring Systems.

Did you find and correct the condition?

--

Go to Step 2

Go to Step 15

13

Inspect the MAP sensor connector for poor connection or terminal contact. Refer to Testing for Intermittent Conditions and Poor Connections and Connector Repairs in Wiring Systems.

Did you find and correct the condition?

--

Go to Step 2

Go to Step 14

14

Replace the MAP sensor. Refer to Manifold Absolute Pressure Sensor Replacement .

Did you complete the replacement?

--

Go to Step 2

--

15

Inspect the PCM for poor connection or terminal contact. Refer to Testing for Intermittent Conditions and Poor Connections and Connector Repairs in Wiring Systems.

Did you find and correct the condition?

--

Go to Step 2

Go to Step 16

16

Replace the PCM. Refer to Powertrain Control Module Replacement .

Did you complete the replacement?

--

Go to Step 2

--