GM Service Manual Online
For 1990-2009 cars only
Makes
🢒
Pontiac
🢒
2002
🢒
Grand Prix
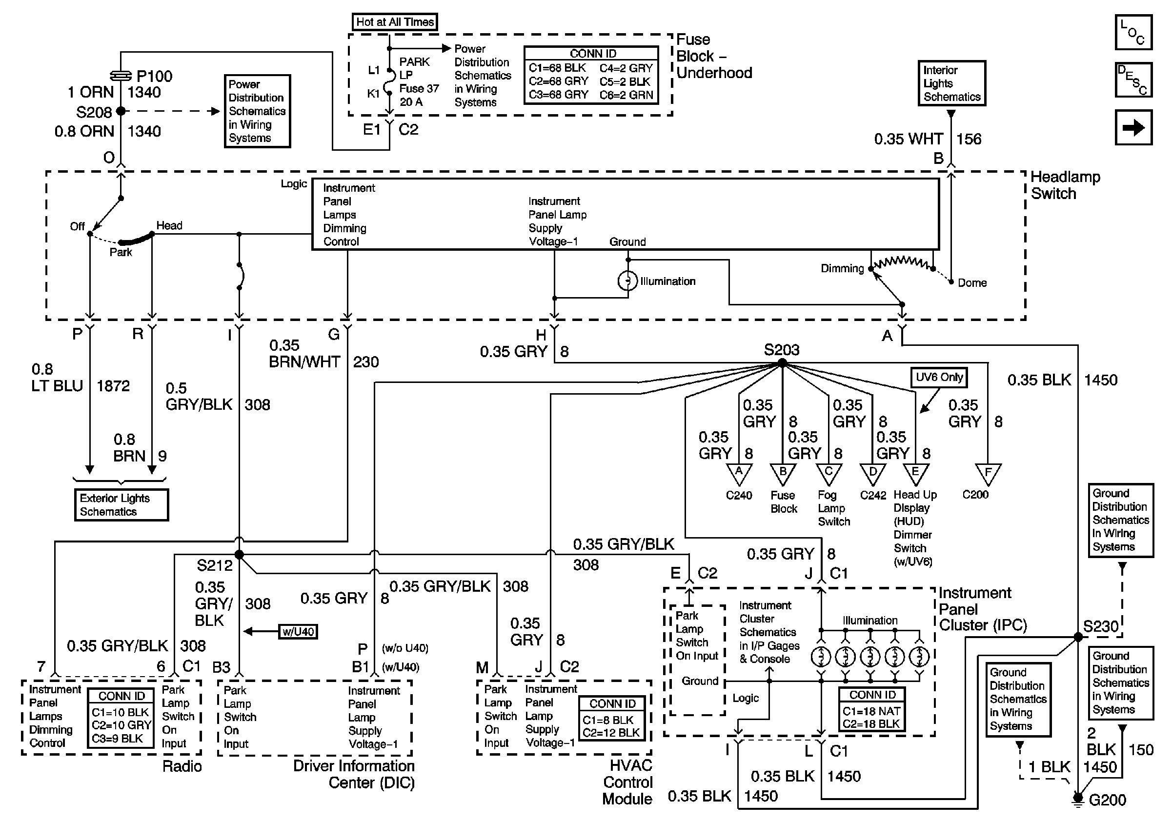
🢒 Headlamp Switch and Instrument Panel Lighting
Headlamp Switch and Instrument Panel Lighting
Headlamp Switch and Instrument Panel Lighting
Master Electrical Component List
Interior Lighting Systems Description and Operation
Instrument Panel Lighting Continued
PARK LP, RADIO, and STR WHL ILLUM Fuses
PARK LP, RADIO, and STR WHL ILLUM Fuses
Switches
Park Lamps Rear
Instrument Panel Lighting Continued
Instrument Panel Lighting Continued
Instrument Panel Lighting Continued
Instrument Panel Lighting Continued
Instrument Panel Lighting Continued
Door Switch Lighting
G200, S230
G200, S211, S285
G200, S213, S375