GM Service Manual Online
For 1990-2009 cars only
Makes
🢒
Pontiac
🢒
2002
🢒
Grand Prix
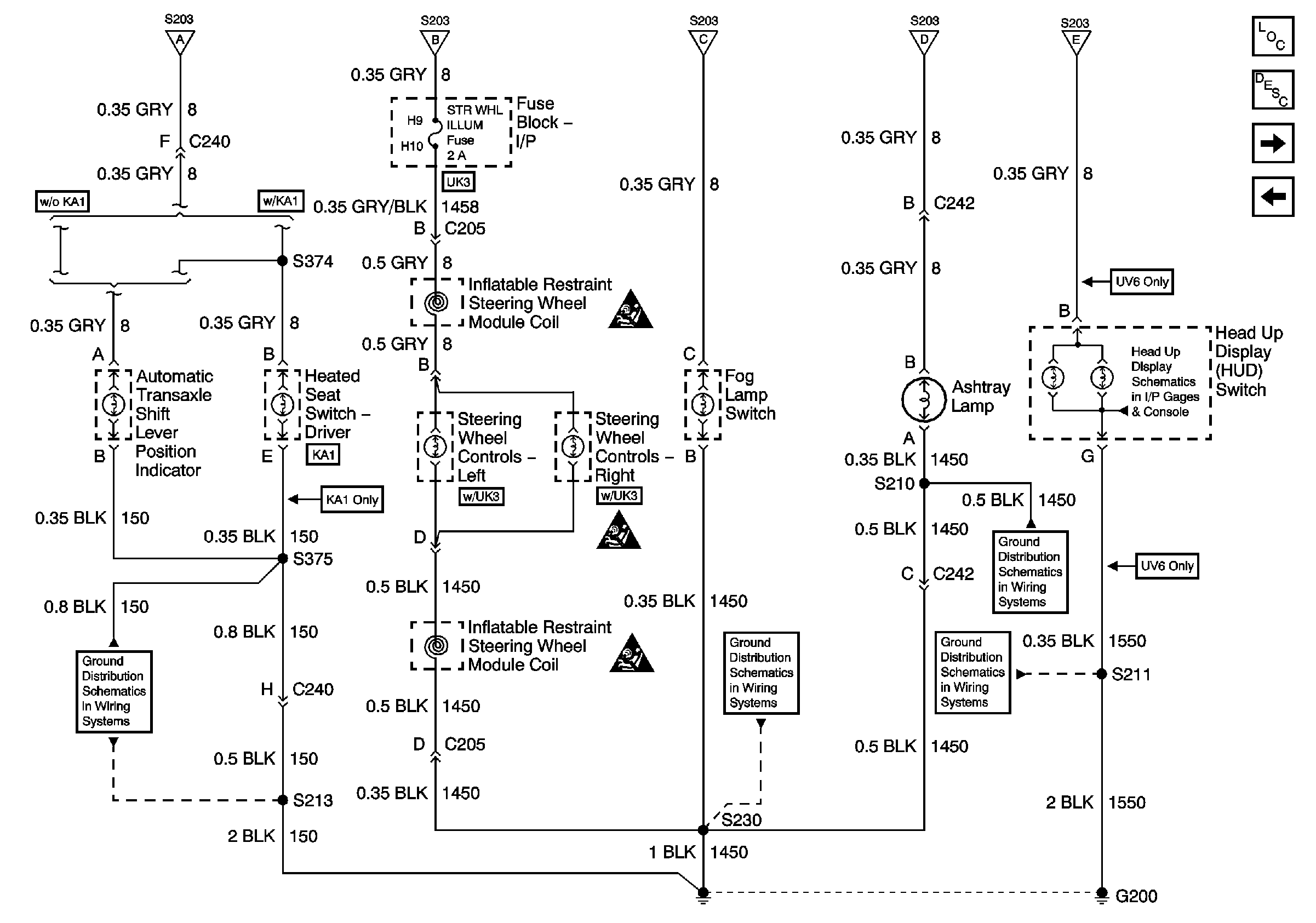
🢒 Instrument Panel Lighting Continued
Instrument Panel Lighting Continued
Instrument Panel Lighting Continued
Master Electrical Component List
Interior Lighting Systems Description and Operation
Door Switch Lighting
Headlamp Switch and Instrument Panel Lighting
Headlamp Switch and Instrument Panel Lighting
Headlamp Switch and Instrument Panel Lighting
Headlamp Switch and Instrument Panel Lighting
Headlamp Switch and Instrument Panel Lighting
Headlamp Switch and Instrument Panel Lighting
Lighting Systems Schematic Icons
Lighting Systems Schematic Icons
Lighting Systems Schematic Icons
Head Up Display
G200, S230
G200, S213, S375
G200, S230
G200, S211, S285