GM Service Manual Online
For 1990-2009 cars only
Makes
🢒
Pontiac
🢒
2004
🢒
Grand Prix
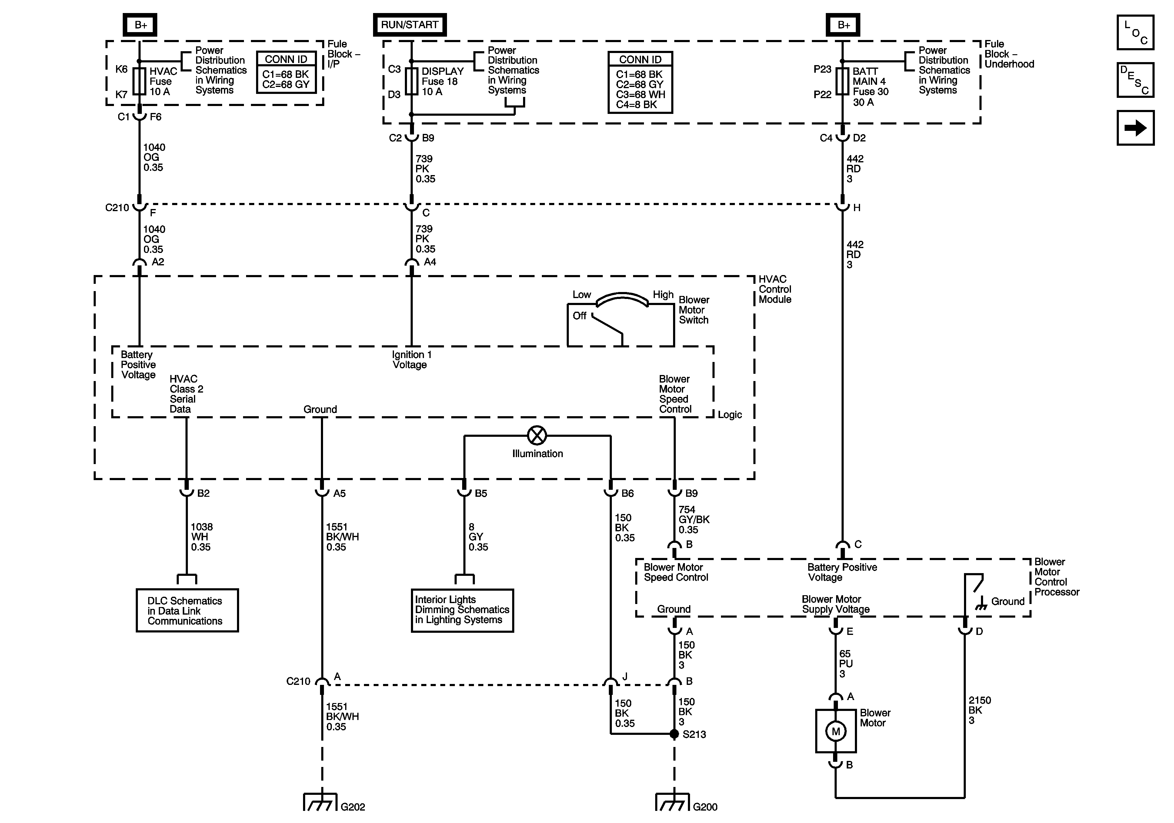
🢒 Power, Ground and Blower Motor Controls
Power, Ground and Blower Motor Controls
Power, Ground and Blower Motor Controls
Master Electrical Component List
Air Delivery Description and Operation
A/C Compressor Controls
BATT MAIN 1, PK LAMPS, DISPLAYS, CHMSL/BKUP, INT LIGHT, RFA/MOD, RADIO/AMP, ONSTAR/ALDL, HVAC, CANISTER Fuses, and PK LP Relay
BATT MAIN 1, PK LAMPS, DISPLAYS, CHMSL/BKUP, INT LIGHT, RFA/MOD, RADIO/AMP, ONSTAR/ALDL, HVAC, CANISTER Fuses, and PK LP Relay
Fuse Block - Underhood Bussing
ABS, TRANS SOL, PCM, SIR, DISPLAY, CRUISE SW Fuses, and CRANK Relay
Fuse Block - Underhood Bussing
BATT MAIN 3, BATT MAIN 4, ABS MTR, ABS SOL, PCM/ETC, WASHER RVC, and AUX PWR Fuses
Data Link Connector (DLC) Schematics
Interior Lights Dimming Schematics
G202
G200