GM Service Manual Online
For 1990-2009 cars only
Makes
🢒
Pontiac
🢒
2005
🢒
Grand Prix
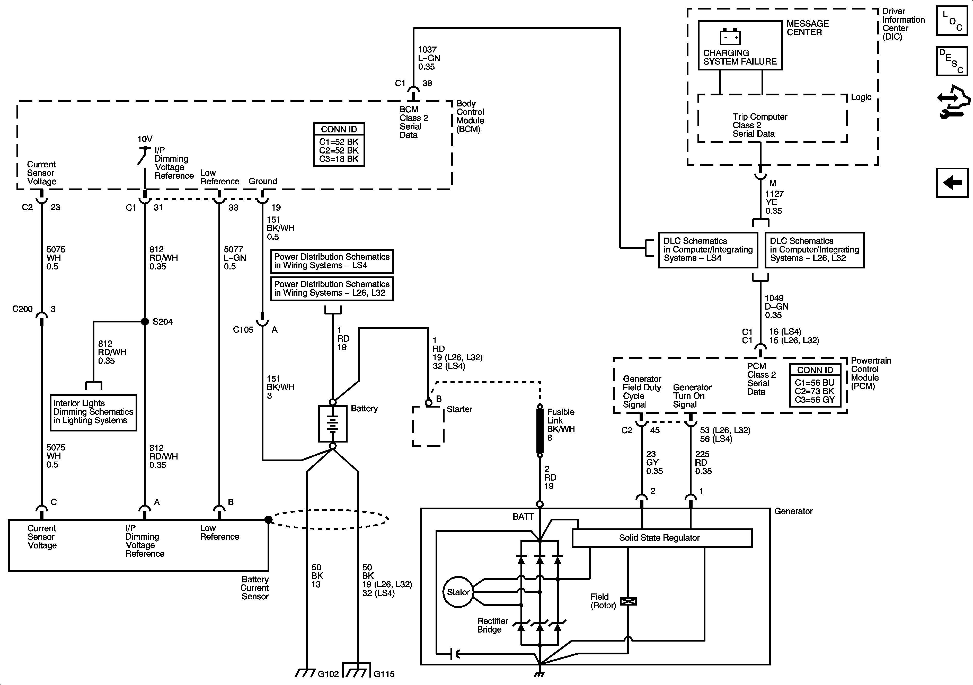
🢒 Generator
Generator
Generator
Master Electrical Component List
Charging System Description and Operation
Control Module References
Starter (LS4)
Fuse Block - Underhood Bussing
Fuse Block Underhood Bussing
Data Link Communication
LS4
Interior Lamp Switch, I/P and Driver Door Lighting
G102, G115 and G201