GM Service Manual Online
For 1990-2009 cars only
Makes
🢒
Pontiac
🢒
2005
🢒
Grand Prix
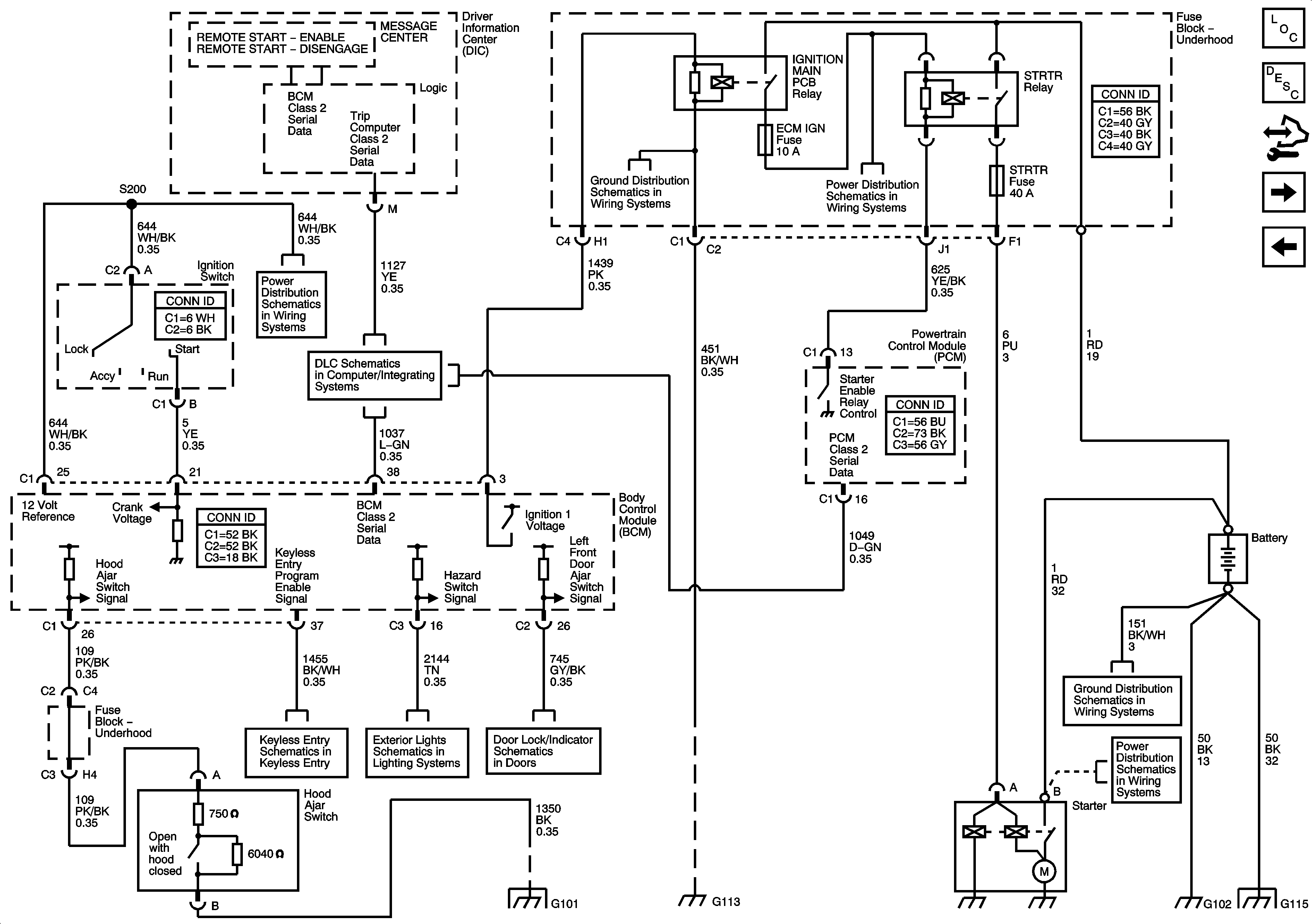
🢒 Starter (LS4)
Starter (LS4)
Starter (LS4)
Master Electrical Component List
Starting System Description and Operation
Control Module References
Generator
Starter
G101, G112 (L26/L32), and G113 (L26/L32)
Fuse Block - Underhood Bussing
Ignition Switch
LS4
G112 (LS4), and G113 (LS4)
Keyless Entry Schematics
Turn Signal, Hazard, and Stop Lamps Inputs
Door Ajar Indicators
G101, G112 (L26/L32), and G113 (L26/L32)
Fuse Block - Underhood Bussing
G112 (LS4), and G113 (LS4)
G102, G115 and G201