GM Service Manual Online
For 1990-2009 cars only
Makes
🢒
Pontiac
🢒
2005
🢒
Grand Prix
🢒 Cruise Control
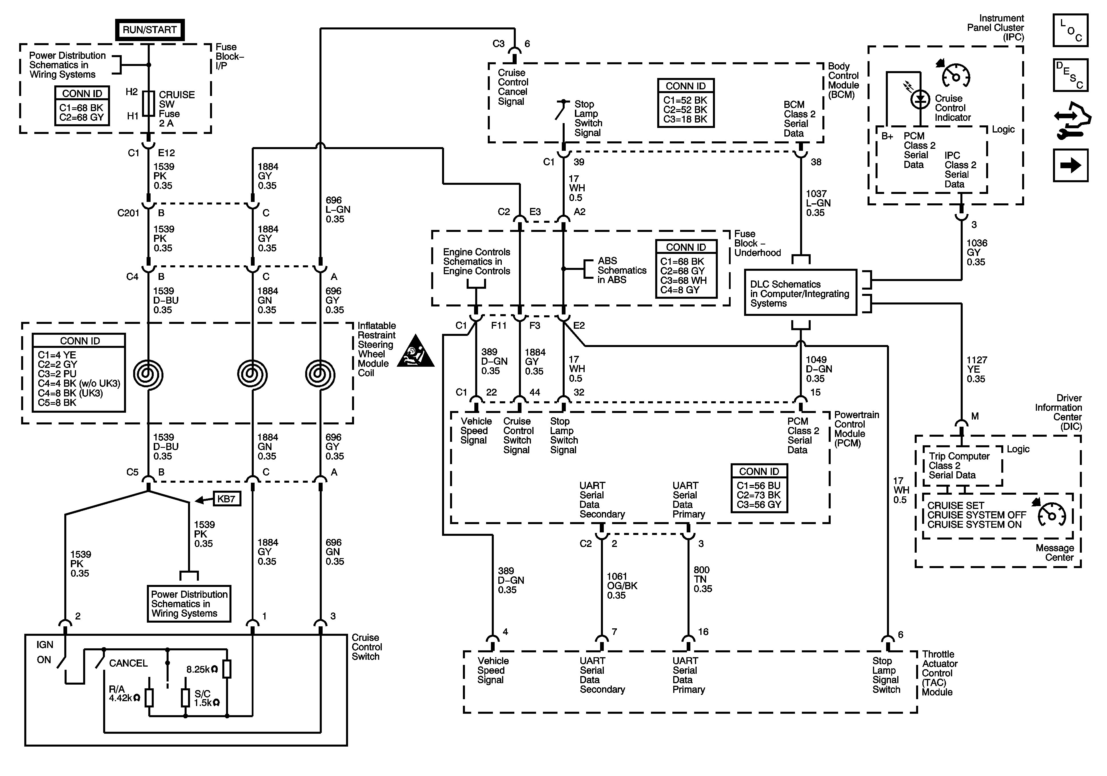
Cruise Control
L26, L32
Master Electrical Component List
Cruise Control Description and Operation (3.8L)
Control Module References
LS4
ABS, TRANS, ECM IGN, AIRBAG/DISPLAY, COMPASS, HVAC Fuses and STRTR Relay
ABS, TRANS, ECM IGN, AIRBAG/DISPLAY, COMPASS, HVAC Fuses and STRTR Relay
Cruise Control Schematic Icons
Electronic Throttle Controls
Indicator, ABS, Stability, and Traction Controls
Data Link Communication
ABS, TRANS, ECM IGN, AIRBAG/DISPLAY, COMPASS, HVAC Fuses and STRTR Relay