GM Service Manual Online
For 1990-2009 cars only
Makes
🢒
Pontiac
🢒
2005
🢒
Grand Prix
🢒 LS4
LS4
LS4
Master Electrical Component List
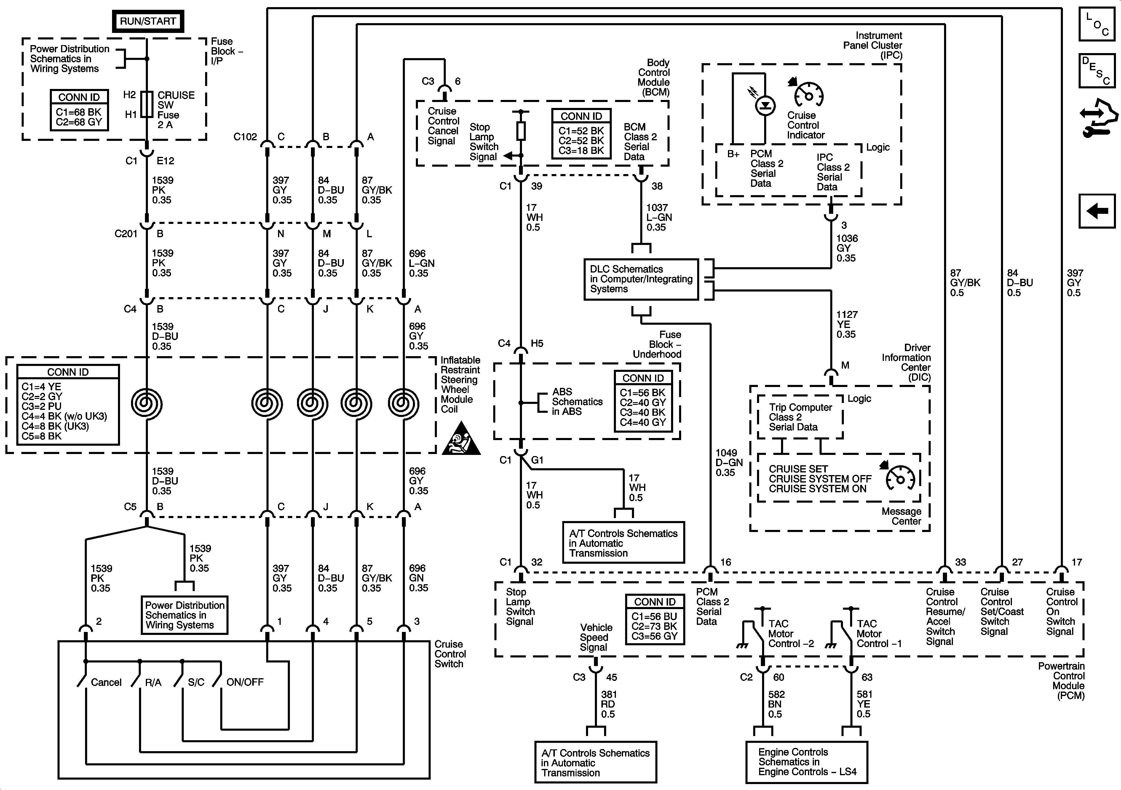
Cruise Control Description and Operation (5.3L)
Control Module References
Cruise Control
ABS, TRANS SOL, PCM, SIR, DISPLAY, CRUISE SW Fuses, and CRANK Relay
ABS, TRANS SOL, PCM, SIR, DISPLAY, CRUISE SW Fuses, and CRANK Relay
LS4
Indicator, ABS, Stability, and Traction Controls
Tap Shift Switches, Stop Lamp Signal, TFT Sensor and TCC, Shift Solenoids
VSS and AT ISS Sensors, Pressure Control Solenoid Valve, and TCC Release Switch
Electronic Throttle Controls
Cruise Control Schematic Icons
ABS, TRANS SOL, PCM, SIR, DISPLAY, CRUISE SW Fuses, and CRANK Relay