GM Service Manual Online
For 1990-2009 cars only
Makes
🢒
Pontiac
🢒
2005
🢒
Grand Prix
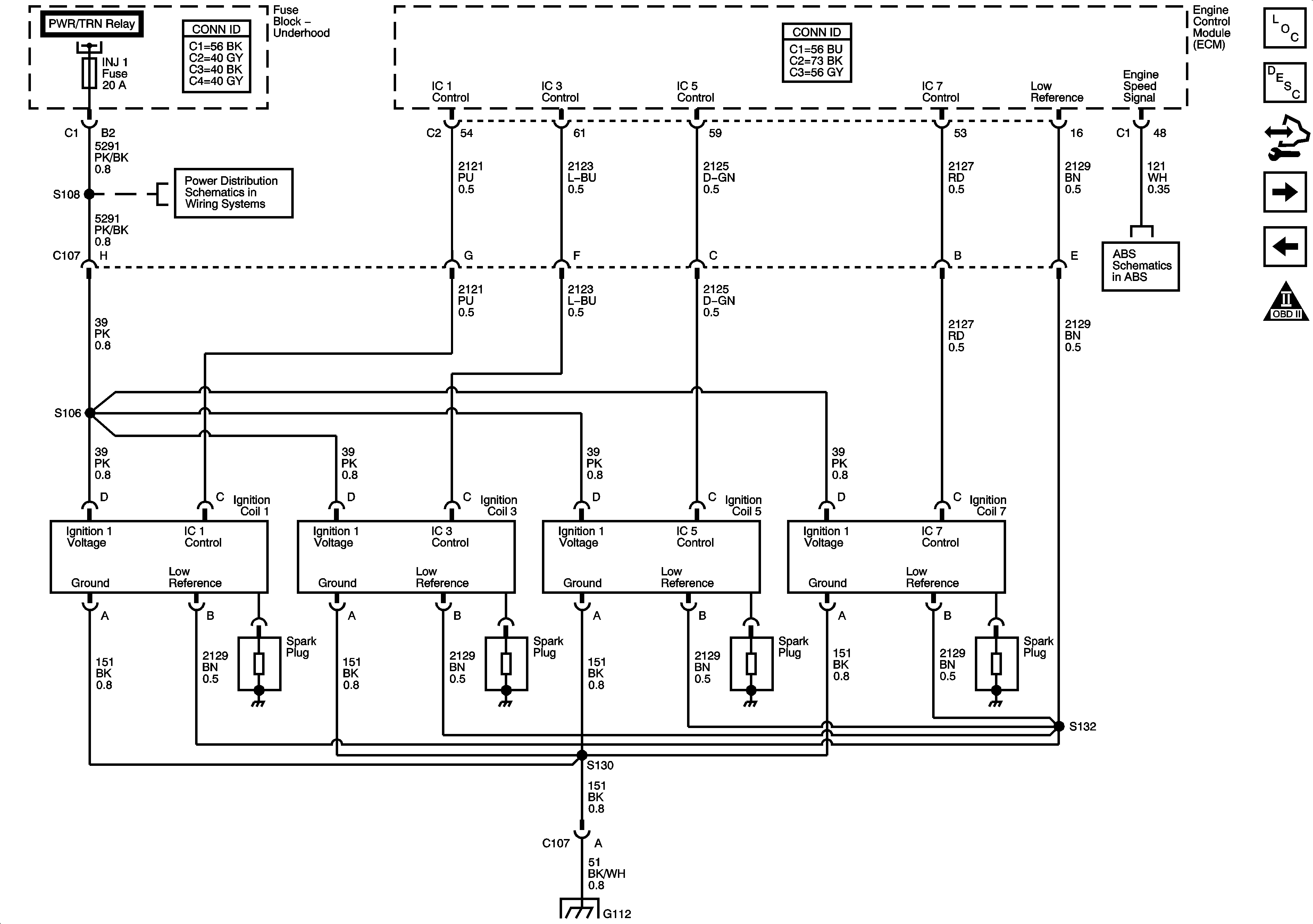
🢒 Ignition Controls Bank 1 (Odd) Ignition Coils
Ignition Controls Bank 1 (Odd) Ignition Coils
Ignition Controls Bank 1 (Odd) Ignition Coils
Master Electrical Component List
Electronic Ignition (EI) System Description
Control Module References
Ignition Controls Bank 2 (Even) Ignition Coils
Electronic Throttle Controls
Engine Controls Schematic Icons
ECM Power, Ground, MIL, and Serial Data
ETC/ECM, INJ 1, INJ 2, EMISSION1, EMISSION2 Fuses, and CMPRSR Relay
Indicator, ABS, Stability, and Traction Controls
G112 (LS4), and G113 (LS4)