GM Service Manual Online
For 1990-2009 cars only
Makes
🢒
Pontiac
🢒
2005
🢒
Grand Prix
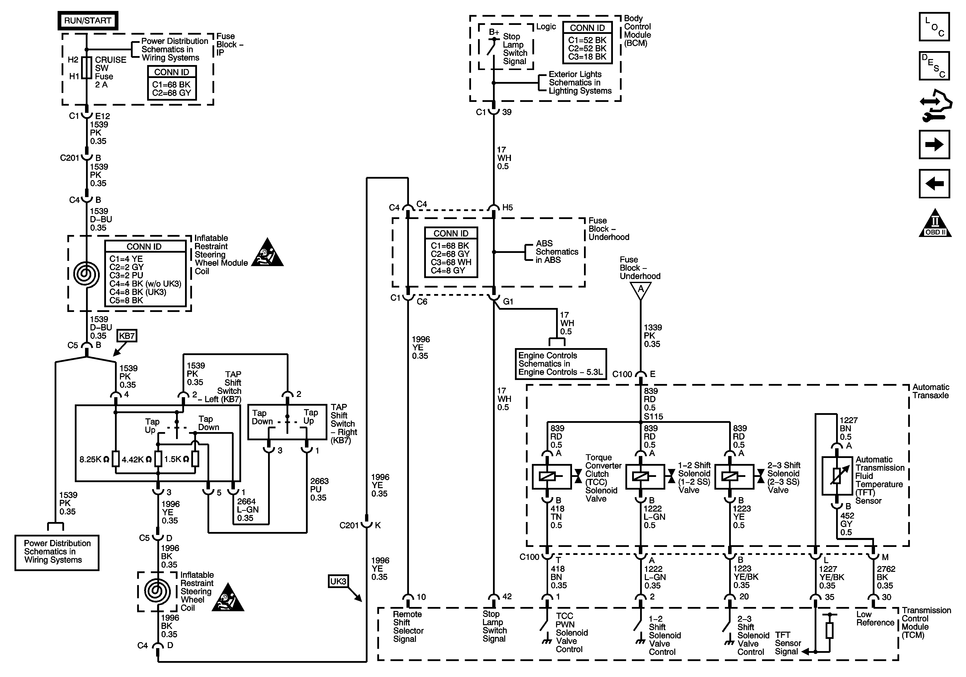
🢒 Tap Shift Switches, Stop Lamp Signal, TFT Sensor and TCC, Shift Solenoids
Tap Shift Switches, Stop Lamp Signal, TFT Sensor and TCC, Shift Solenoids
Tap Shift Switches, Stop lamp Signal, TFT Sensor and TCC, Shift Solenoids
Master Electrical Component List
Electronic Component Description
Control Module References
VSS and AT ISS Sensors, Pressure Control Solenoid Valve, and TCC Release Switch
Power, Ground and Serial Data
Automatic Transmission Schematic Icons
ABS, TRANS SOL, PCM, SIR, DISPLAY, CRUISE SW Fuses, and CRANK Relay
ABS, TRANS SOL, PCM, SIR, DISPLAY, CRUISE SW Fuses, and CRANK Relay
Automatic Transmission Schematic Icons
Automatic Transmission Schematic Icons
ABS, TRANS SOL, PCM, SIR, DISPLAY, CRUISE SW Fuses, and CRANK Relay
Turn Signal, Hazard and Stop Lamps Outputs
Indicator, ABS, Stability, and Traction Controls
Power, Ground and Serial Data
MAF/IAT Sensor, Stop Lamp Switch Signal and VSS