GM Service Manual Online
For 1990-2009 cars only
Makes
🢒
Pontiac
🢒
2006
🢒
Grand Prix
🢒
Vehicle Control Systems
🢒
Vehicle DTC Information
🢒 Cruise Control Schematics
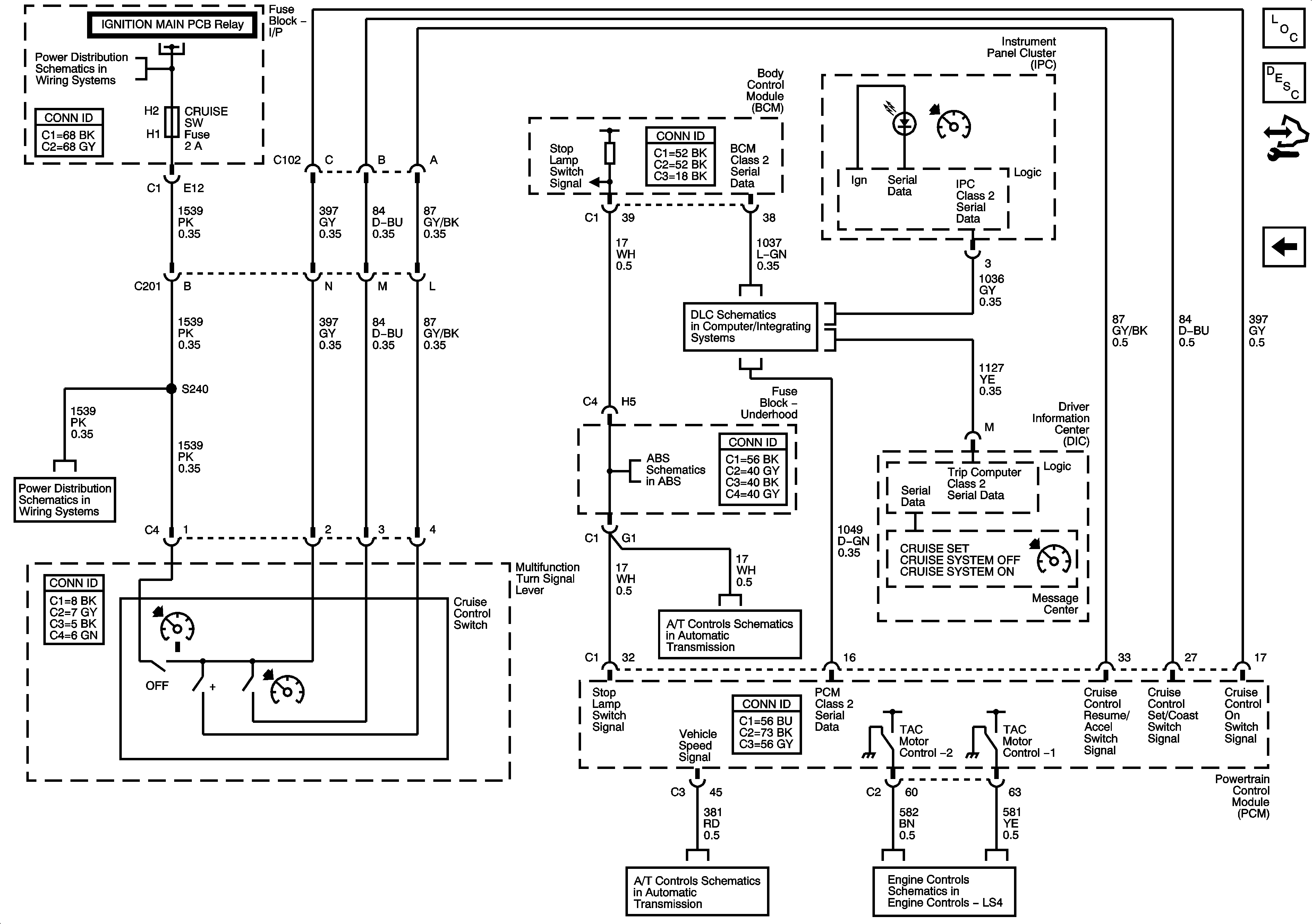
Figure
1:
L26, L32
Master Electrical Component List
Cruise Control Description and Operation (3.8L)
Control Module References
LS4
ABS, TRANS SOL, PCM, SIR, DISPLAY, CRUISE SW Fuses, and CRANK Relay
ABS, TRANS SOL, PCM, SIR, DISPLAY, CRUISE SW Fuses, and CRANK Relay
Electronic Throttle Controls
Indicator, ABS, Stability, and Traction Controls
L26/L32
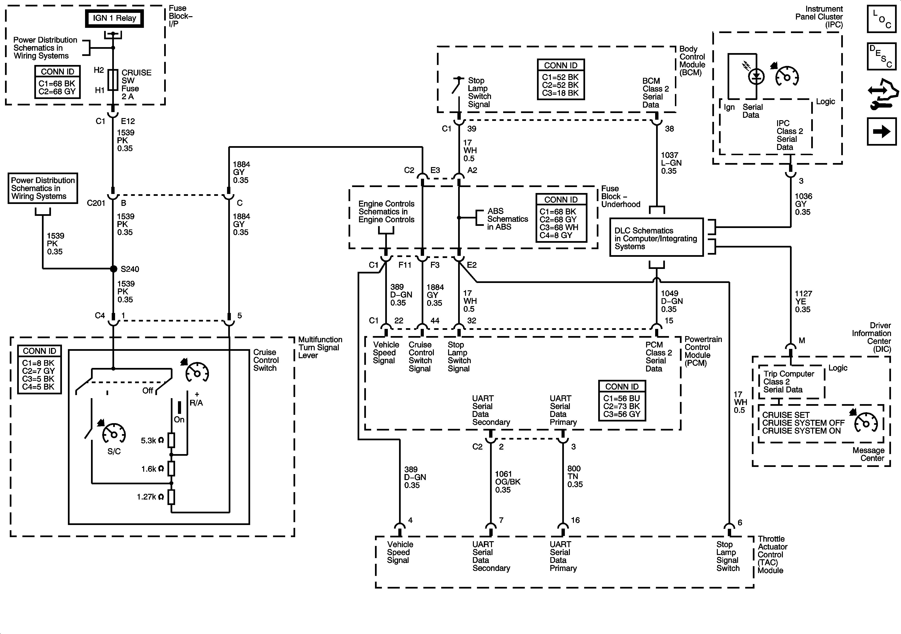
Figure
2:
LS4
Master Electrical Component List
Cruise Control Description and Operation (5.3L)
Control Module References
L26, L32
ABS, TRANS, ECM IGN, AIRBAG/DISPLAY, COMPASS, HVAC Fuses and STRTR Relay
LS4
ABS, TRANS, ECM IGN, AIRBAG/DISPLAY, COMPASS, HVAC Fuses and STRTR Relay
Indicator, ABS, Stability, and Traction Controls
VSS and AT ISS Sensors, Pressure Control Solenoid Valve, and TCC Release Switch
Electronic Throttle Controls