GM Service Manual Online
For 1990-2009 cars only
Makes
🢒
Pontiac
🢒
2006
🢒
Grand Prix
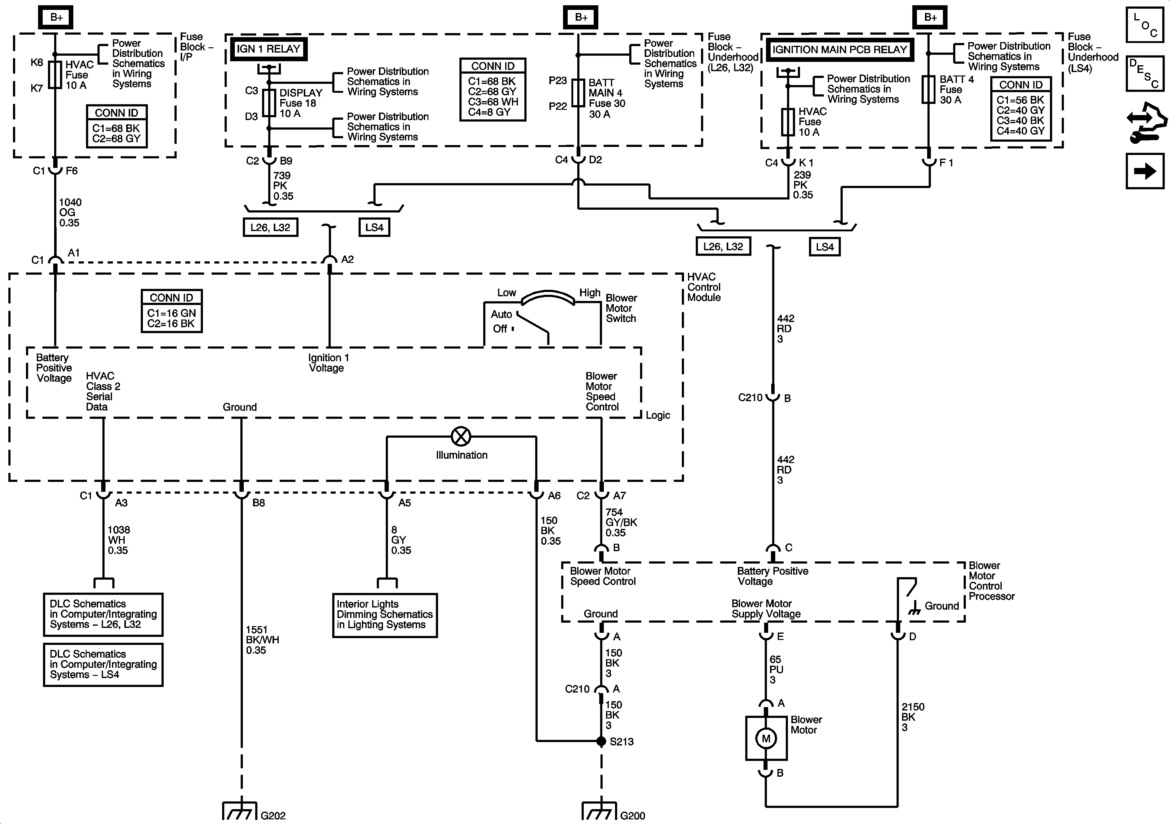
🢒 Power, Ground, and Blower Motor Controls
Power, Ground, and Blower Motor Controls
Power, Ground, and Blower Motor Controls
Master Electrical Component List
Air Delivery Description and Operation
Control Module References
A/C Compressor Controls
BATT MAIN 1, PK LAMPS, DISPLAS, CHMSL/BKUP, INT LIGHT, RFA MOD, RADIO/AMP, ONSTAR/ALDL, HVAC, CANISTER Fuses AND PKLP RELAY
Fuse Block Underhood Bussing
Fuse Block Underhood Bussing
ABS, TRANS SOL, PCM, SIR, DISPLAY, CRUISE SW Fuses, and CRANK Relay
Fuse Block Underhood Bussing
Fuse Block - Underhood Bussing
Fuse Block - Underhood Bussing
L26/L32
LS4
Interior Lamp Switch, I/P and Driver Door Lighting
G202
G200