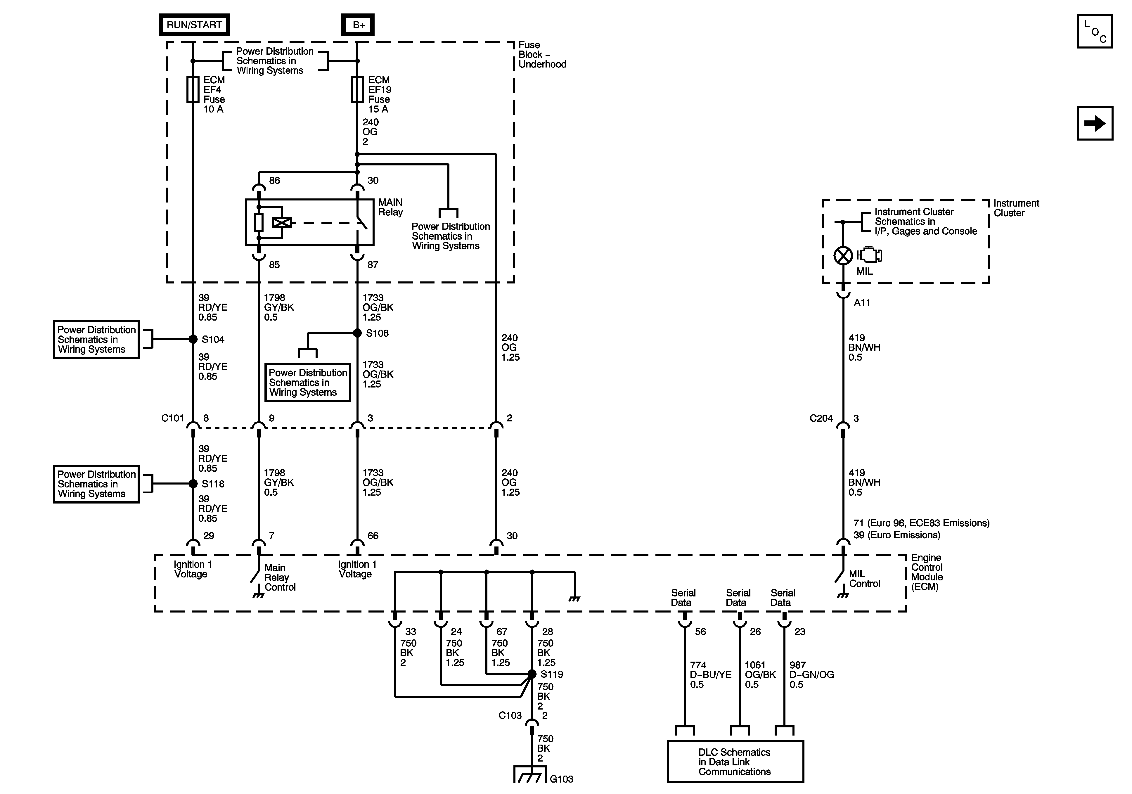
| Figure 1: |
Module Power, Ground, Serial Data and Malfunction Indicator Lamp (MIL)
|
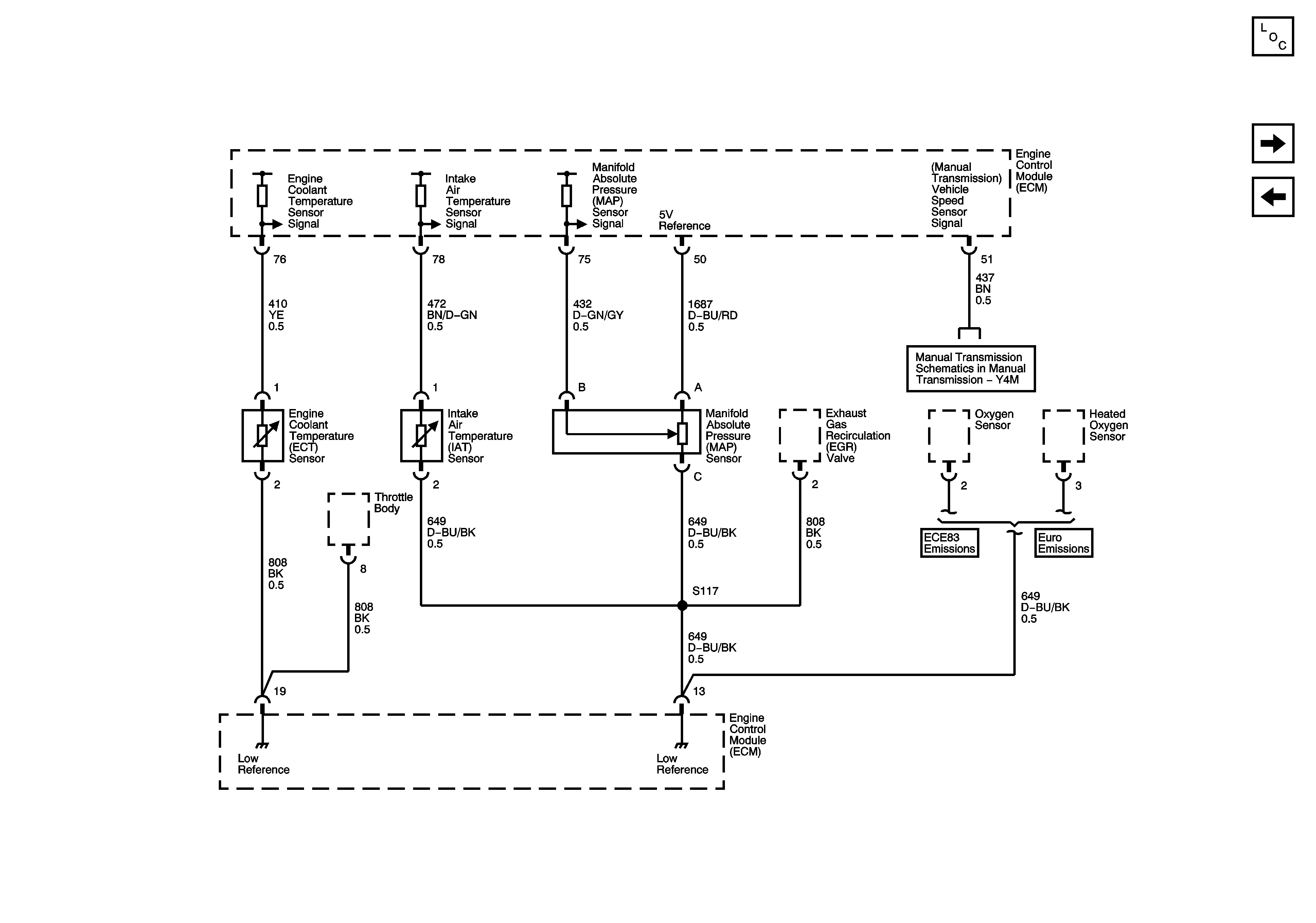
| Figure 2: |
Engine Data Sensors - Pressure and Temperature
|
| Figure 3: |
Engine Data Sensors - Oxygen Sensors (O2S)
|
| Figure 4: |
Engine Data Sensors - Idle Speed Control (ISC)
|
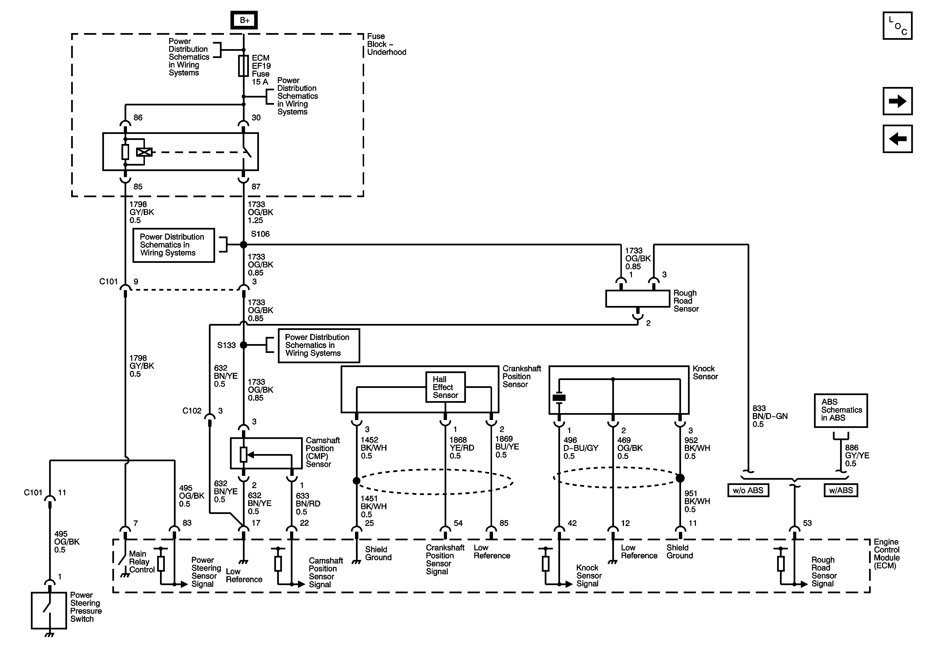
| Figure 5: |
Ignition Controls - Sensor
|
| Figure 6: |
Ignition Controls - Ignition System
|
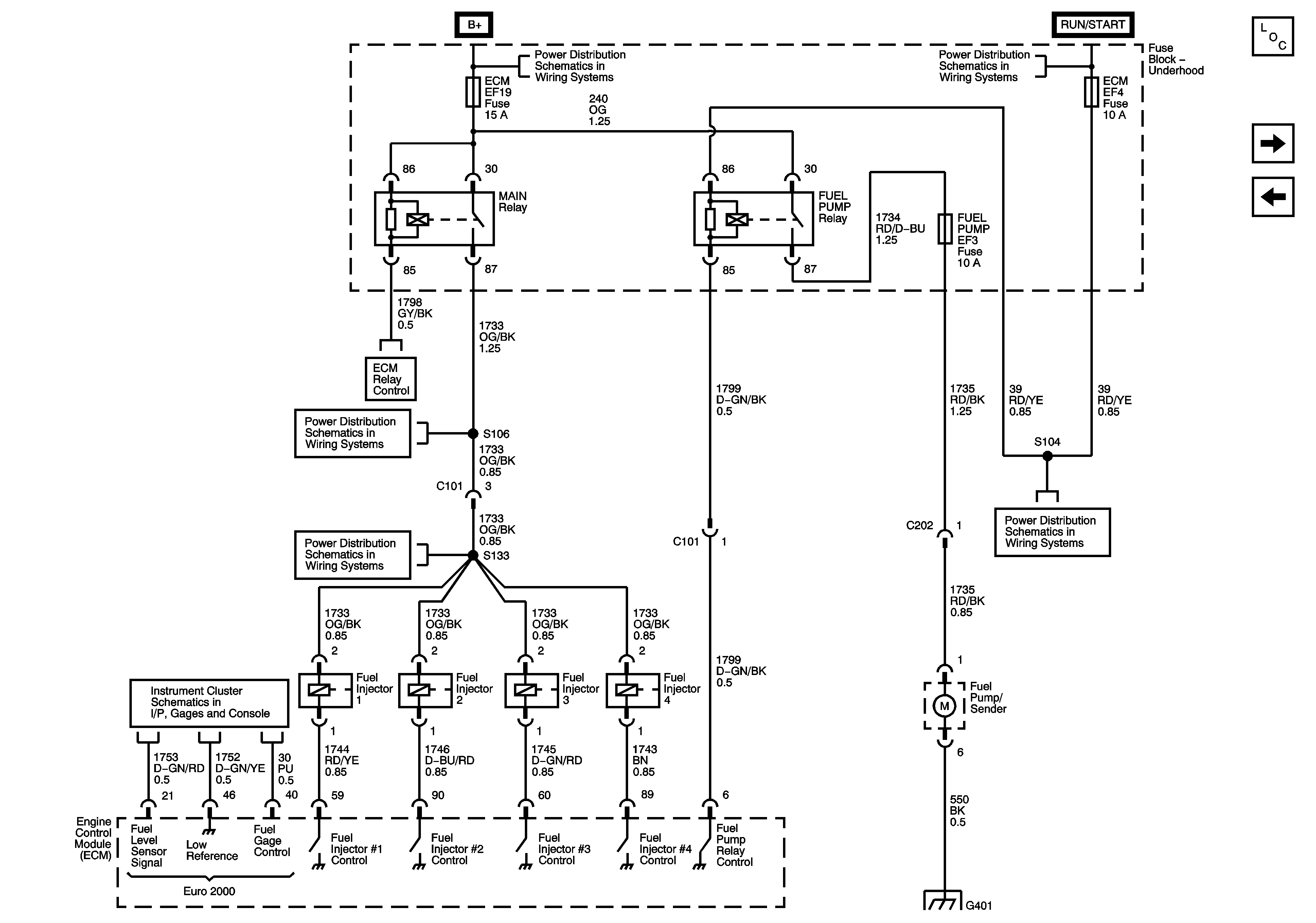
| Figure 7: |
Fuel Controls - Fuel Pump and Injectors
|
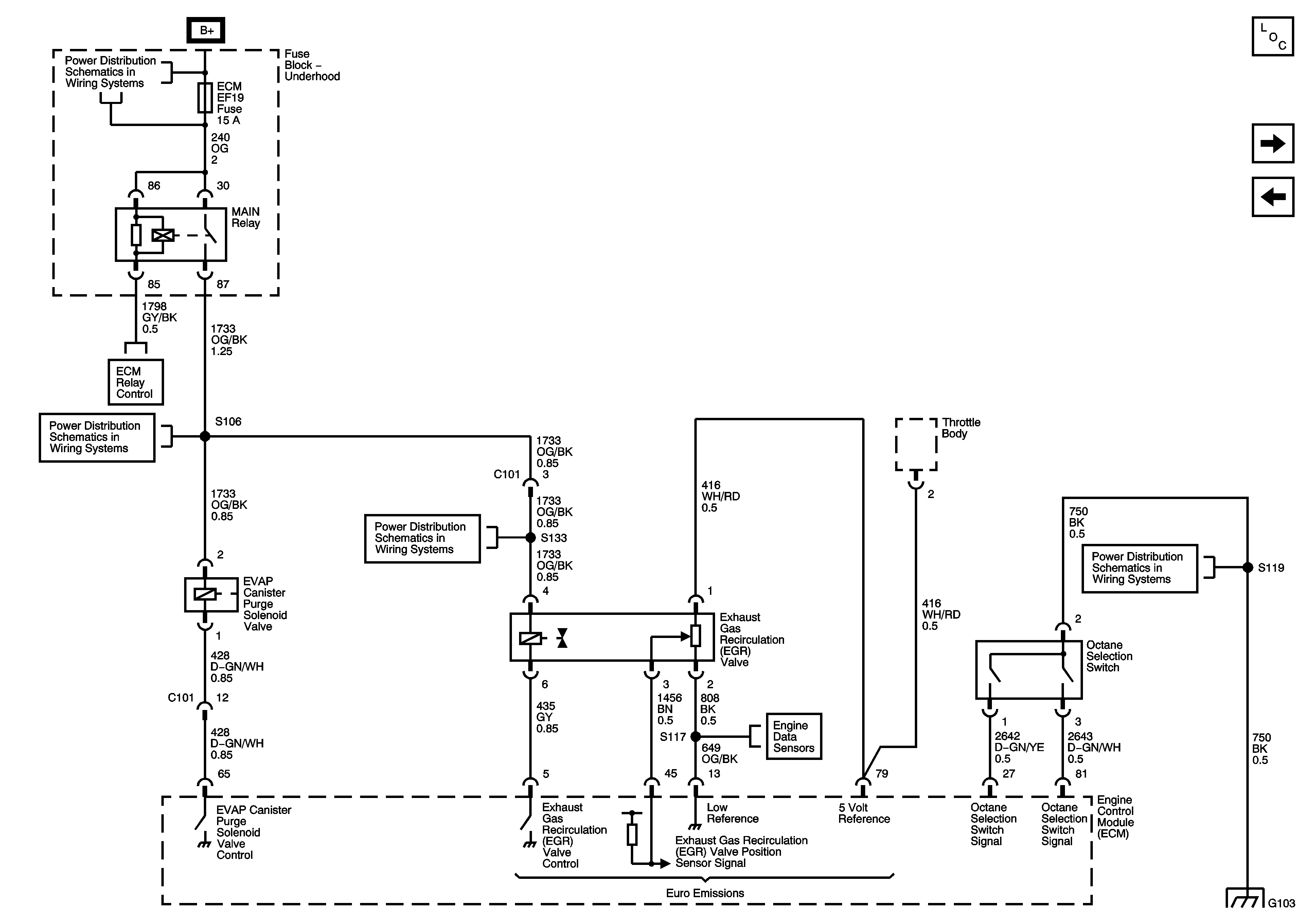
| Figure 8: |
EVAP and Device Controls
|
| Figure 9: |
Controlled/Monitored Subsystem References
|