GM Service Manual Online
For 1990-2009 cars only
Makes
🢒
Pontiac
🢒
2006
🢒
Solstice
🢒 Keyless Entry Schematics
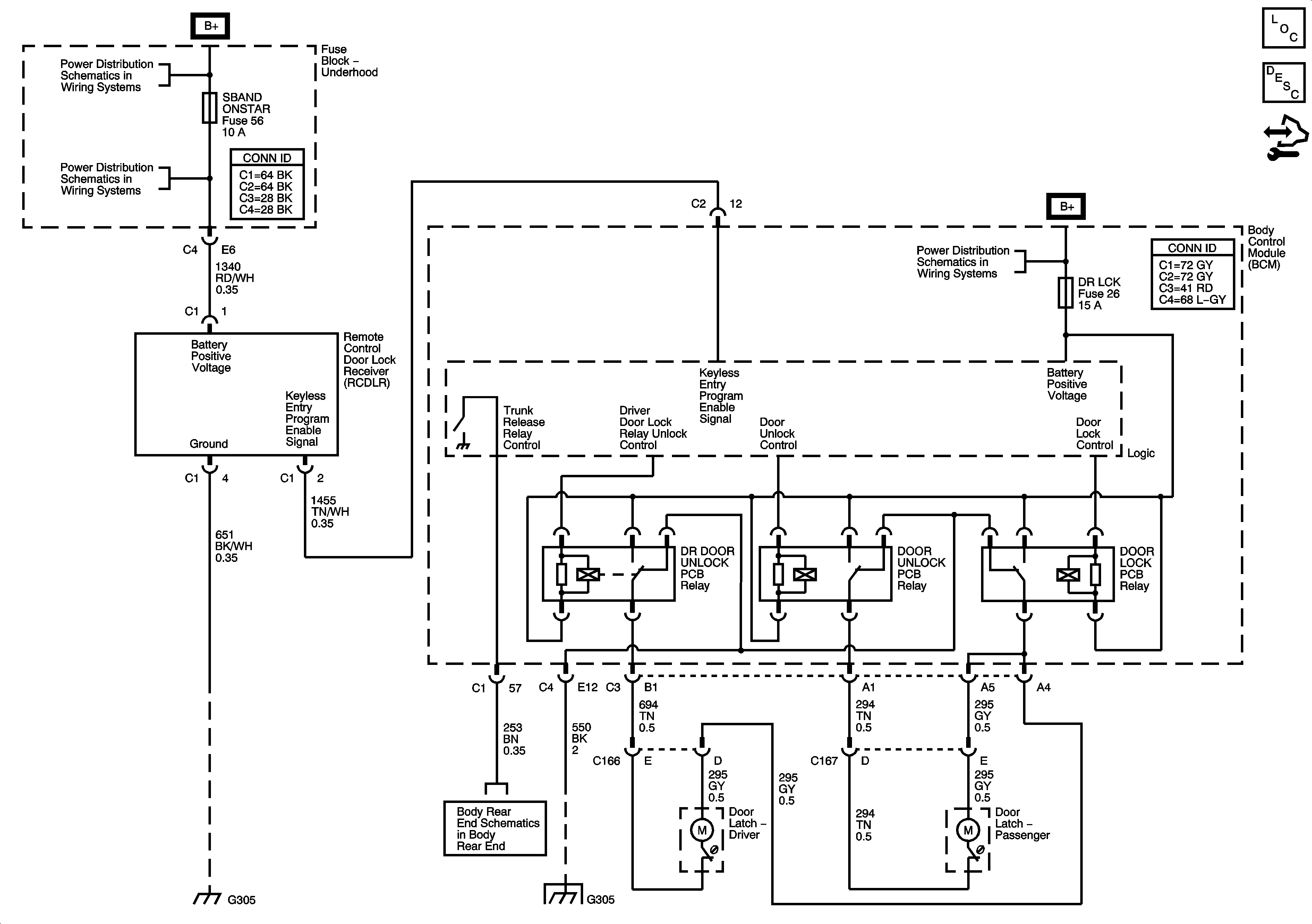
Keyless Entry Schematics
Master Electrical Component List
Keyless Entry System Description and Operation
Control Module References
B+ Bus Bar - 2 of 2
ABS 20A, ABS 30A, MIR, and S BAND ONSTAR Fuses
BCM, DR LCK, ECM/TCM, INT LIGHT, PWR WNDW, RADIO, and SDM Fuses
G305 (1 of 2)
Body Rear End Schematics