GM Service Manual Online
For 1990-2009 cars only
Figure 1:

Ground, Power, and Blower Controls


Object Number: 1829117  Size: FS
Master Electrical Component List
Air Delivery Description and Operation
Control Module References
Air Delivery and Temperature Controls
BCM 2 and BCM 3 Fuses (Underhood Fuse Block), AMP, CLSTR, HVAC/PK3+, and IGN SW/PK3+ Fuses, HVAC Relay (Body Control Module (BCM))
BCM 2 and BCM 3 Fuses (Underhood Fuse Block), AMP, CLSTR, HVAC/PK3+, and IGN SW/PK3+ Fuses, HVAC Relay (Body Control Module (BCM))
Defogger Schematics
BCM 2 and BCM 3 Fuses (Underhood Fuse Block), AMP, CLSTR, HVAC/PK3+, and IGN SW/PK3+ Fuses, HVAC Relay (Body Control Module (BCM))
G300 - 2 of 2
G300 - 2 of 2
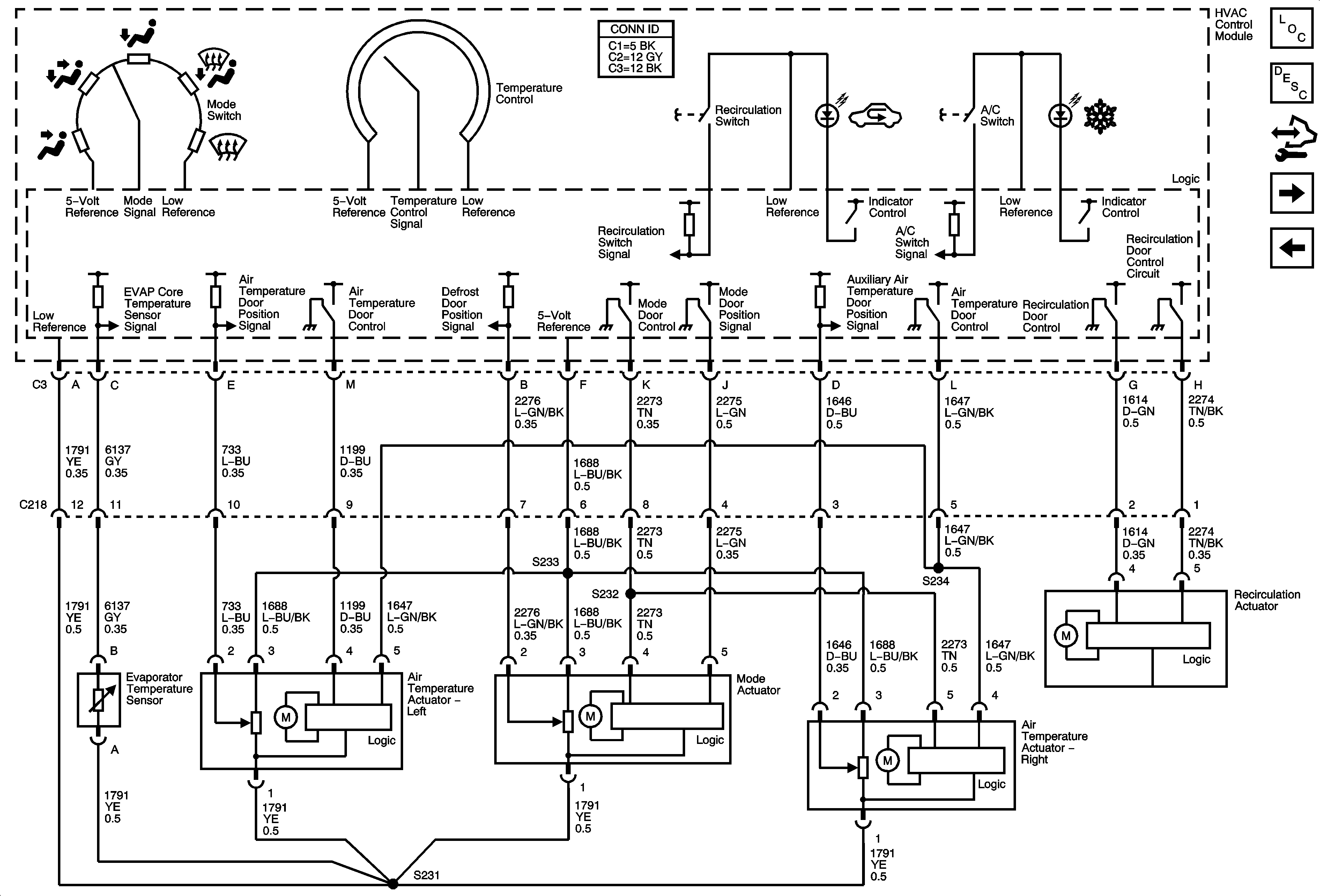
Figure 2:

Air Delivery and Temperature Controls


Object Number: 1829122  Size: FS
Master Electrical Component List
Air Delivery Description and Operation
Control Module References
Compressor Controls
Ground, Power, and Blower Controls
Figure 3:

Compressor Controls


Object Number: 1829129  Size: FS
Master Electrical Component List
Air Temperature Description and Operation
Control Module References
Air Delivery and Temperature Controls
DLC, ECM, EMISSIONS, INJ IGN MDL, and TURBO Fuses, PWR/TRN Relay
G101 and G102
High Speed LAN
G101 and G102
Figure 1:

Ground, Power, and Blower Controls


Object Number: 1871221  Size: FS
Master Electrical Component List
Air Delivery Description and Operation
Control Module References
Air Delivery and Temperature Controls
HVAC/PK3, AUDIO AMPLIFIER, WIPERS, HVAC/IP IGN, RESRAINTS, and EPS/SWC Fuses
TANK VENT, OUTLET, IP IGN, BACKUP, ABS, and ECM TRANS Fuses
HVAC/PK3, AUDIO AMPLIFIER, WIPERS, HVAC/IP IGN, RESRAINTS, and EPS/SWC Fuses
G300 - 2 of 2
B+ Bus Bar - 2 of 2
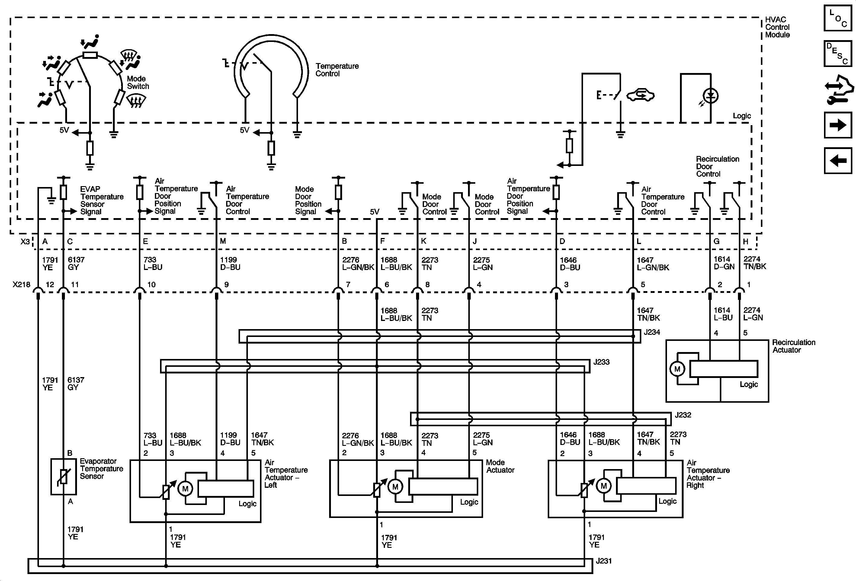
Figure 2:

Air Delivery and Temperature Controls


Object Number: 1871213  Size: FS
Master Electrical Component List
Air Temperature Description and Operation
Control Module References
Compressor Controls
Ground, Power, and Blower Controls
Figure 3:

Compressor Controls


Object Number: 1871220  Size: FS
Master Electrical Component List
Air Temperature Description and Operation
Control Module References
Air Delivery and Temperature Controls
B+ Bus Bar - 1 of 2
B+ Bus Bar - 2 of 2
G101 and G102
G101 and G102
Data Communication Schematics