GM Service Manual Online
For 1990-2009 cars only

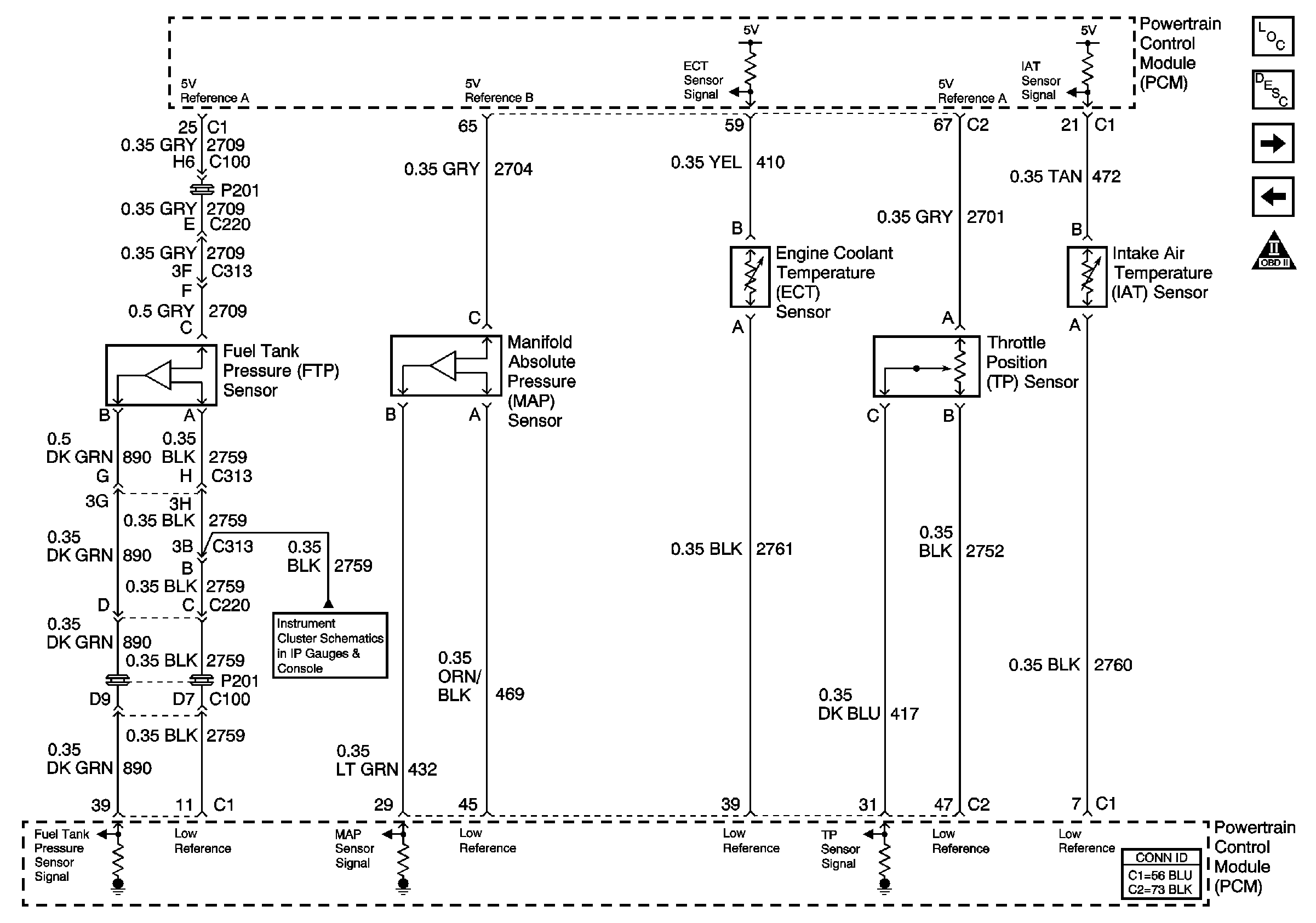
Circuit Description

The powertrain control module (PCM) monitors the fuel tank pressure (FTP) sensor signal in order to detect vacuum decay and excess vacuum during the enhanced evaporative emission (EVAP) diagnostic. The PCM supplies a 5-volt reference and ground to the sensor. The FTP sensor signal voltage increases as the fuel tank pressure decreases (negative pressure or vacuum, high voltage). The FTP sensor signal voltage decreases as the fuel tank pressure increases (positive pressure, low voltage). When the FTP sensor signal voltage goes above a predetermined value, DTC P0453 will set.

Conditions for Running the DTC

The key is ON.

Conditions for Setting the DTC

    • The fuel tank pressure sensor voltage is more than 4.9 volts
    • All conditions present for greater than 5.0 seconds

Action Taken When the DTC Sets

    • The PCM will illuminate the malfunction indicator lamp (MIL) during the second consecutive trip in which the diagnostic test ran and failed.
    • The PCM will store conditions which were present when the DTC set as Freeze Frame and Failure Records data.

Conditions for Clearing the MIL/DTC

    • The PCM will turn OFF the MIL during the third consecutive trip in which the diagnostic ran and passed.
    • The History DTC will clear after 40 consecutive warm-up cycles have occurred without a malfunction.
    • The DTC can be cleared by using a scan tool.

Test Description

The number below refers to the step number on the diagnostic table:

  1. If DTC P1639 sets, the 5-volt reference circuit may be shorted to a voltage.

Step

Action

Values

Yes

No

Schematic Reference:

Engine Data Sensors -- Pressure and Temperature


Object Number: 862969  Size: FS
Master Electrical Component List
OBD II Symbol Description Notice
EVAP Controls and IAC
Fuel Delivery
OBD II Symbol Description Notice
A/C Switch and Sensor

1

Did you perform the Diagnostic System Check-Engine Controls?

--

Go to Step 2

Go to Diagnostic System Check - Engine Controls

2

  1. Idle the engine for 1 minute.
  2. Monitor the diagnostic trouble codes (DTC) Information with a scan tool.

Did DTC P1639 fail this ignition?

--

Go to Diagnostic Trouble Code (DTC) List

Go to Step 3

3

  1. Turn ON the ignition, with the engine OFF.
  2. With a scan tool, observe the fuel tank pressure (FTP) sensor voltage.

Is the FTP sensor voltage more than the specified value?

4.3 V

Go to Step 5

Go to Step 4

4

  1. Observe the Freeze Frame/Failure Records data for this DTC.
  2. Turn OFF the ignition for 30 seconds.
  3. Start the engine.
  4. Operate the vehicle within the Conditions for Running the DTC as specified in the supporting text or as close to the Freeze Frame/Failure Records data that you observed.

Does the DTC fail this ignition?

--

Go to Step 5

Go to Intermittent Conditions

5

  1. Turn OFF the ignition.
  2. Raise the vehicle. Refer to Lifting and Jacking the Vehicle in General Information.
  3. Disconnect the fuel tank wiring harness at the body pass-through connector.
  4. Turn ON the ignition, with the engine OFF.
  5. With a scan tool, observe the FTP sensor voltage.

Does the scan tool indicate that the FTP sensor voltage is greater than the specified value?

0.0 V

Go to Step 6

Go to Step 7

6

Test the signal circuit of the FTP sensor for a short to voltage between the body pass-through connector and the PCM. Refer to Circuit Testing and Wiring Repairs in Wiring Systems.

Did you find and correct the condition?

--

Go to Step 13

Go to Step 10

7

Probe the low reference circuit of the FTP sensor at the body pass-through with a test lamp connected to battery voltage. Refer to Circuit Testing in Wiring Systems.

Did the test lamp illuminate?

--

Go to Step 9

Go to Step 8

8

Test the low reference circuit of the FTP sensor for an open between the body pass-through connector and the PCM. Refer to Circuit Testing and Wiring Repairs in Wiring Systems.

Did you find and correct the condition?

--

Go to Step 13

Go to Step 10

9

  1. Remove the fuel tank. Refer to Fuel Tank Replacement .
  2. Disconnect the FTP sensor harness connector.
  3. Inspect the fuel tank wiring harness for the following:
  4. • Damaged wiring
    • Poor connections
    • Broken wires inside the insulation
  5. Refer to Circuit Testing and Wiring Repairs in Wiring Systems.

Did you find and correct the condition?

--

Go to Step 13

Go to Step 11

10

Inspect for poor connections at the harness connector of the PCM . Refer to Testing for Intermittent Conditions and Poor Connections and Connector Repairs in Wiring Systems.

Did you find and correct the condition?

--

Go to Step 13

Go to Step 12

11

Replace the FTP sensor. Refer to Fuel Tank Pressure Sensor Replacement .

Did you complete the replacement?

--

Go to Step 13

--

12

Replace the PCM. Refer to Powertrain Control Module Replacement .

Did you complete the replacement?

--

Go to Step 13

--

13

  1. Use the scan tool in order to clear the DTCs.
  2. Turn OFF the ignition for 30 seconds.
  3. Start the engine.
  4. Operate the vehicle within the Conditions for Running the DTC as specified in the supporting text.

Does the DTC run and pass?

--

Go to Step 14

Go to Step 2

14

With a scan tool, observe the stored information, Capture Info.

Does the scan tool display any DTCs that you have not diagnosed?

--

Go to Diagnostic Trouble Code (DTC) List

System OK