GM Service Manual Online
For 1990-2009 cars only
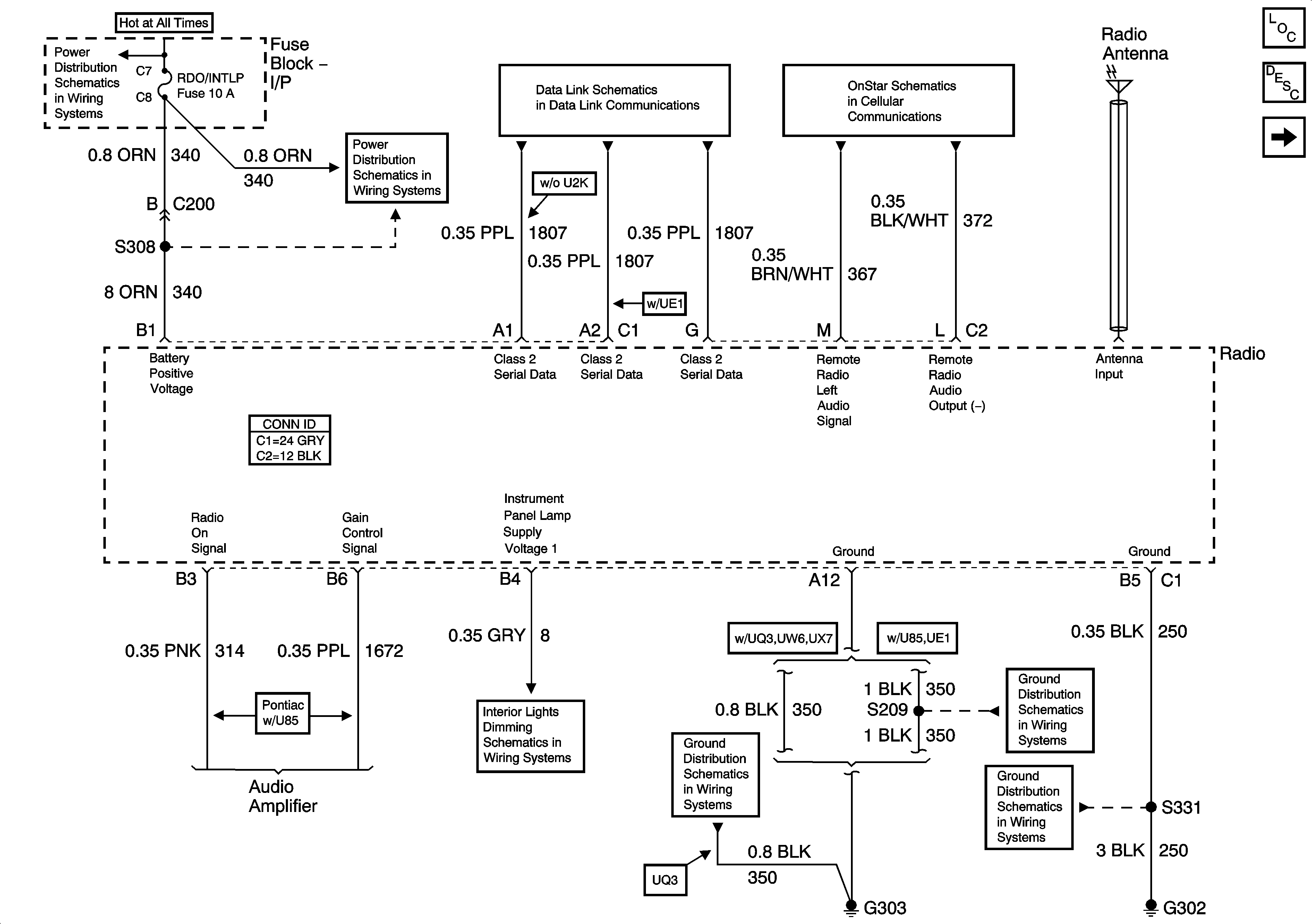
Figure 1:

Power, Ground and DLC


Object Number: 878581  Size: FS
Master Electrical Component List
Radio/Audio System Description and Operation
U79, UX7, UW6
Fuse Block-Underhood BATT 1 Fuse, Fuse Block-I/P MIRROR, RT HDLP, FLS/PASS, RDO/INTLP, RFA BATT and AMPL Fuses
Fuse Block-Underhood BATT 1 Fuse, Fuse Block-I/P MIRROR, RT HDLP, FLS/PASS, RDO/INTLP, RFA BATT and AMPL Fuses
Data Link Communications
Inside Rearview Mirror
Interior Controls Illumination Lamps
G102, G201, G303
G102, G201, G303
G302
Figure 2:

U79, UX7, UW6


Object Number: 878562  Size: FS
Master Electrical Component List
Radio/Audio System Description and Operation
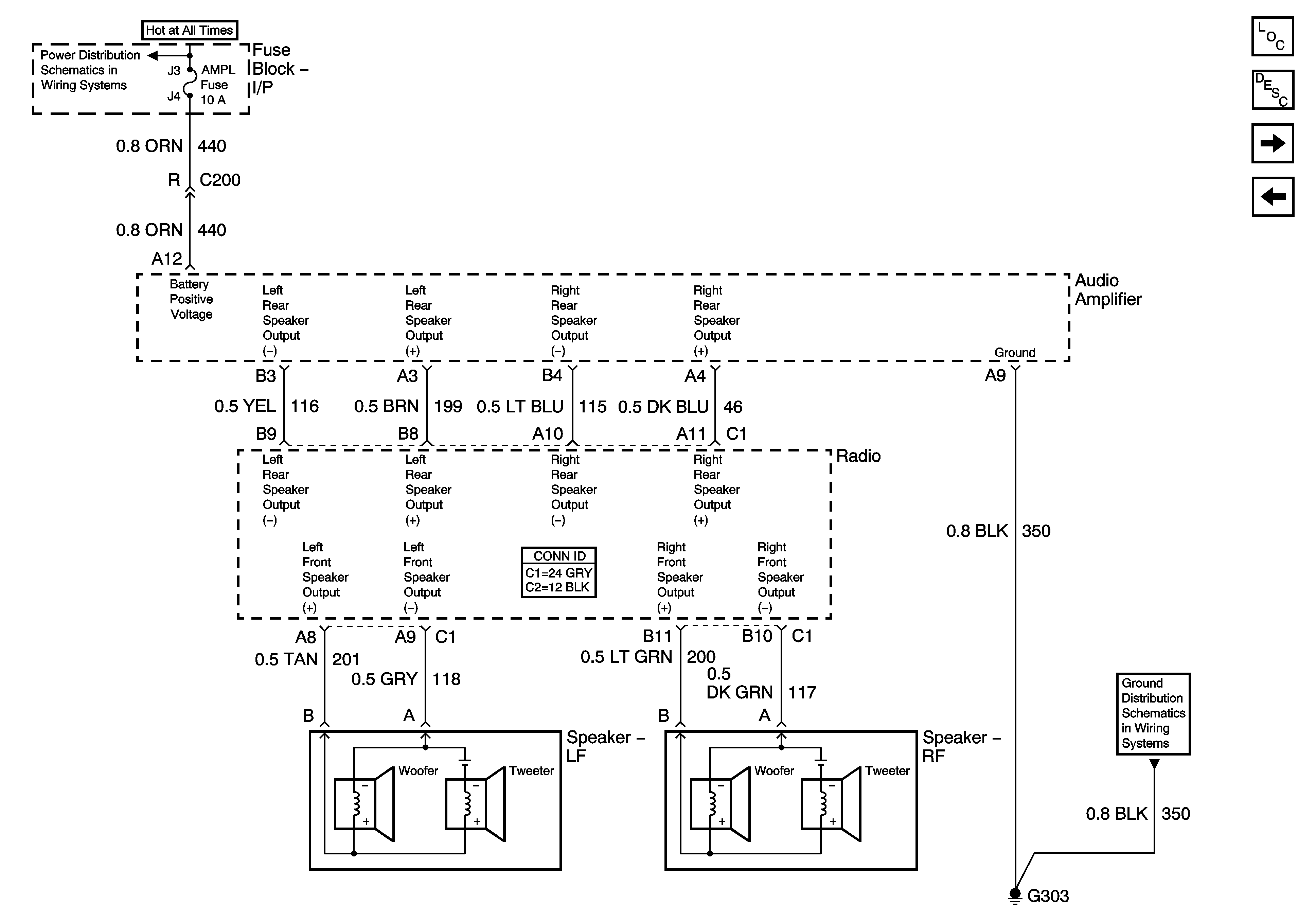
Amplifier Power, Ground and Output (UQ3)
Power, Ground and DLC
Figure 3:

Amplifier Power, Ground and Outputs (UQ3)


Object Number: 878565  Size: FS
Master Electrical Component List
Radio/Audio System Description and Operation
Speakers - Rear (UQ3)
U79, UX7, UW6
Fuse Block-Underhood BATT 1 Fuse, Fuse Block-I/P MIRROR, RT HDLP, FLS/PASS, RDO/INTLP, RFA BATT and AMPL Fuses
G102, G201, G303
Figure 4:

Speakers - Rear (UQ3)


Object Number: 878568  Size: FS
Master Electrical Component List
Radio/Audio System Description and Operation
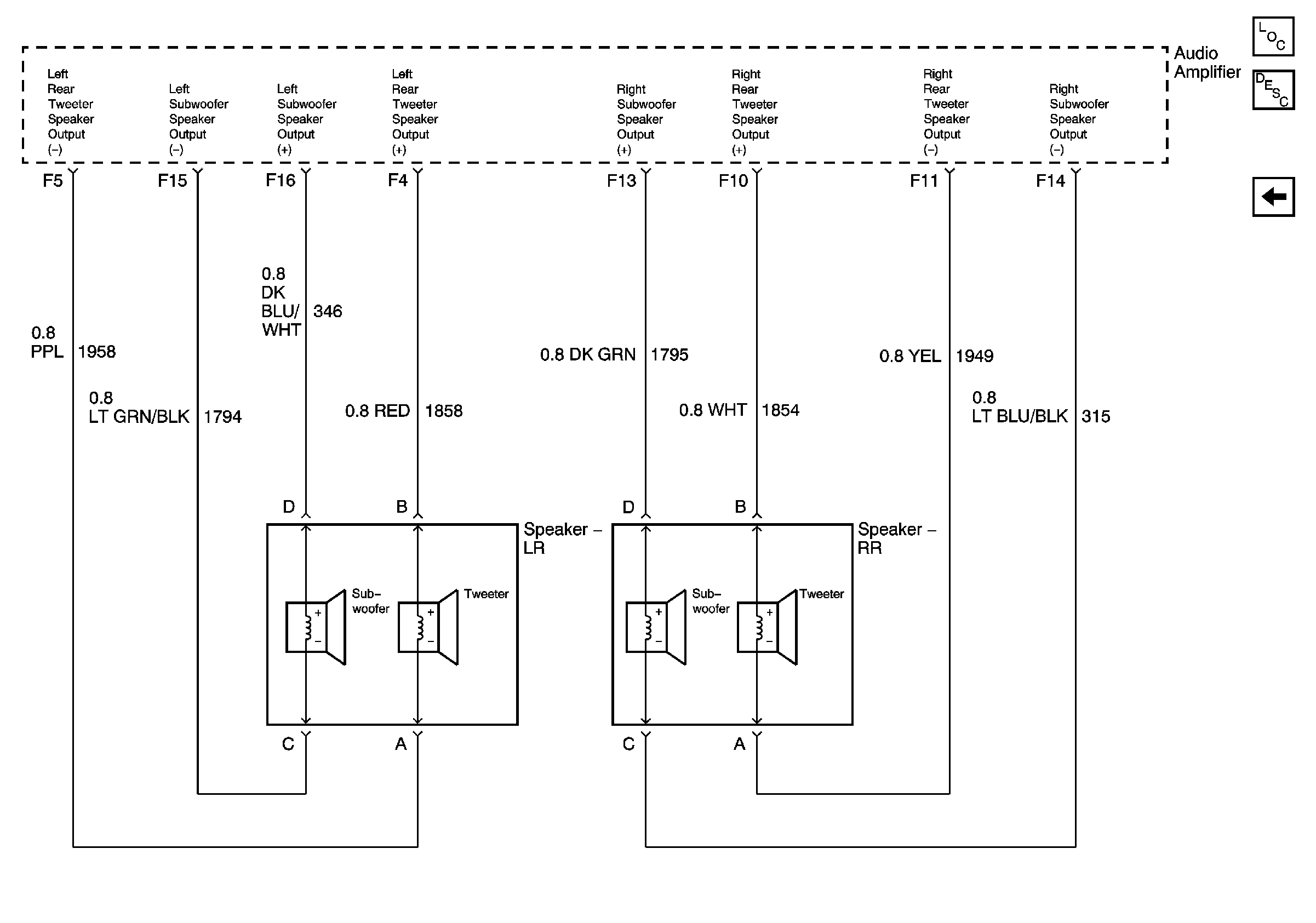
Amplifier Power, Ground and Outputs (U85)
Amplifier Power, Ground and Output (UQ3)
Figure 5:

Amplifier Power, Ground and Outputs (U85)


Object Number: 878569  Size: FS
Master Electrical Component List
Radio/Audio System Description and Operation
Speakers - Front (U85)
Speakers - Rear (UQ3)
Cellular Communication Schematic Icons
Cellular Communication Schematic Icons
G102, G201, G303
Figure 6:

Speakers - Front (U85)


Object Number: 878570  Size: FS
Master Electrical Component List
Radio/Audio System Description and Operation
Digital Radio Receiver (U2K, U2L)
Amplifier Power, Ground and Outputs (U85)
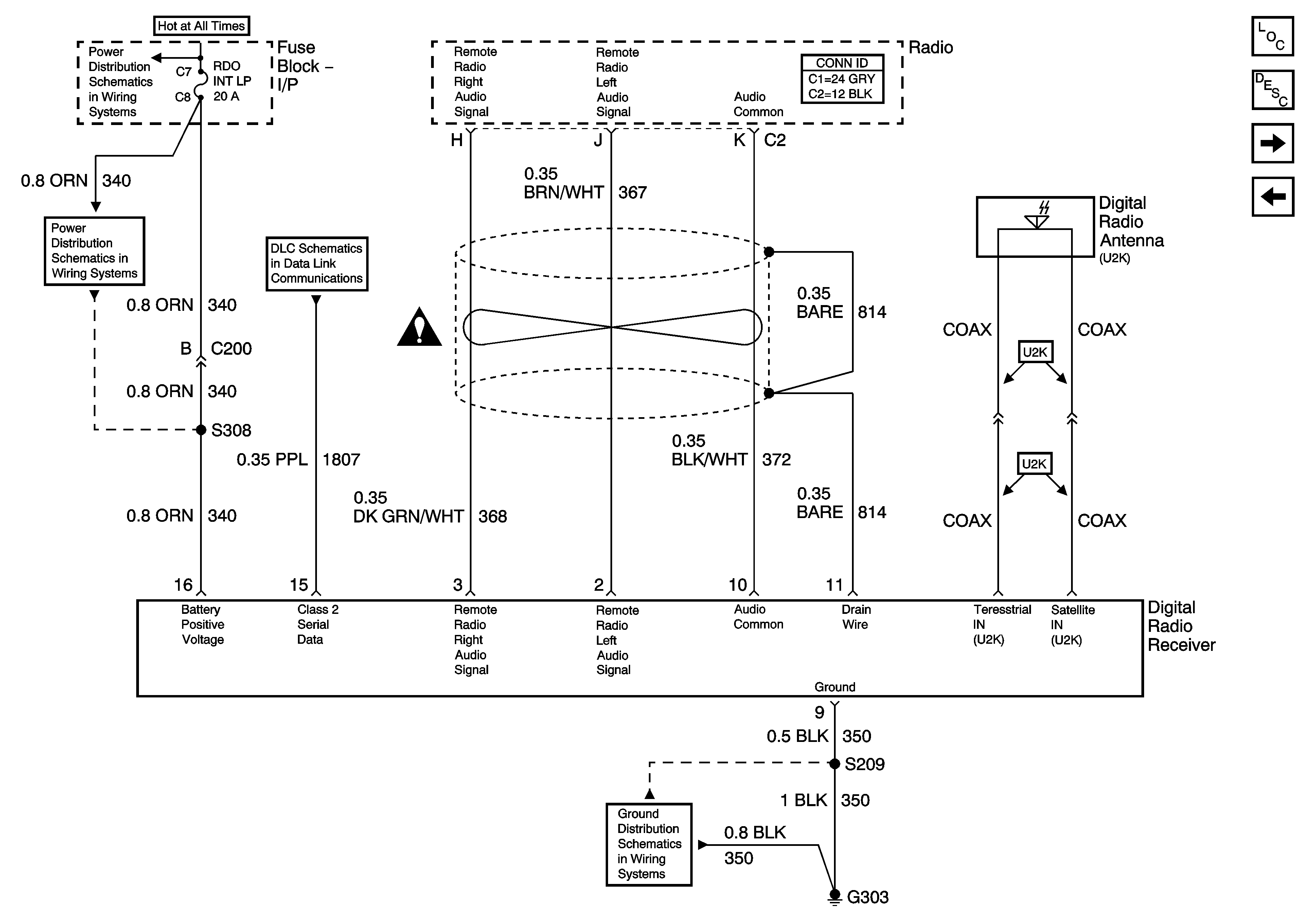
Figure 7:

Digital Radio Receiver (U2K)


Object Number: 878563  Size: FS
Master Electrical Component List
Radio/Audio System Description and Operation
Speakers - Rear (U85)
Speakers - Front (U85)
Fuse Block-Underhood BATT 1 Fuse, Fuse Block-I/P MIRROR, RT HDLP, FLS/PASS, RDO/INTLP, RFA BATT and AMPL Fuses
Fuse Block-Underhood BATT 1 Fuse, Fuse Block-I/P MIRROR, RT HDLP, FLS/PASS, RDO/INTLP, RFA BATT and AMPL Fuses
Data Link Communications
Cellular Communication Schematic Icons
G102, G201, G303
Figure 8:

Speakers - Rear (U85)


Object Number: 878571  Size: FS
Master Electrical Component List
Radio/Audio System Description and Operation
Digital Radio Receiver (U2K, U2L)