GM Service Manual Online
For 1990-2009 cars only
Makes
🢒
Pontiac
🢒
2003
🢒
Sunfire
🢒 Engine Cooling
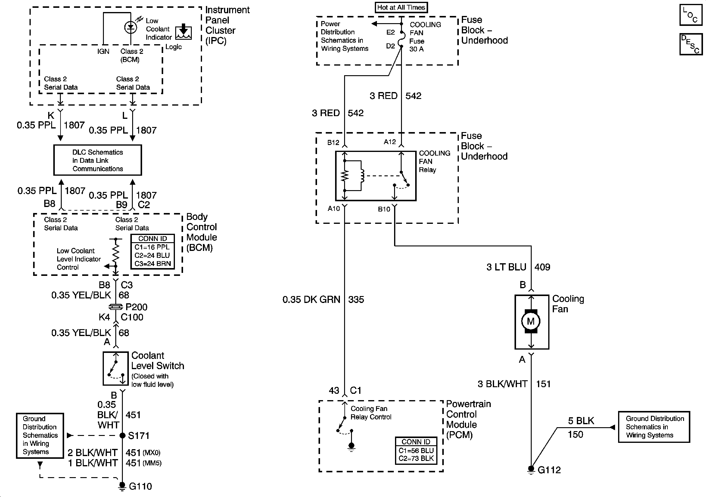
Engine Cooling
Master Electrical Component List
Cooling System Description and Operation
Fuse Block-Underhood B+ Buss Bar
Data Link Communications
G110
G112