GM Service Manual Online
For 1990-2009 cars only
Makes
🢒
Pontiac
🢒
2003
🢒
Sunfire
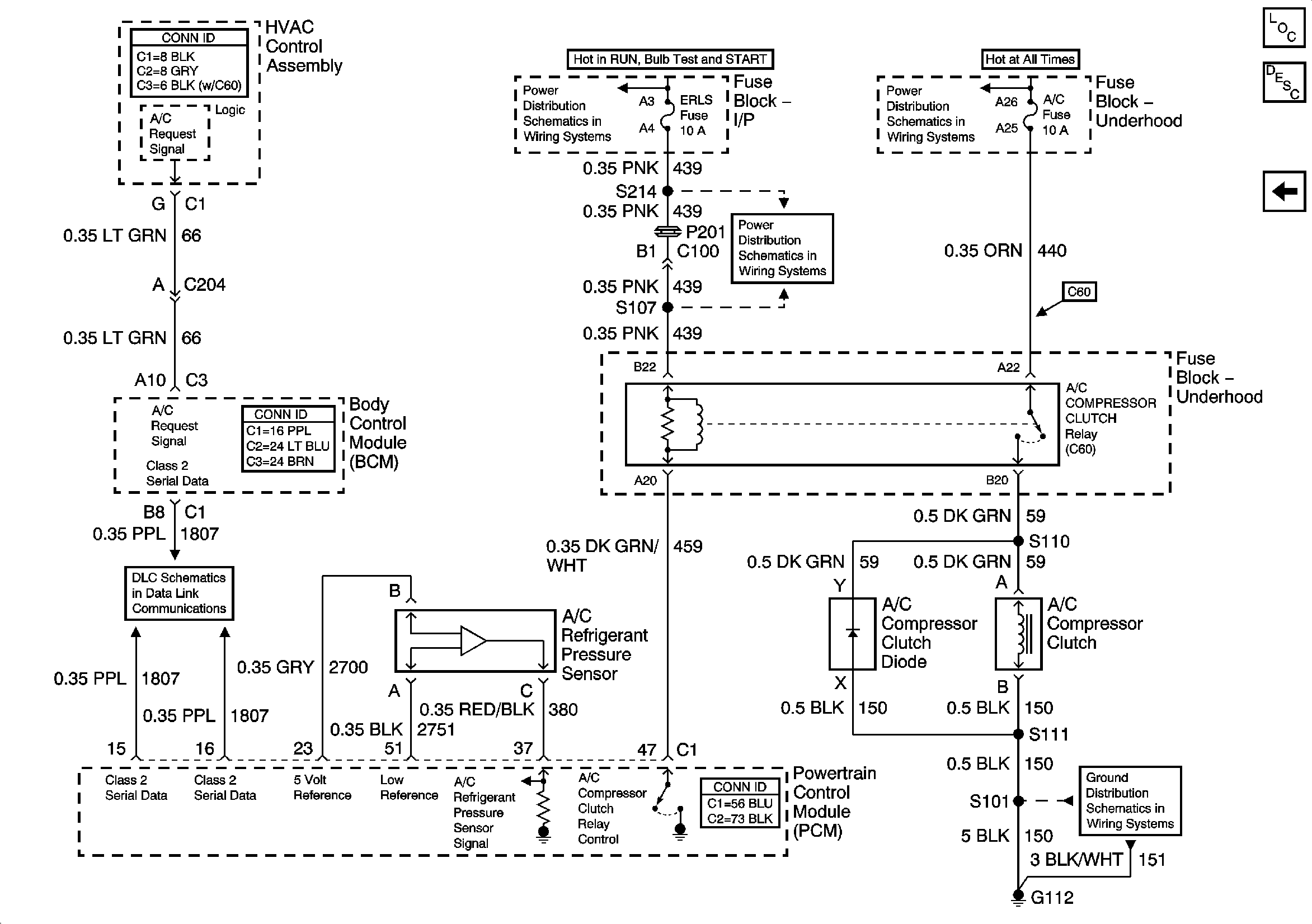
🢒 Compressor Controls
Compressor Controls
Compressor Controls
Master Electrical Component List
Air Temperature Description and Operation
Air Delivery Controls
Fuse Block-I/P ERLS Fuse
Fuse Block-Underhood B+ Buss Bar
Fuse Block-I/P ERLS Fuse
Data Link Connector (DLC)
G112