GM Service Manual Online
For 1990-2009 cars only
Makes
🢒
Pontiac
🢒
2007
🢒
Torrent
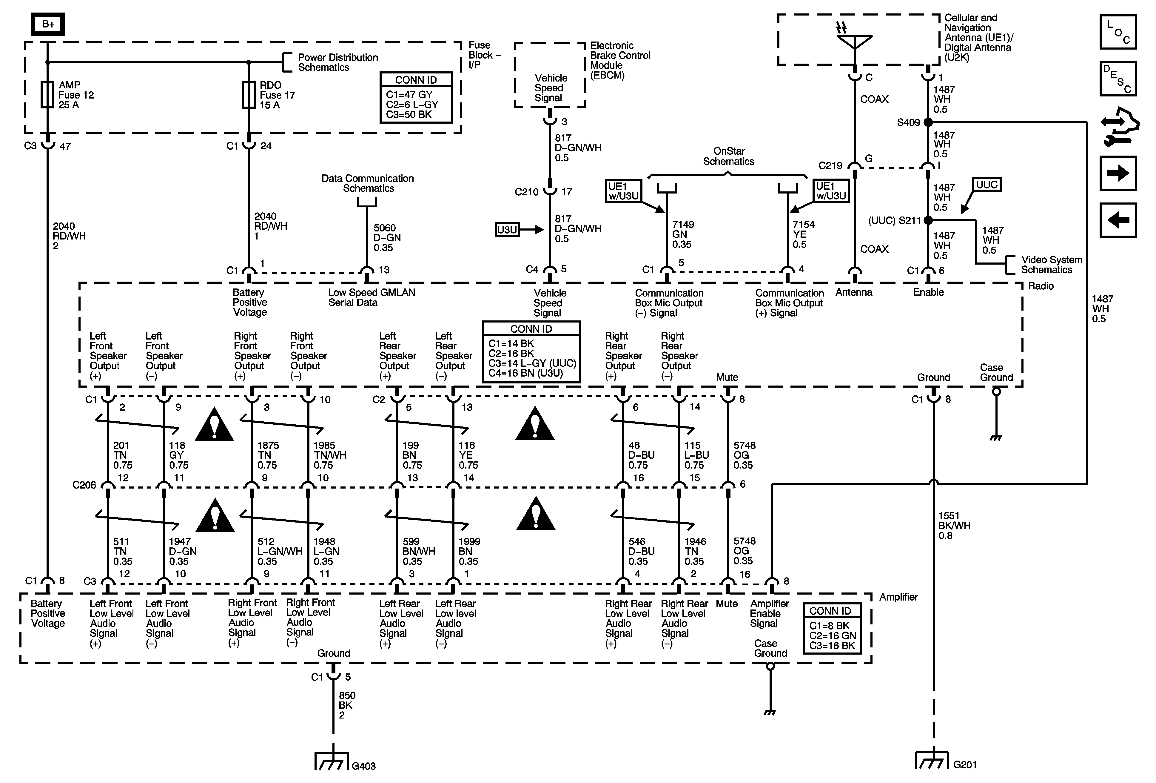
🢒 Radio w/U65 - 1 of 2
Radio w/U65 - 1 of 2
Radio w/U65 -- 1 of 2
Master Electrical Component List
Radio/Audio System Description and Operation
Control Module References
Radio w/U65 - 2 of 2
Radio w/UW6
AMP, BCM, CHMSL/DM/LAMP, HVAC/RFA and RDO Fuse
Serial Data, Traction Switch, and Instrument Panel
Low Speed GMLAN
OnStar Schematics
Power, Ground, and Video Signals
G403
G201