GM Service Manual Online
For 1990-2009 cars only
Makes
🢒
Pontiac
🢒
2003
🢒
Vibe - FWD
🢒
Body and Accessories
🢒
Doors
🢒 Power Window Schematics
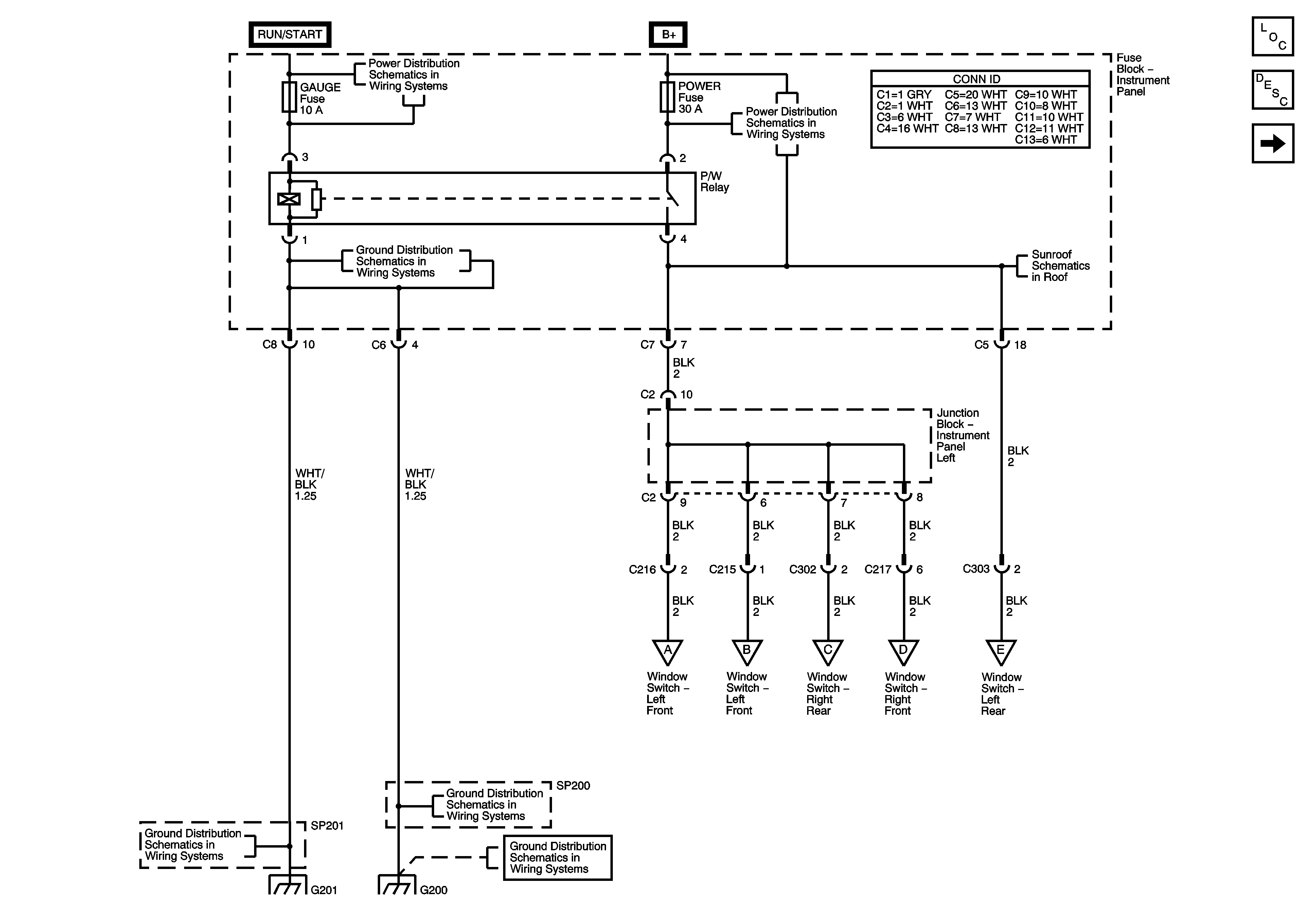
Figure
1:
Power Windows (1 of 2)
Master Electrical Component List
Power Windows Description and Operation
Power Windows (2 of 2)
WASH, RR WIP, WIPER, ECU-IG, GAUGE, HEATER, and DEF Fuses
POWER, AM-1, DOOR, TAIL, P/POINT, ECU-B, STOP, OBD and INV Fuses
SP201 and G201
SP200 and G200
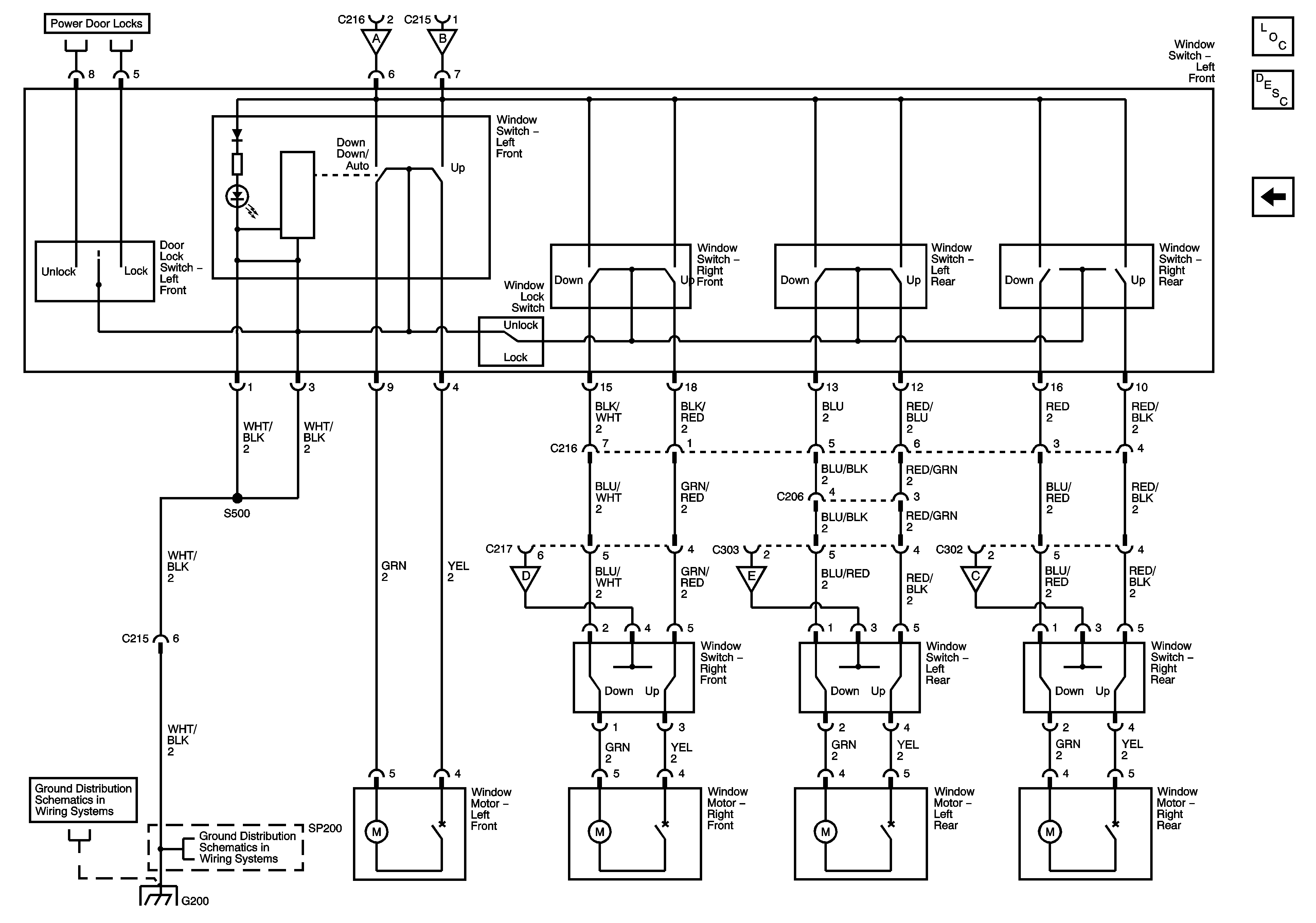
Figure
2:
Power Windows (2 of 2)
Master Electrical Component List
Power Windows Description and Operation
Power Windows (1 of 2)
SP200 and G200