GM Service Manual Online
For 1990-2009 cars only
Makes
🢒
Pontiac
🢒
2003
🢒
Vibe - FWD
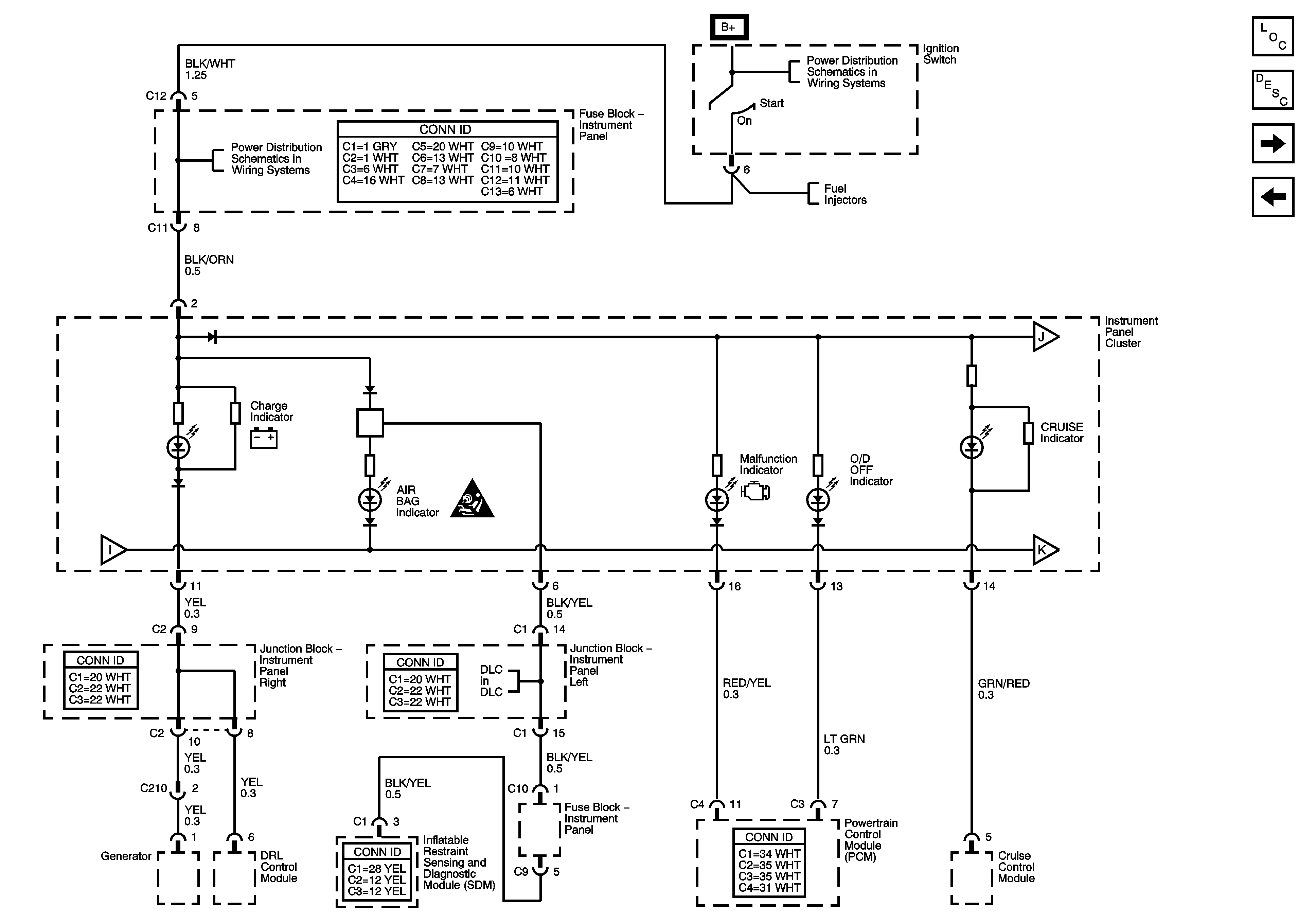
🢒 Charge, Air Bag, Malfunction, O/D Off, Cruise Indicators
Charge, Air Bag, Malfunction, O/D Off, Cruise Indicators
Charge, Air Bag, Malfunction, O/D Off, Cruise Indicators
Master Electrical Component List
Brake, ABS Indicators, Turn Indicators
IP Illumination, Low Washer Fluid, Oil Pressure Indicators
Ignition Switch and C/OPN Relay
Ignition Switch and C/OPN Relay