GM Service Manual Online
For 1990-2009 cars only
Makes
🢒
Pontiac
🢒
2003
🢒
Vibe - FWD
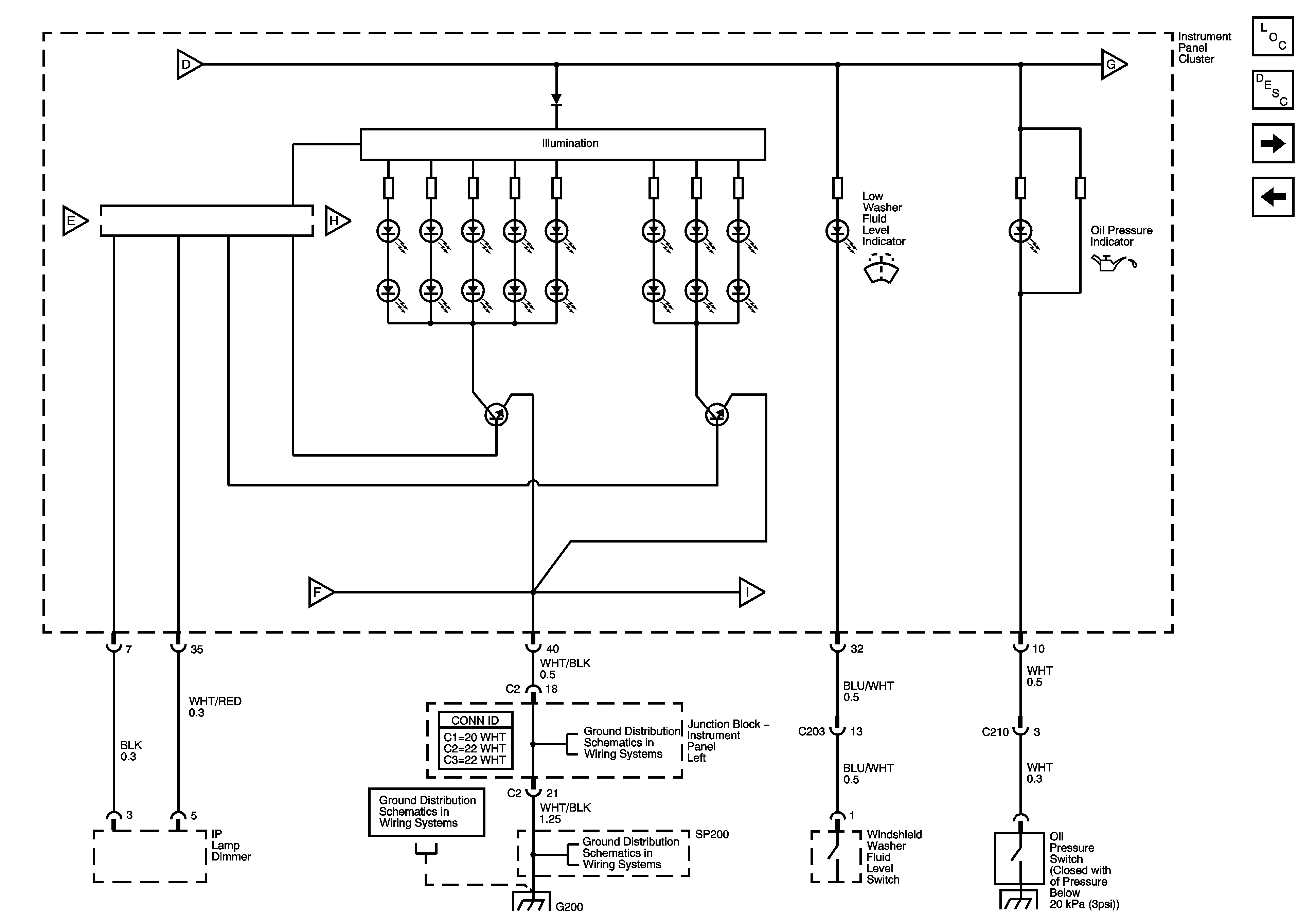
🢒 IP Illumination,Low Washer Fluid, Oil Pressure Indicators
IP Illumination,Low Washer Fluid, Oil Pressure Indicators
IP Illumination, Low Washer Fluid, Oil Pressure Indicators
Master Electrical Component List
Charge, Air Bag, Malfunction, O/D Off, Cruise Indicators
Fuel Gauge, Seat Belt, Low Fuel Indicators and Seat Belt Buzzer
Left Instrument Panel Junction Block
SP200 and G200