GM Service Manual Online
For 1990-2009 cars only
Makes
🢒
Pontiac
🢒
2003
🢒
Vibe - FWD
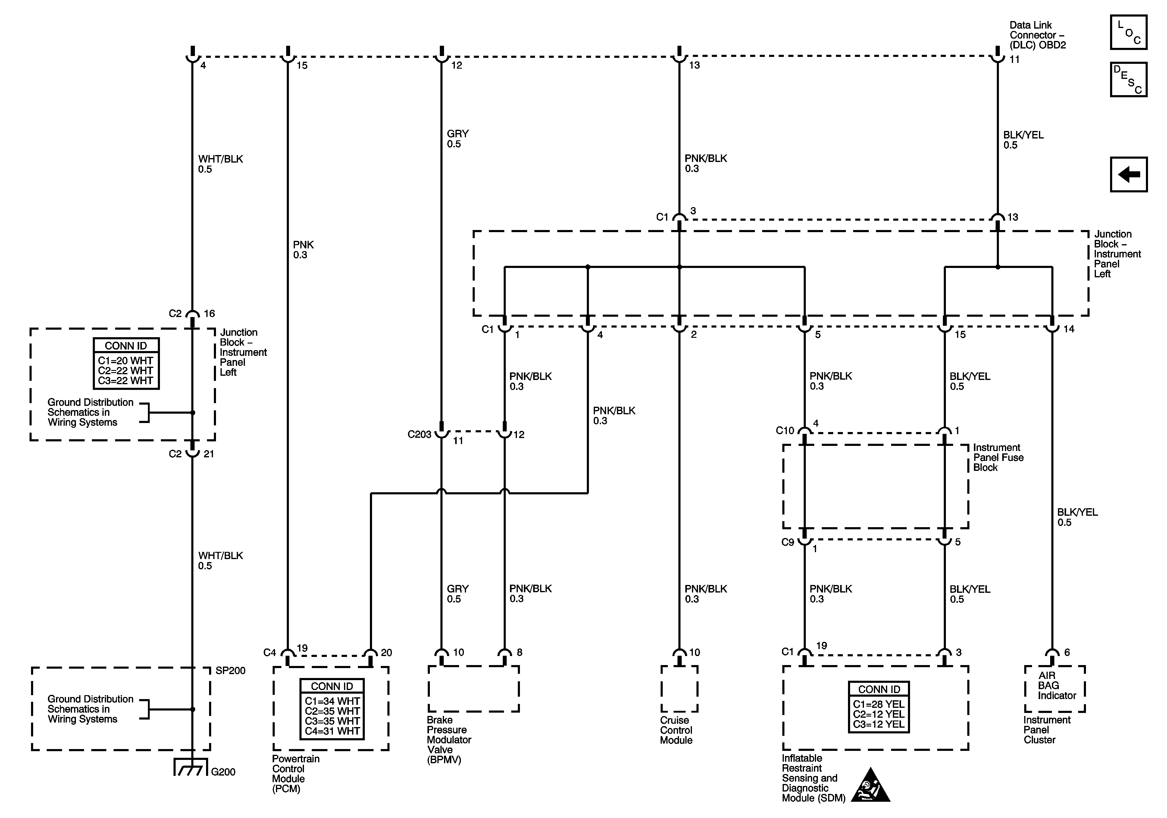
🢒 Data Link Communications Schematics (2 of 2)
Data Link Communications Schematics (2 of 2)
Data Link Connector (DLC (2 of 2))
Master Electrical Component List
Data Link Communications Description and Operation
SIR Handling Caution
Data Link Communications Schematics (1 of 2)
Left Instrument Panel Junction Block
SP200 and G200