GM Service Manual Online
For 1990-2009 cars only
Makes
🢒
Pontiac
🢒
2004
🢒
Vibe - FWD
🢒
Transmission/Transaxle
🢒
Automatic Transmission - MU5
🢒 Automatic Transmission Controls Schematics
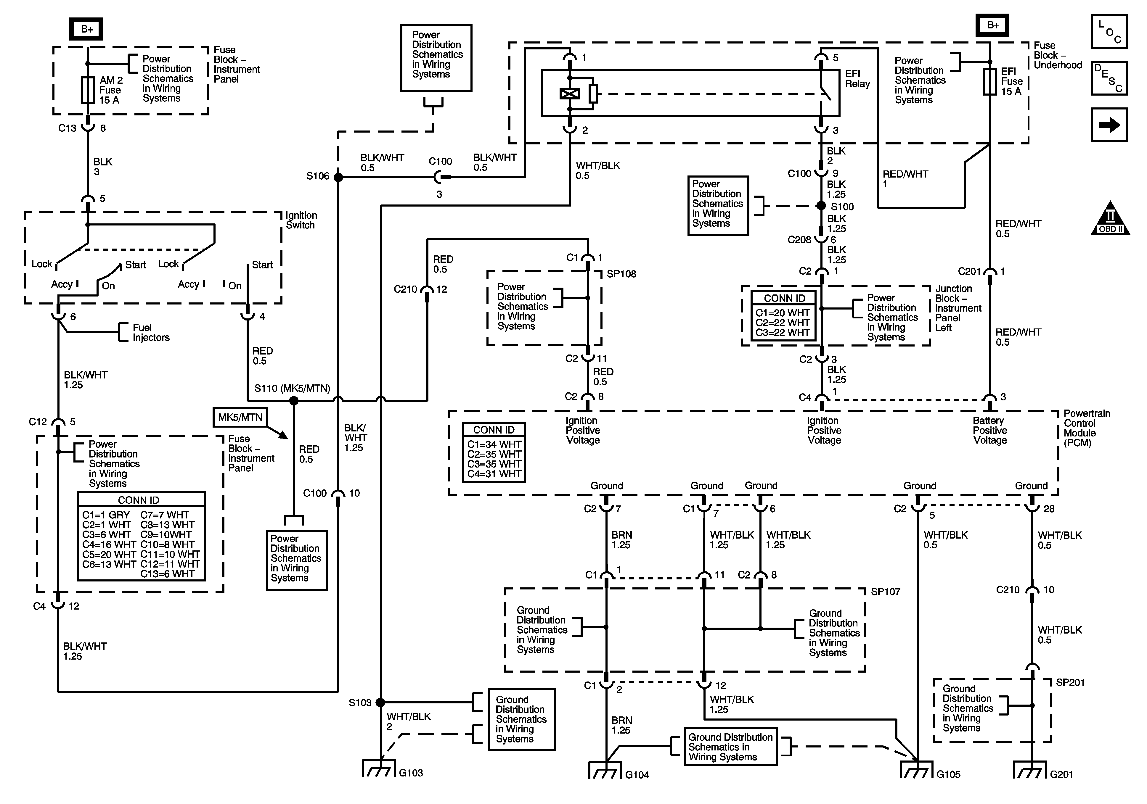
Figure
1:
Powertrain Control Module (PCM) Power and Ground
Master Electrical Component List
Transmission General Description
Park Neutral Position (PNP) Switch
OBD II Symbol Description Notice
Horn, Dome, Main, Amp Fuses
Ignition Switch (1 of 2)
Ignition Switch (2 of 2)
Ignition Switch (1 of 2)
Ignition Switch (2 of 2)
Ignition Switch (1 of 2)
G104
G103
S 100
Air Pump, Headlamps, Alt S, EFI, Hazard Fuses
S 100
G105, G106 and G107
SP201 and G201
G104
G105, G106 and G107
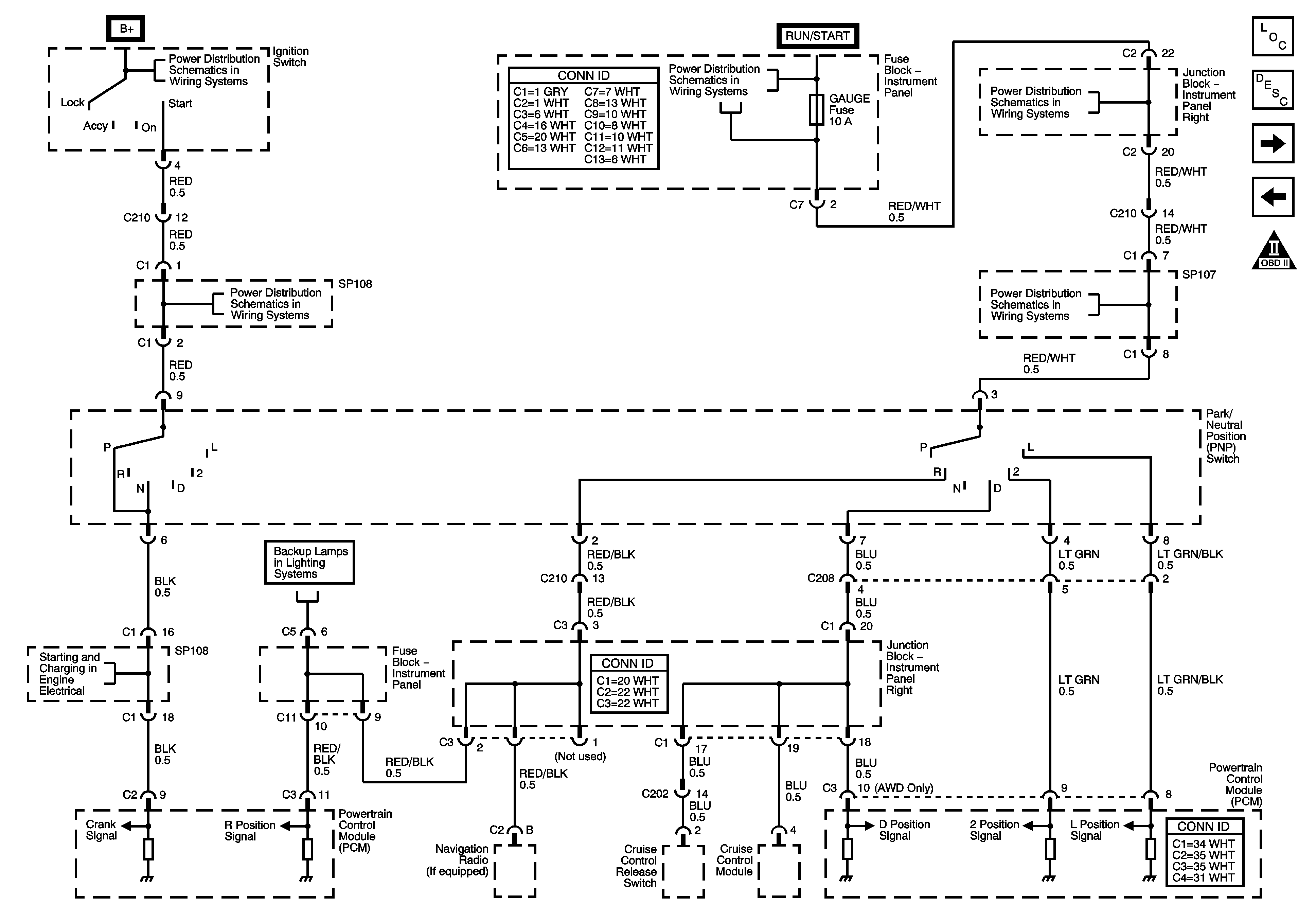
Figure
2:
Park/Neutral Position Switch
Master Electrical Component List
Transmission General Description
Transmission Solenoids
Powertrain Control Module (PCM) Power and Ground
OBD II Symbol Description Notice
Ignition Switch (1 of 2)
Ignition Switch (1 of 2)
Starting System
Back Up Lamps
Wash, RR Wip, Wiper, ECU-IG, Gauge, Heater, Def Fuses
Junction Block-Instrument Panel Right
Junction Block-Instrument Panel Right
Figure
3:
Transmission Solenoids
Master Electrical Component List
Transmission General Description
Vehicle Speed Sensor (VSS), Overdrive Switch and Indicator
Park Neutral Position (PNP) Switch
OBD II Symbol Description Notice
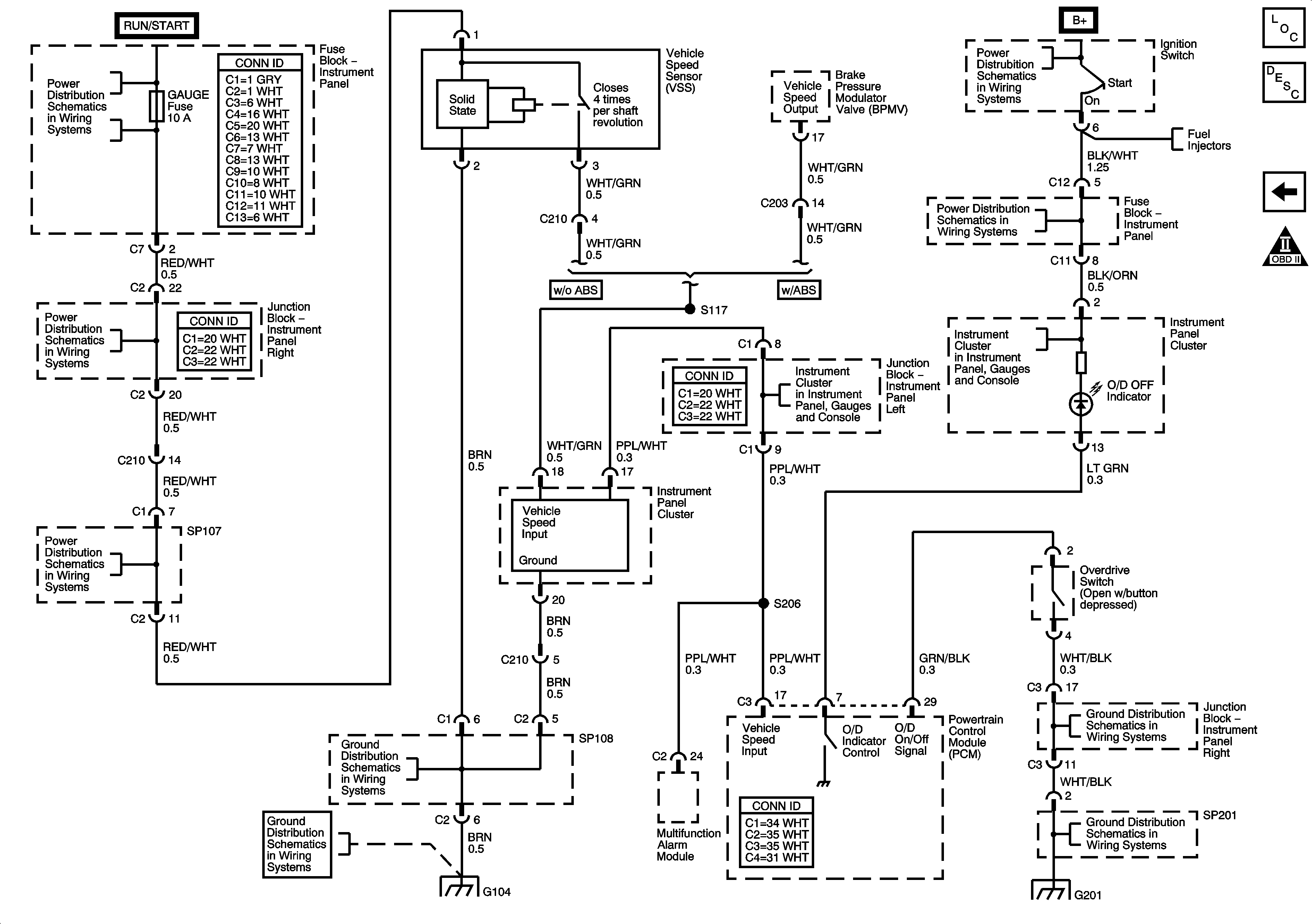
Figure
4:
Vehicle Speed Sensor (VSS), Overdrive Switch and Indicator
Master Electrical Component List
Transmission General Description
Transmission Solenoids
OBD II Symbol Description Notice
Wash, RR Wip, Wiper, ECU-IG, Gauge, Heater, Def Fuses
Junction Block-Instrument Panel Right
Junction Block-Instrument Panel Right
G104
G104
Tachometer, Speedometer and Headlamps ON Indicator
Charge, Air Bag, Malfunction O/D Off, Cruise Indicators
Ignition Switch (2 of 2)
Ignition Switch (2 of 2)
Junction Block-Instrument Panel Right
SP201 and G201