GM Service Manual Online
For 1990-2009 cars only
Figure 1:

Powertrain Control Module (PCM) Power and Ground


Object Number: 785454  Size: FS
Master Electrical Component List
Transmission General Description
Park Neutral Position (PNP) Switch
OBD II Symbol Description Notice
Horn, Dome, Main, Amp Fuses
Ignition Switch (1 of 2)
Ignition Switch (2 of 2)
Ignition Switch (1 of 2)
Ignition Switch (2 of 2)
Ignition Switch (1 of 2)
G104
G103
S 100
Air Pump, Headlamps, Alt S, EFI, Hazard Fuses
S 100
G105, G106 and G107
SP201 and G201
G104
G105, G106 and G107
Figure 2:

Park/Neutral Position Switch


Object Number: 785559  Size: FS
Master Electrical Component List
Transmission General Description
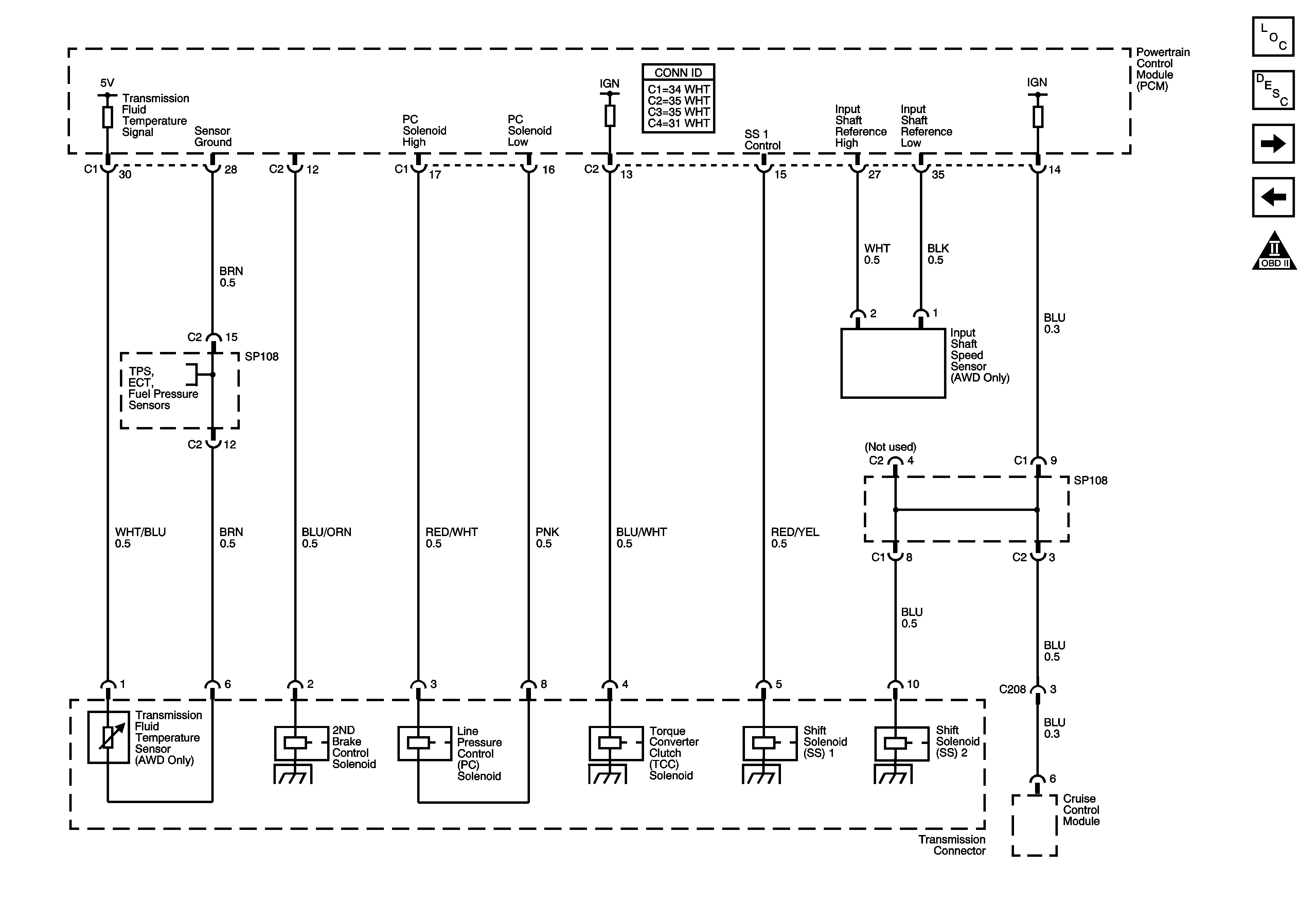
Transmission Solenoids and Input Shaft Speed Sensor
Powertrain Control Module (PCM) Power and Ground
OBD II Symbol Description Notice
Ignition Switch (1 of 2)
Ignition Switch (1 of 2)
Starting System
Back Up Lamps
Wash, RR Wip, Wiper, ECU-IG, Gauge, Heater, Def Fuses
Junction Block-Instrument Panel Right
Junction Block-Instrument Panel Right
Figure 3:

Transmission Solenoids and Input Shaft Speed Sensor


Object Number: 785474  Size: FS
Master Electrical Component List
Transmission General Description
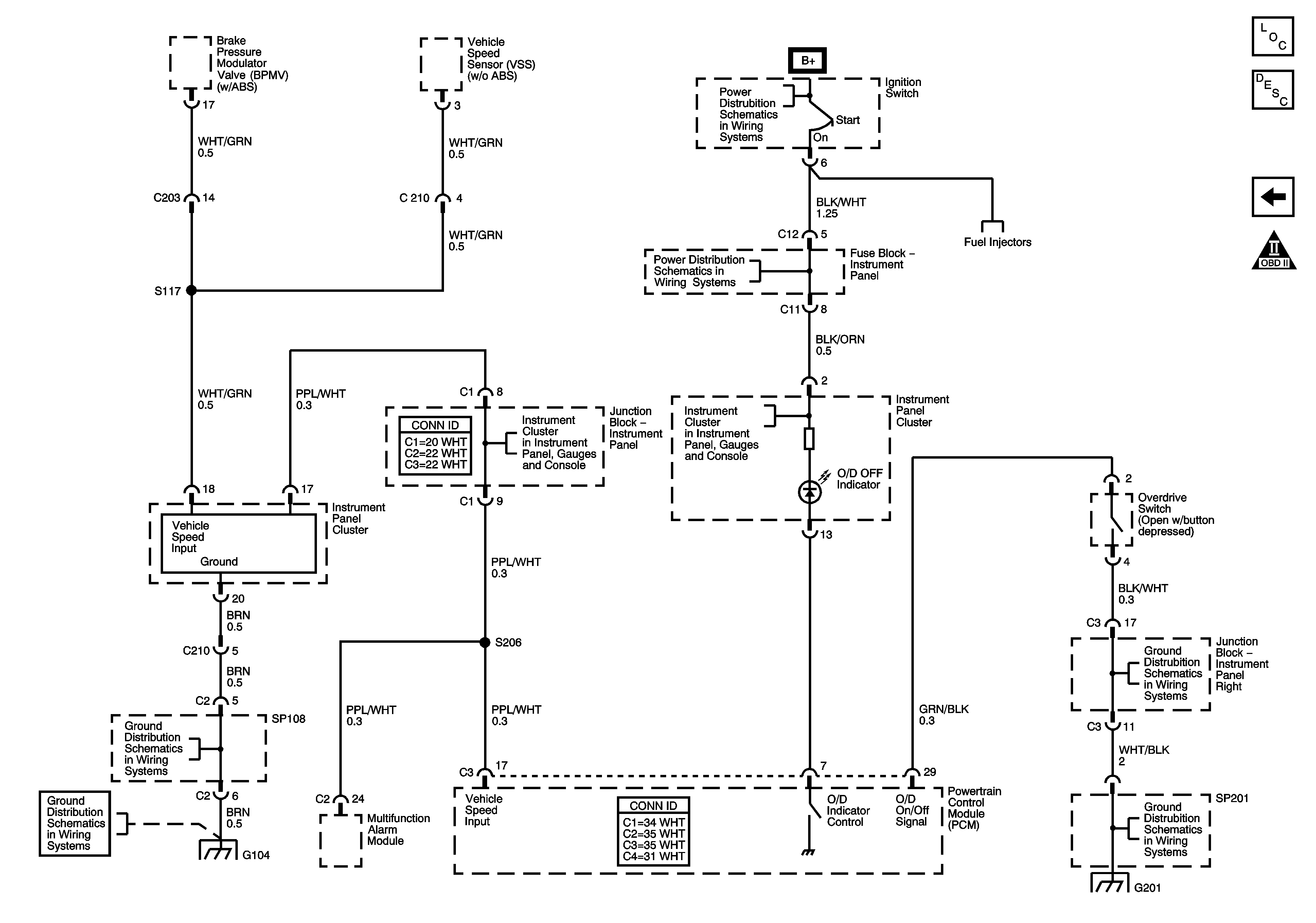
Vehicle Speed Input, Overdrive Switch and Indicator
Park Neutral Position (PNP) Switch
OBD II Symbol Description Notice
Figure 4:

Vehicle Speed Input, Overdrive Switch and Indicator


Object Number: 787242  Size: FS
Master Electrical Component List
Transmission General Description
Transmission Solenoids and Input Shaft Speed Sensor
OBD II Symbol Description Notice
G104
G104
Tachometer, Speedometer and Headlamps ON Indicator
Charge, Air Bag, Malfunction O/D Off, Cruise Indicators
Ignition Switch (1 of 2)
Ignition Switch (2 of 2)
Junction Block-Instrument Panel Right
SP201 and G201