GM Service Manual Online
For 1990-2009 cars only
Makes
🢒
Pontiac
🢒
2005
🢒
Vibe - FWD
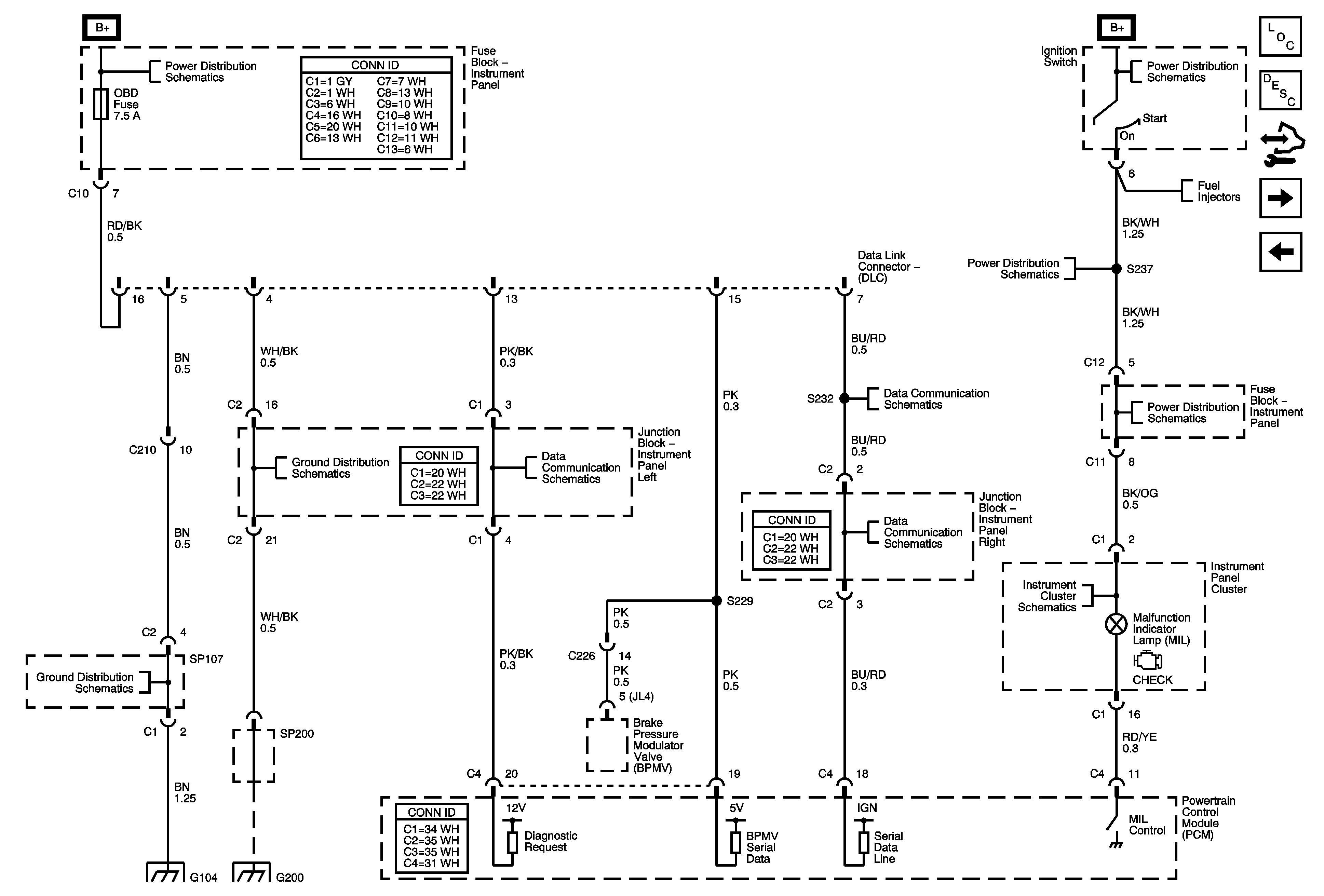
🢒 DLC
DLC
Data Link Connector
Master Electrical Component List
Powertrain Control Module Description
Control Module References
Fuel Sender Assembly
EFI Relay S100
Air Pump, ETCS, Head, Alt S, EFI, Hazard EFT 2 Fuses
Air Pump, ETCS, Head, Alt S, EFI, Hazard EFT 2 Fuses
Fuel Injectors
Air Pump, ETCS, Head, Alt S, EFI, Hazard EFT 2 Fuses
1 of 3
Air Pump, ETCS, Head, Alt S, EFI, Hazard EFT 2 Fuses
G100, G101, G102
1 of 3
1 of 3
Charge, Air Bag, Malfunction, O/D Off, Cruise Indicators
G100, G101, G102