| Figure 1: |
Module Power, Ground, Serial Data, MIL
|
| Figure 2: |
Engine Data Sensors - Pressure and Temperature
|
| Figure 3: |
Engine Data Sensors - Oxygen Sensors
|
| Figure 4: |
Ignition Controls - Ignition System
|
| Figure 5: |
Ignition Controls - Sensors
|
| Figure 6: |
Fuel Controls - Fuel Pump Controls and Fuel
Injectors
|
| Figure 7: |
Fuel Controls - EVAP Controls
|
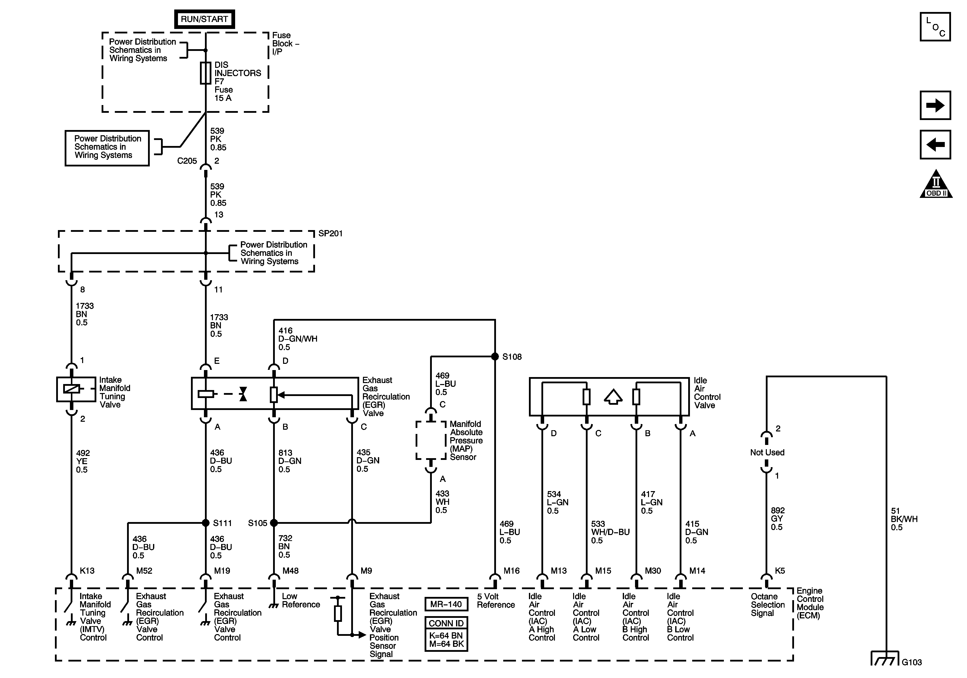
| Figure 8: |
Device Controls
|
| Figure 9: |
Controlled/Monitored Subsystem References
|