GM Service Manual Online
For 1990-2009 cars only

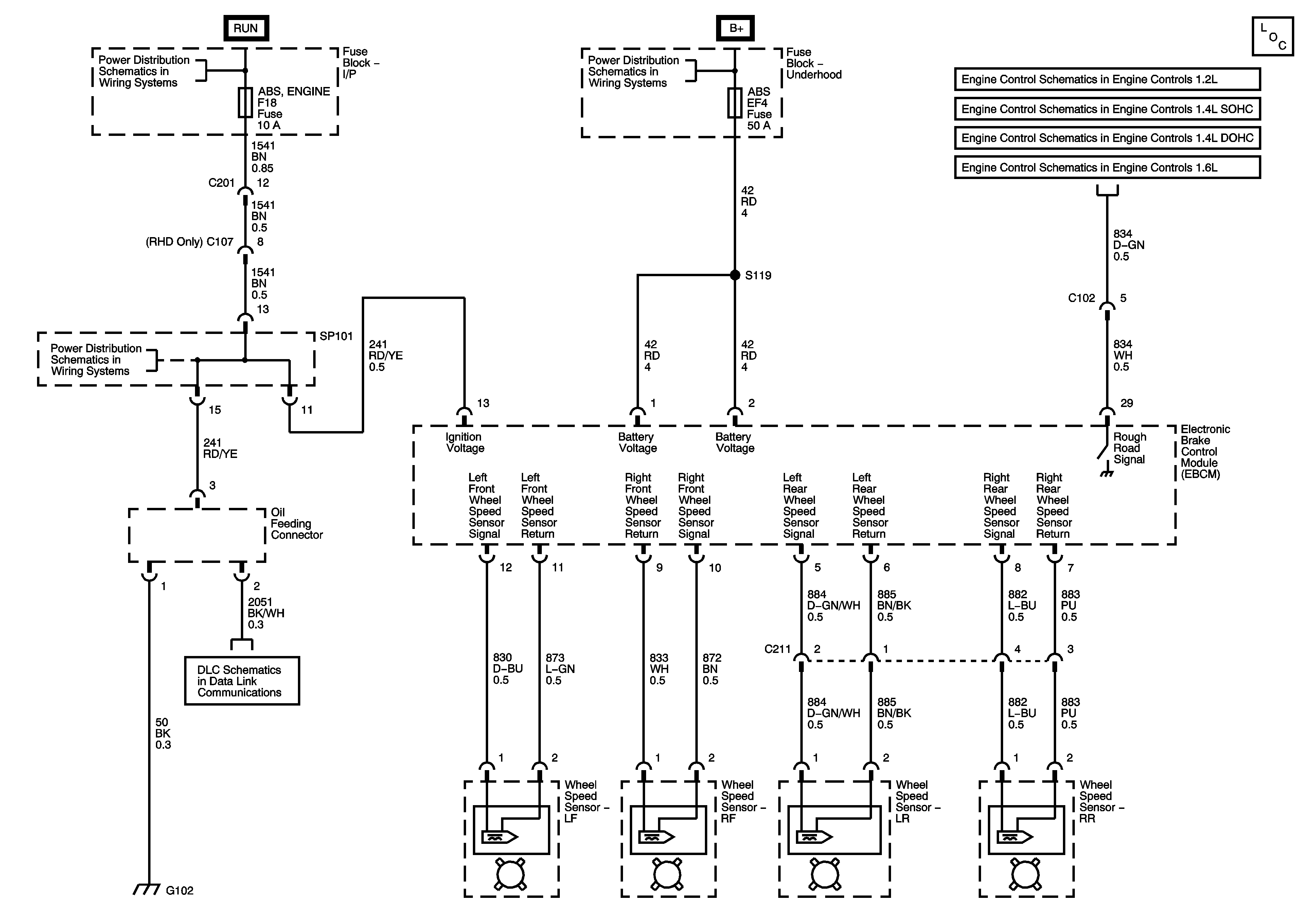
Antilock Brake System Schematics DBC7

ABS


Object Number: 1257892  Size: FS
Master Electrical Component List
Instrument Panel Fuse Block - ABS Engine Fuse
Underhood Fuse Block - ABS, Blower, Horn, Sunroof, Defog Fuses
Underhood Fuse Block - Battery Feeds
Instrument Panel Fuse Block - ABS Engine Fuse
DLC - 1.4L, 1.5L, 1.6L

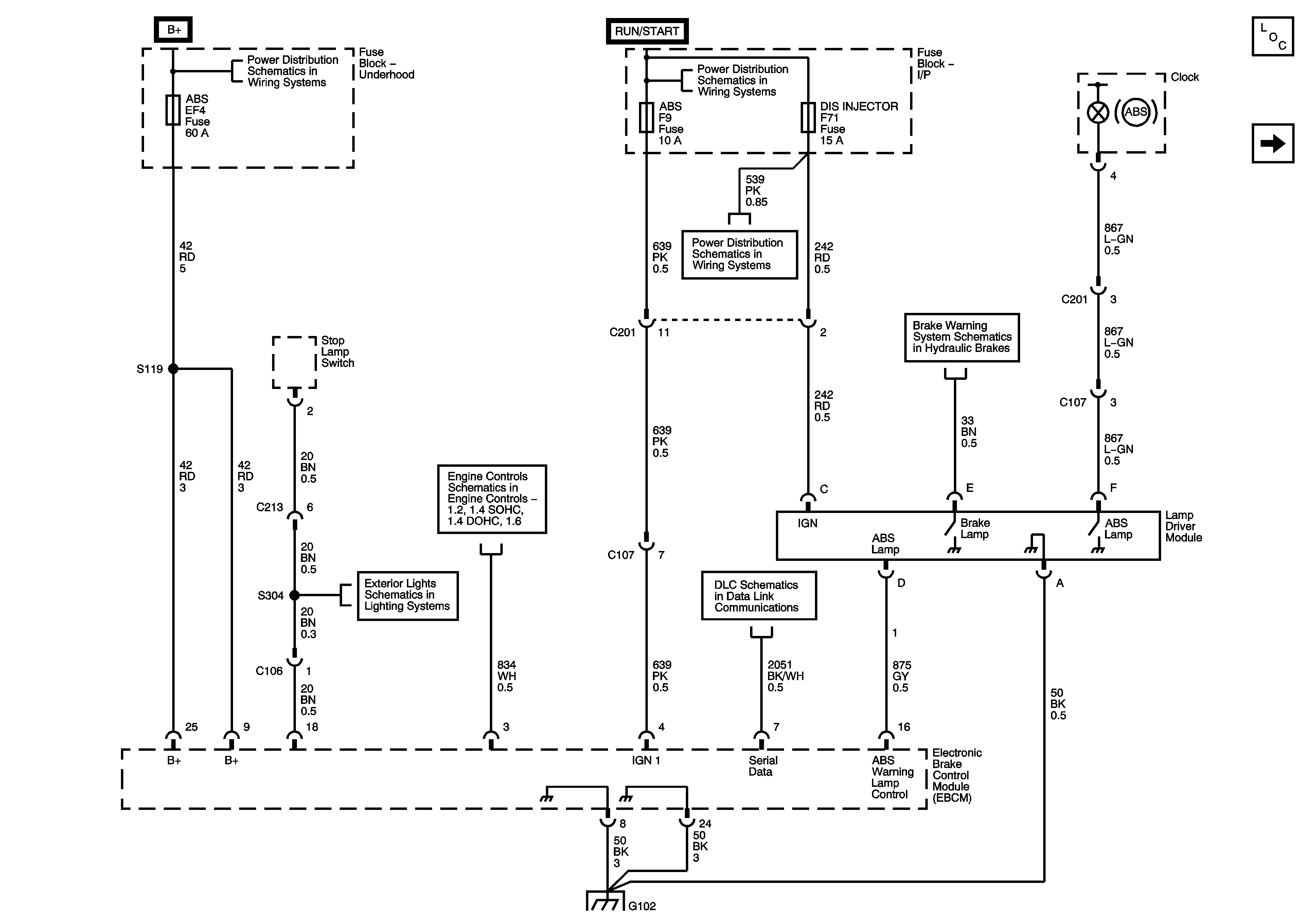
Antilock Brake System Schematics Mando

Figure 1:

Module Power, Ground, Data Link Connector (DLC) and Warning Lamps


Object Number: 1509917  Size: FS
Master Electrical Component List
Wheel Speed Sensors
Underhood Fuse Block - ABS, Blower, Horn, Sunroof, Defog Fuses
Underhood Fuse Block - ABS, Blower, Horn, Sunroof, Defog Fuses
Underhood Fuse Block - IGN 2 Fuse, Ignition Switch, I/P Fuse Block, - DIS INJECTOR, ECM TCM, WIPER WASHER, and HVAC BLOWER Fuses
Mando ABS-LHD
Module Power, Ground, Serial Data and MIL
Module Power, Ground, Seral Data, Malfunction Indicator Lamp (MIL)
Module Power, Ground, Serial Data, Malfunction Indicator Lamp (MIL)
Module Power, Ground, Serial Data, MIL
Stoplamps CHMSL
DLC - 1.4L, 1.5L, 1.6L
Figure 2:

Wheel Speed Sensors


Object Number: 1509919  Size: FS
Master Electrical Component List
Module Power, Ground, Data Link Connector (DLC), and Warning Lamps