GM Service Manual Online
For 1990-2009 cars only
Makes
🢒
Pontiac
🢒
2005
🢒
Wave
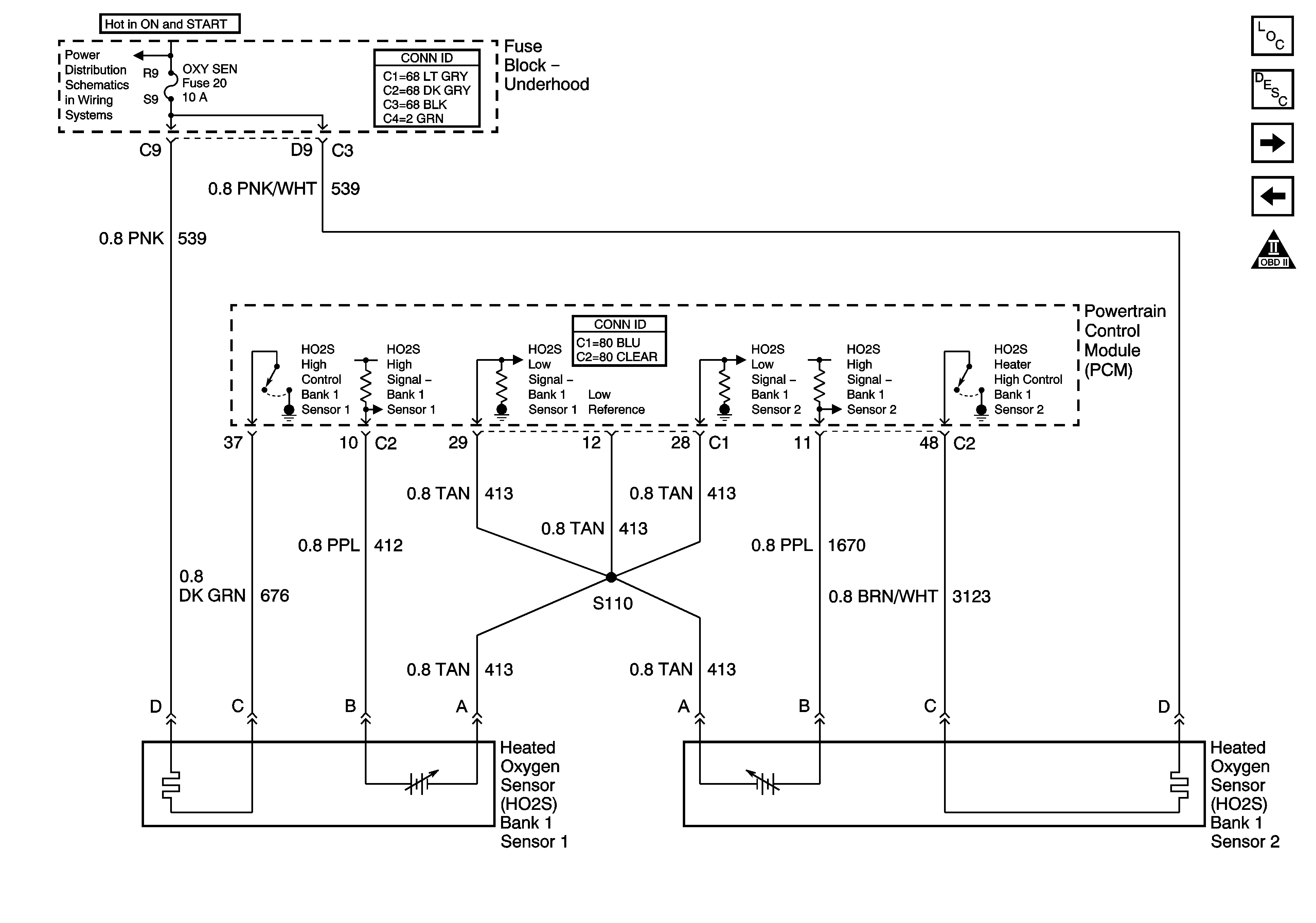
🢒 Heated Oxygen Sensors (HO2S)
Heated Oxygen Sensors (HO2S)
Heated Oxygen Sensors (HO2S)
Master Electrical Component List
Powertrain Control Module Description
Ignition Controls
Engine Data Sensors; MAF, VSS, and Extended Brake Travel Switch
OBD II Symbol Description Notice
TRANS, DIS, OXY SEN, and IGN 1 Fuses - 3.8L