GM Service Manual Online
For 1990-2009 cars only
Makes
🢒
Pontiac
🢒
2005
🢒
Wave
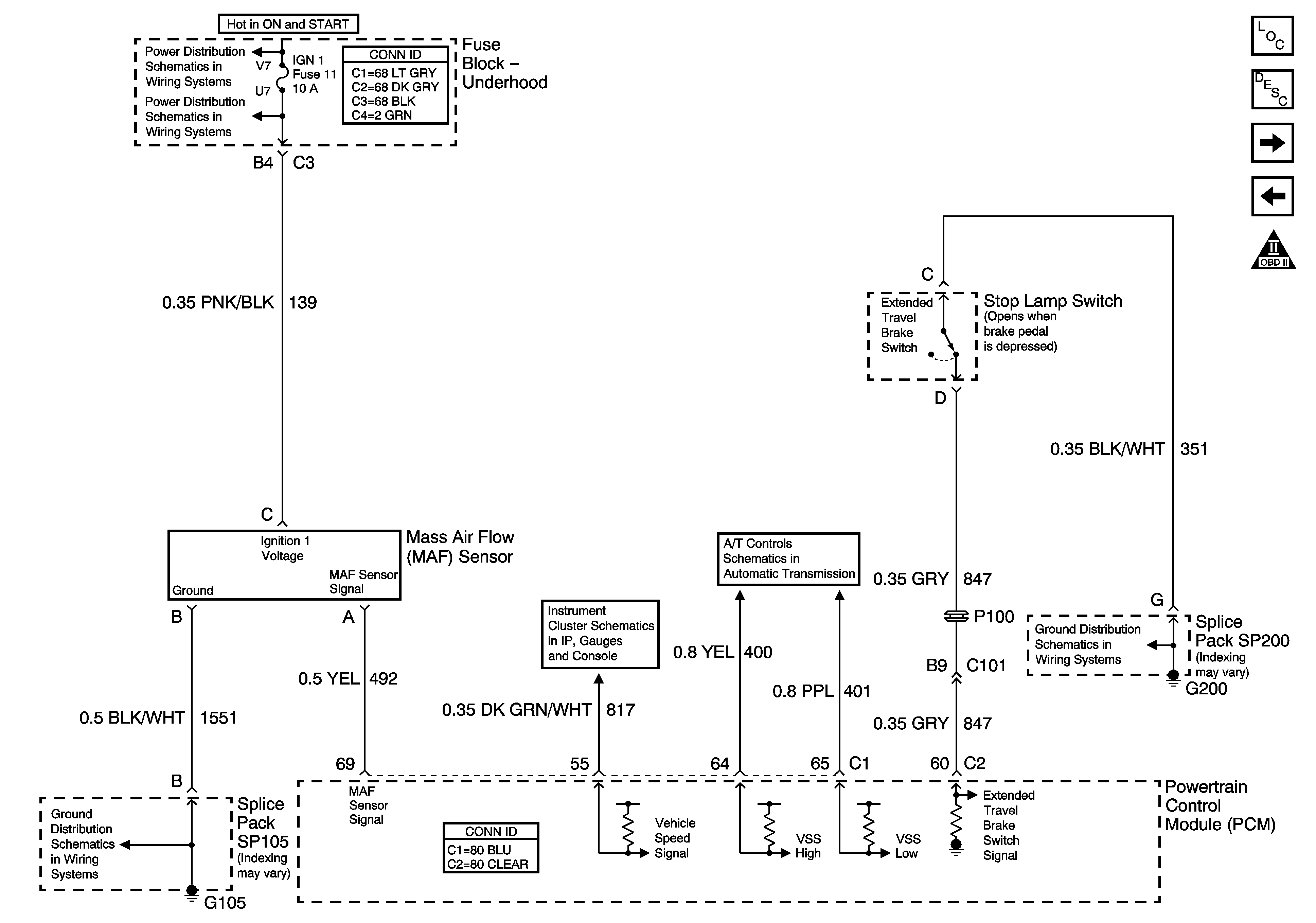
🢒 Engine Data Sensors; MAF, VSS, and Extended Brake Travel Switch
Engine Data Sensors; MAF, VSS, and Extended Brake Travel Switch
Engine Data Sensors - MAF, VSS and Extended Brake Travel Switch
Master Electrical Component List
Powertrain Control Module Description
Heated Oxygen Sensors (HO2S)
Engine Data Sensors Pressure, and Temperature
OBD II Symbol Description Notice
G104 and G105 - 3.8L
TRANS, DIS, OXY SEN, and IGN 1 Fuses - 3.8L
TRANS, DIS, OXY SEN, and IGN 1 Fuses - 3.8L
PCM Signals - Speedometer, Tachometer, and Fuel Indicators
Transaxle Inputs
G200