GM Service Manual Online
For 1990-2009 cars only
Makes
🢒
Pontiac
🢒
2005
🢒
Wave
🢒 Ignition Controls
Ignition Controls
Ignition Controls
Master Electrical Component List
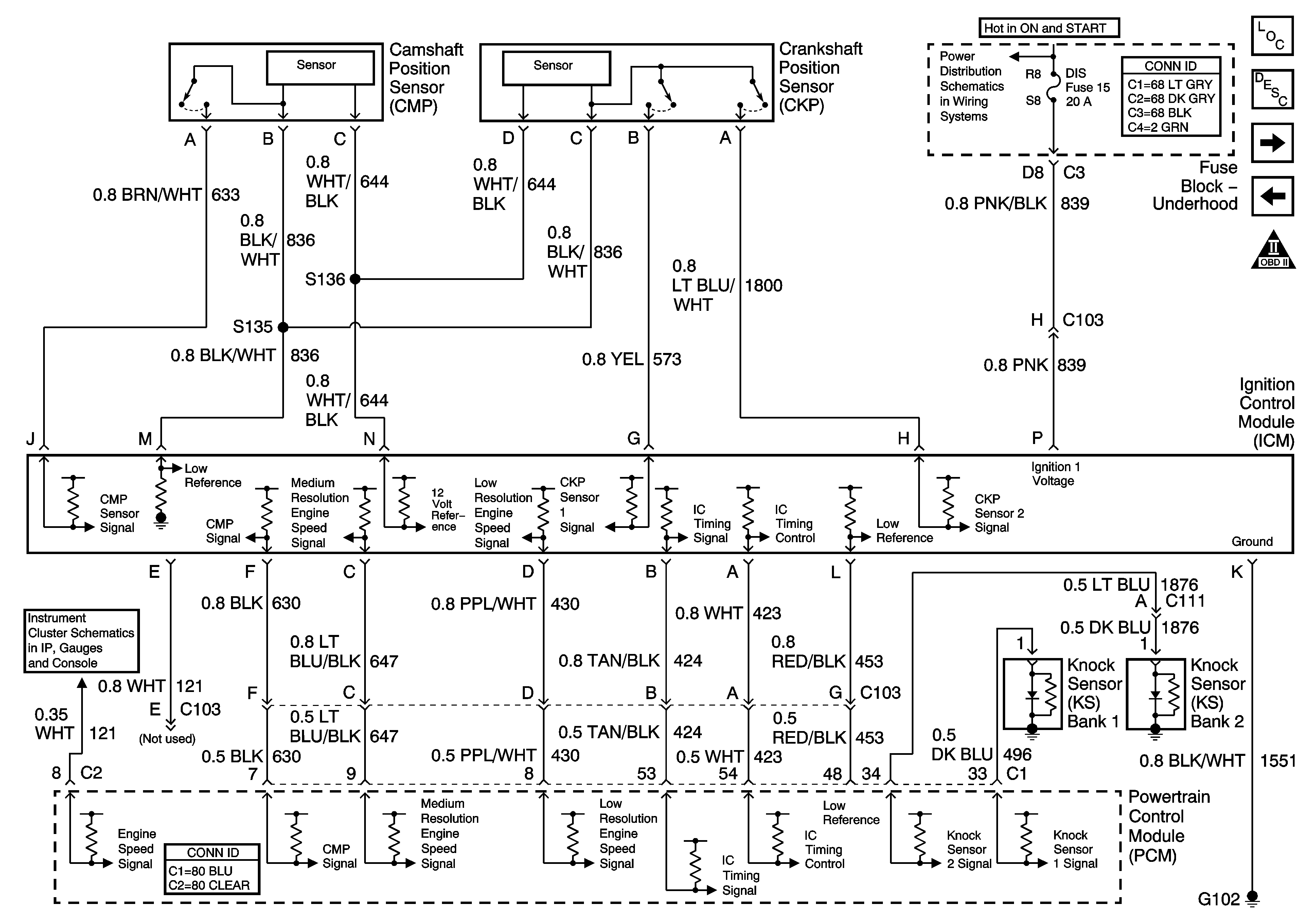
Electronic Ignition (EI) System Description
Fuel Pump Controls
Heated Oxygen Sensors (HO2S)
OBD II Symbol Description Notice
PCM Signals - Speedometer, Tachometer, and Fuel Indicators
TRANS, DIS, OXY SEN, and IGN 1 Fuses - 3.8L