GM Service Manual Online
For 1990-2009 cars only
Makes
🢒
Pontiac
🢒
2005
🢒
Wave
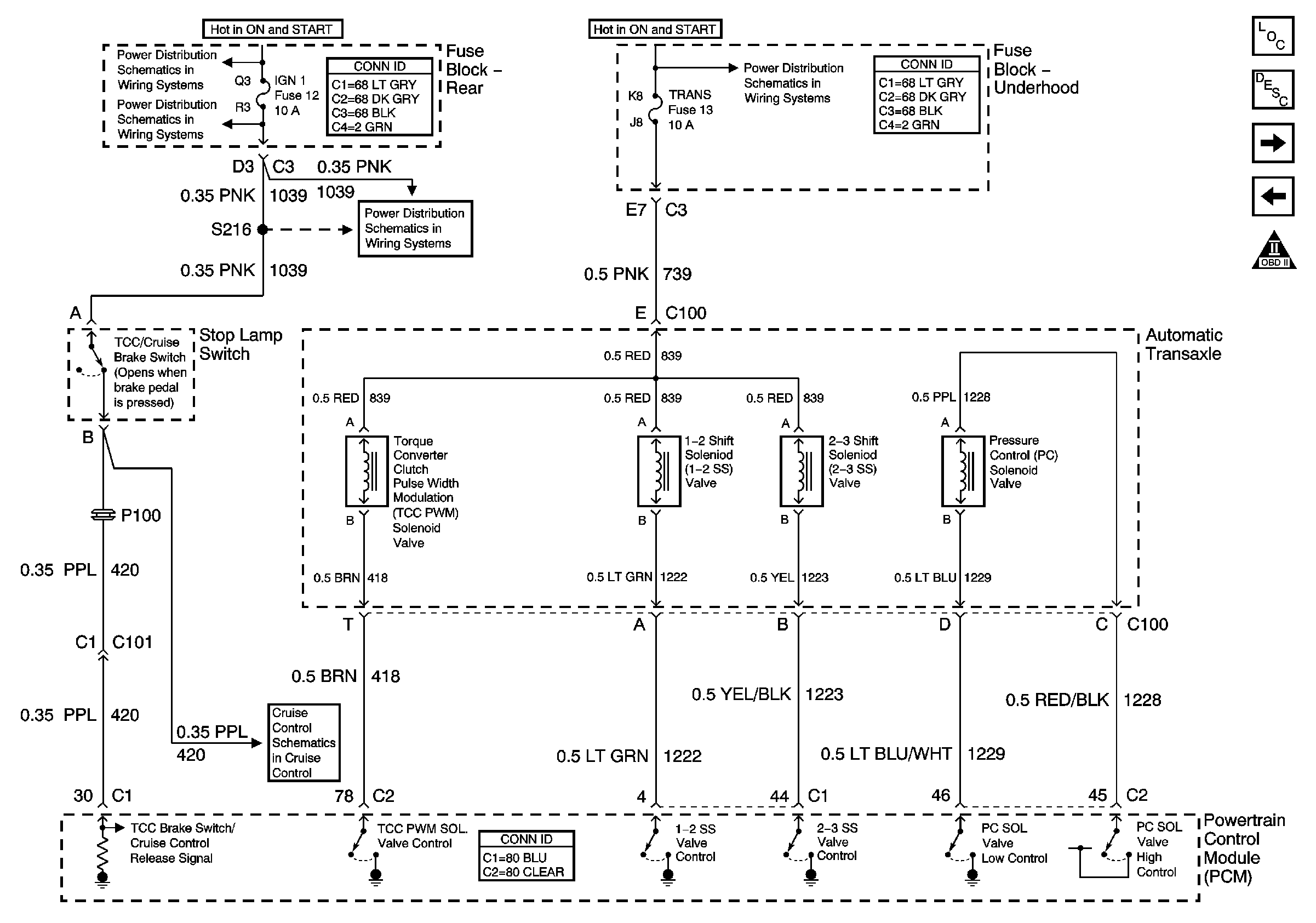
🢒 Power to the Transaxle and Solenoid Controls
Power to the Transaxle and Solenoid Controls
Power to the Transaxle and Solenoid Controls
Master Electrical Component List
Electronic Component Description
Internal Mode Switch Inputs
Transaxle Inputs
OBD II Symbol Description Notice
IGN-1, VENT SOL, and SIR Fuses
IGN-1, VENT SOL, and SIR Fuses
IGN-1, VENT SOL, and SIR Fuses
TRANS, DIS, OXY SEN, and IGN 1 Fuses - 3.8L
Power and Ground - 3.8L