GM Service Manual Online
For 1990-2009 cars only
Makes
🢒
Pontiac
🢒
2005
🢒
Wave
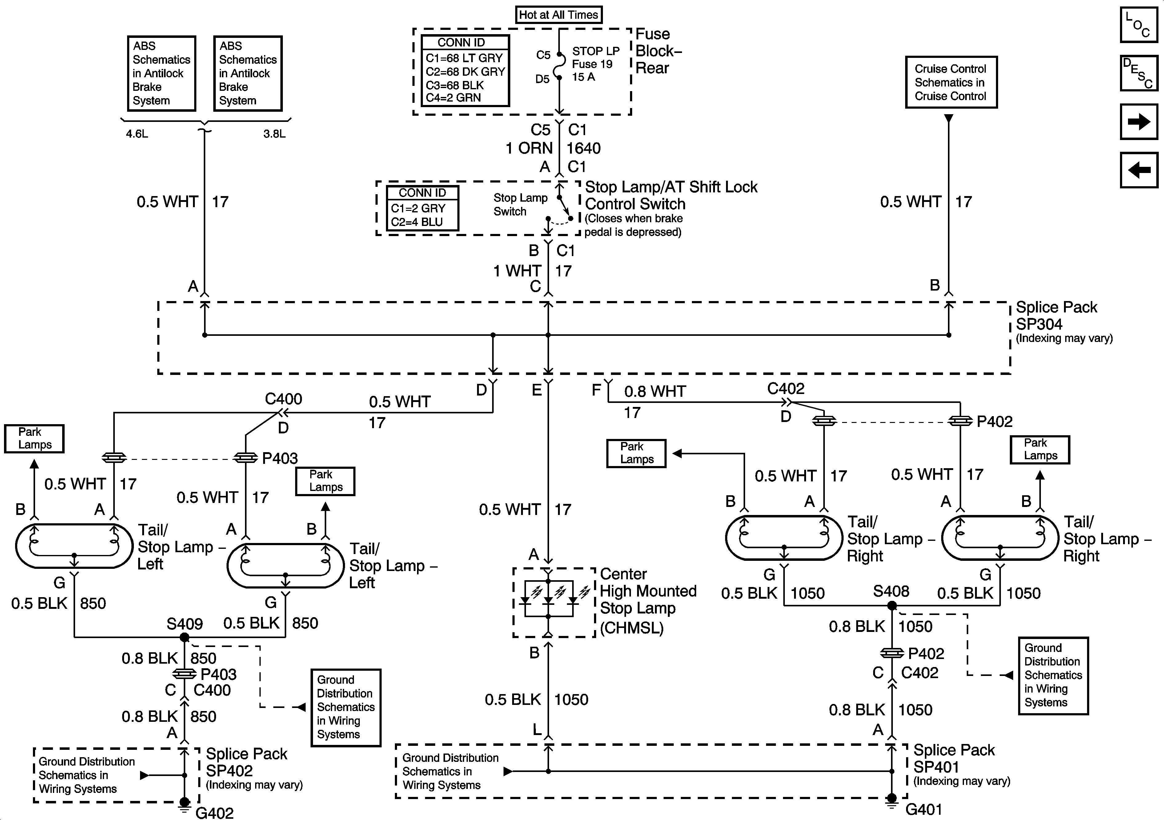
🢒 Stop Lamps
Stop Lamps
Stop Lamps
Master Electrical Component List
Exterior Lighting Systems Description and Operation
Left Park and Side Marker Lamps
Turn Signal Lamps and Indicators
Power, Ground, and BPMV Valve - 4.6L
Power, Ground, and BPMV Valve - 3.8L
Cruise Control Module, and VSS
Left Park and Side Marker Lamps
Left Park and Side Marker Lamps
Right Park and Side Marker Lamps
Right Park and Side Marker Lamps
G402
G402
G401 - 2 of 2
G401 - 2 of 2