GM Service Manual Online
For 1990-2009 cars only
Makes
🢒
Pontiac
🢒
2005
🢒
Wave
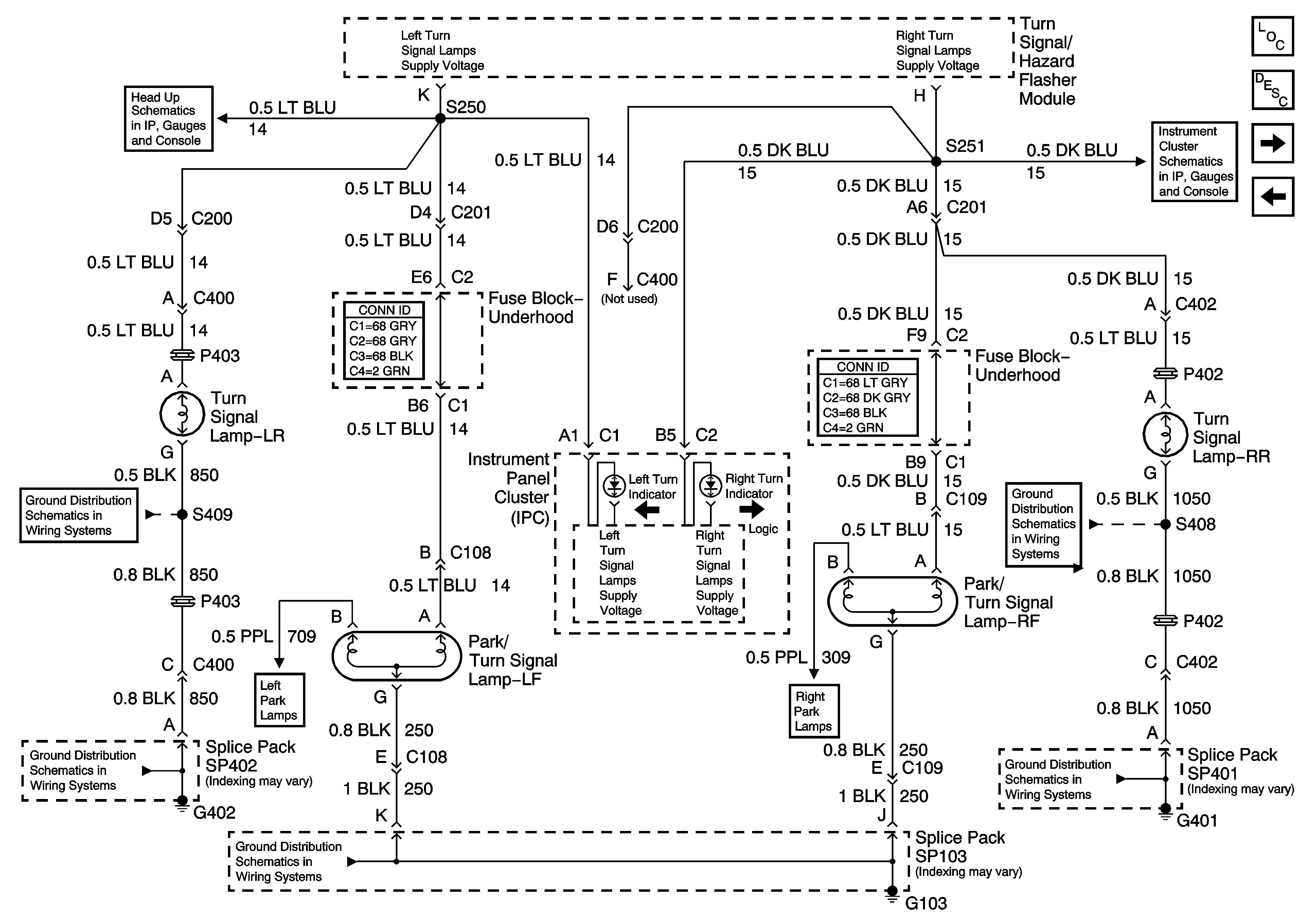
🢒 Turn Signal Lamps and Indicators
Turn Signal Lamps and Indicators
Turn Signal Lamps and Indicators
Master Electrical Component List
Exterior Lighting Systems Description and Operation
Stop Lamps
Turn Signal/Hazard Flasher Module Inputs
Head Up Display
DIM, RIM, and PCM Signals - Seat Belt, High Beam, Air Bag, and Turn Signal Indicators
G402
G402
Left Park and Side Marker Lamps
G103
Right Park and Side Marker Lamps
G401 - 2 of 2
G401 - 2 of 2