GM Service Manual Online
For 1990-2009 cars only
Makes
🢒
Pontiac
🢒
2005
🢒
Wave
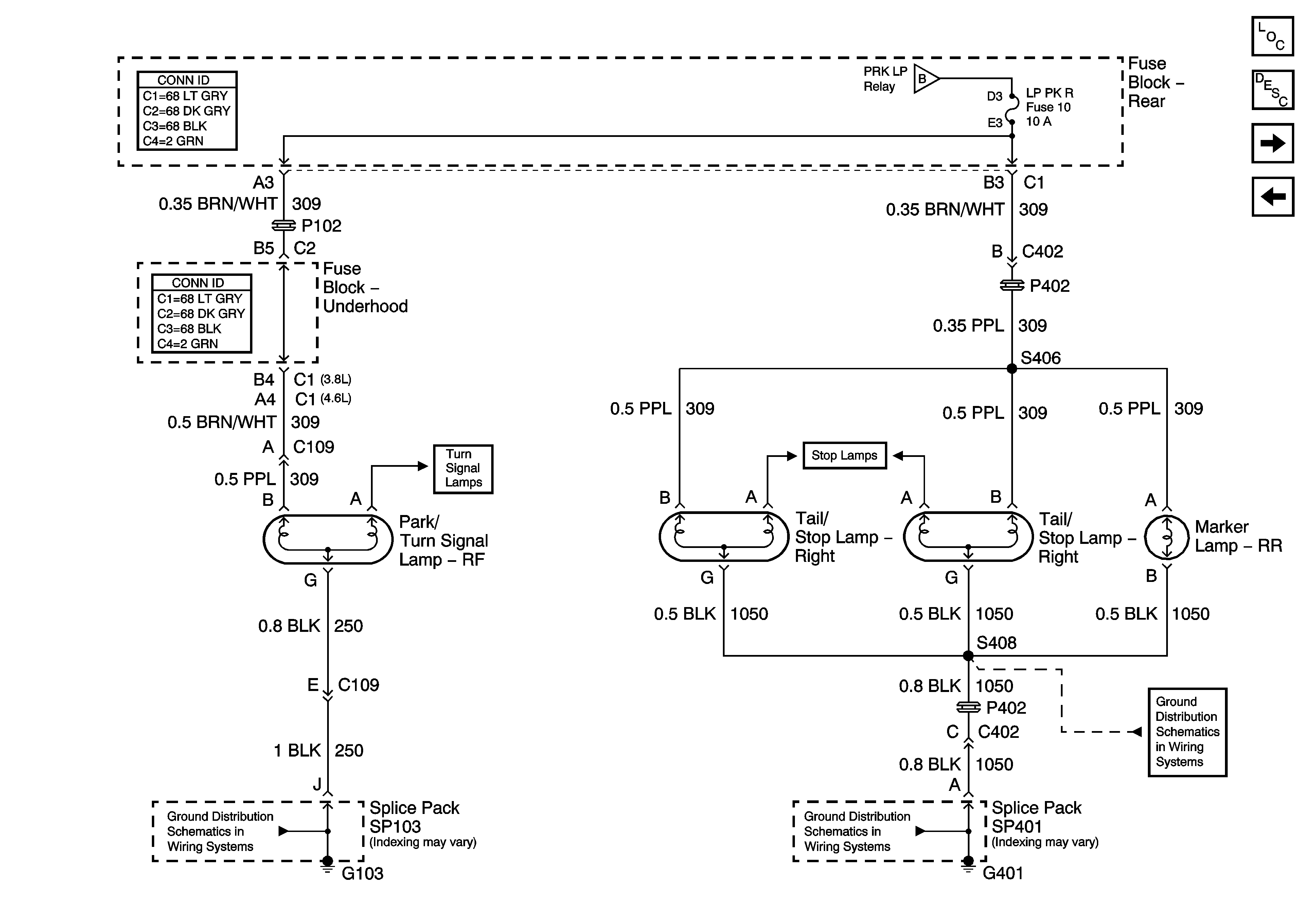
🢒 Right Park and Side Marker Lamps
Right Park and Side Marker Lamps
Right Park and Side Marker Lamps
Master Electrical Component List
Exterior Lighting Systems Description and Operation
Park LP Relay and License Lamps
Left Park and Side Marker Lamps
Park LP Relay and License Lamps
Turn Signal Lamps and Indicators
Stop Lamps
G103
G401 - 2 of 2
G401 - 2 of 2