GM Service Manual Online
For 1990-2009 cars only
Makes
🢒
Pontiac
🢒
2005
🢒
Wave
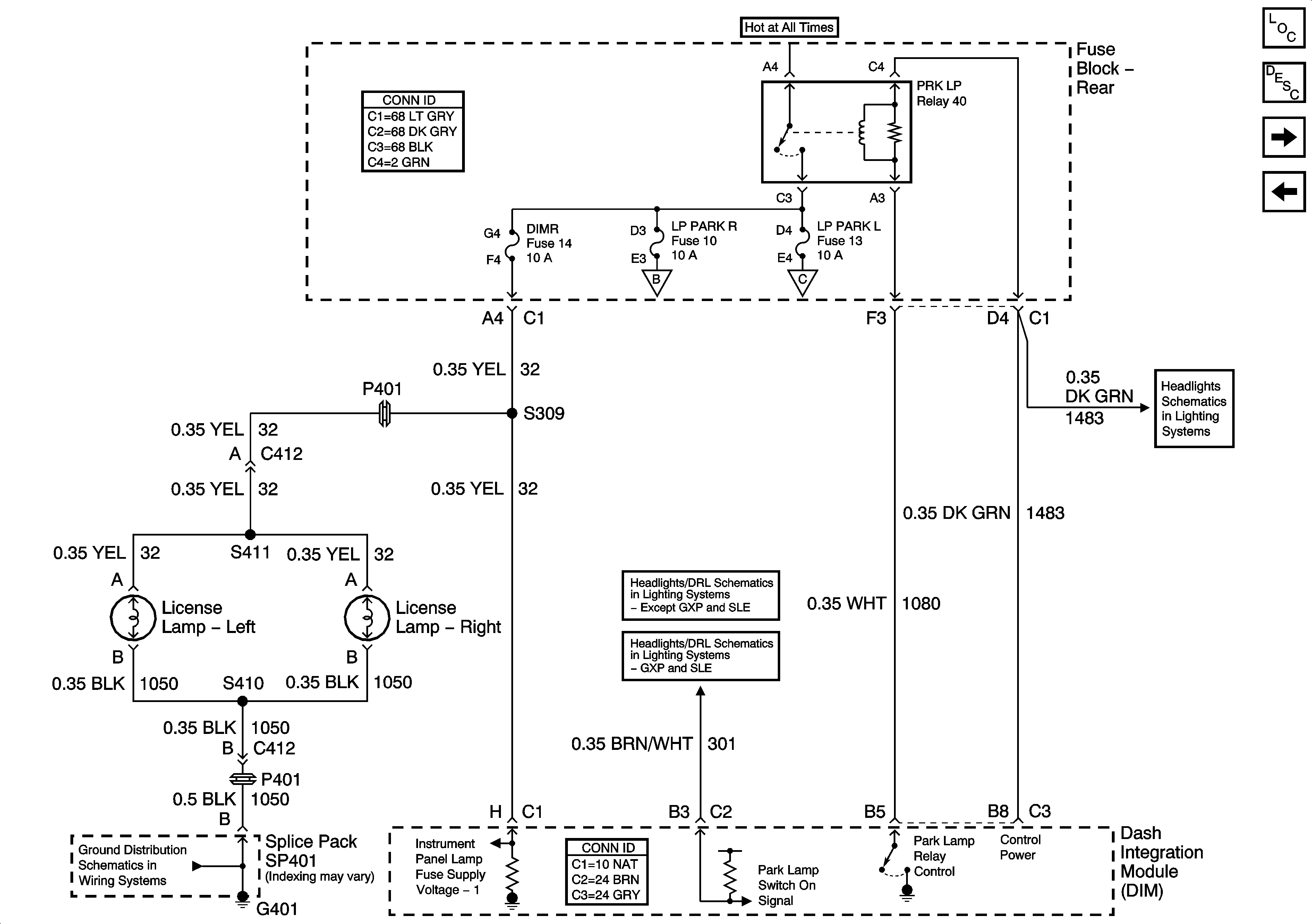
🢒 Park LP Relay and License Lamps
Park LP Relay and License Lamps
Park LP Relay and License Lamps
Master Electrical Component List
Exterior Lighting Systems Description and Operation
Backup Lamps
Right Park and Side Marker Lamps
Right Park and Side Marker Lamps
Left Park and Side Marker Lamps
DRL Controls and Low Beam Headlamps
G401 - 2 of 2