GM Service Manual Online
For 1990-2009 cars only
Makes
🢒
Pontiac
🢒
2005
🢒
Wave
🢒 Vehicle Theft Deterrent (VTD) System
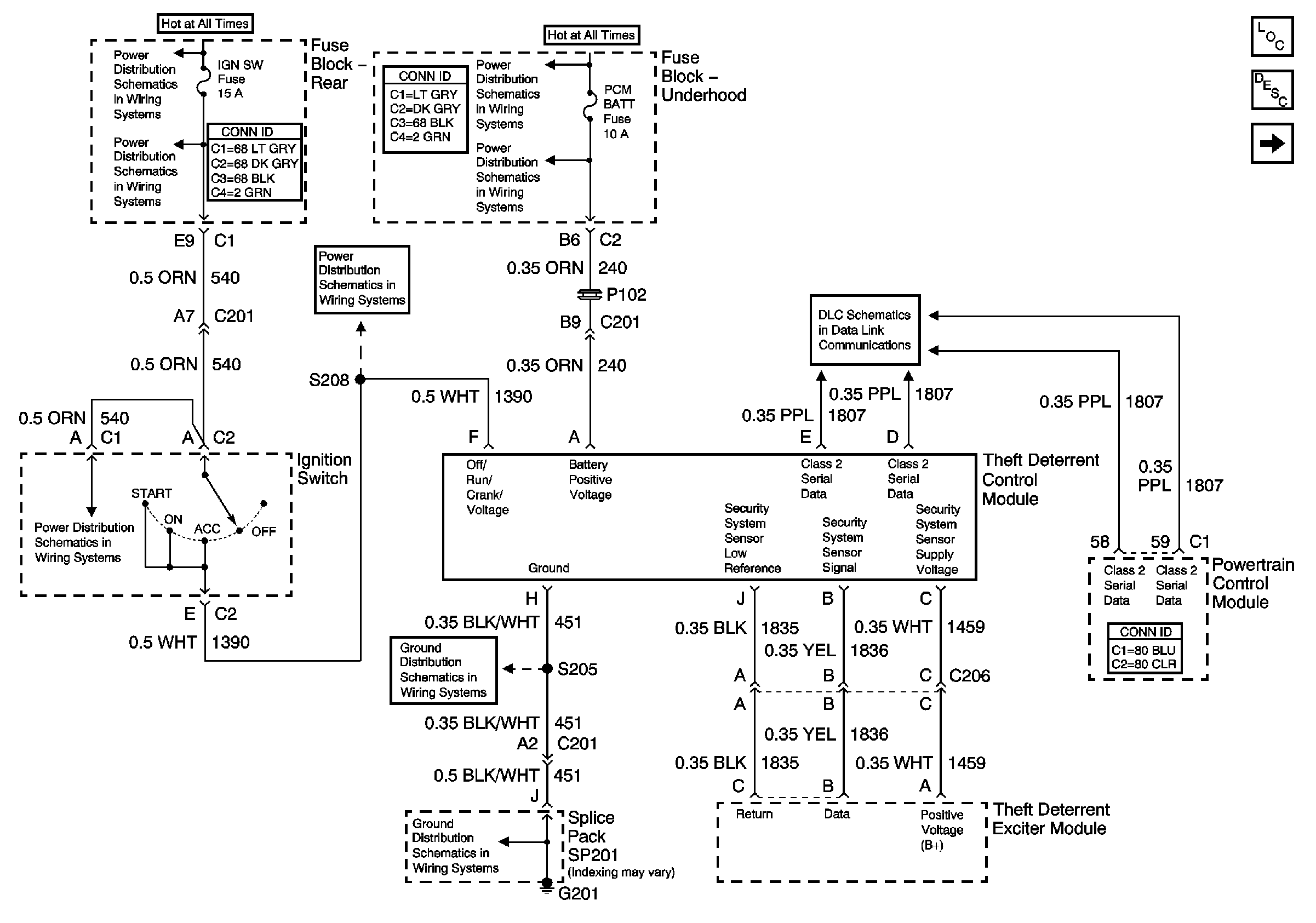
Vehicle Theft Deterrent (VTD) System
Vehicle Theft Deterrent (VTD) System
Battery Voltage to the Rear Fuse Block
IGN SW, PRK/REV Fuses and the PARK and REVERSE Relays (Fuse Block Rear)
Battery Feed to the Fuse Block Underhood
ABS, PCM BATT Fuses and the Cool Fan 1 Relay (Fuse Block Underhood)
Ignition Switch Positions
Ignition Switch Positions
G201 (2 of 2)
G201 (2 of 2)
Serial Data Class 2
Master Electrical Component List
Content Theft Deterrent (CTD) System