GM Service Manual Online
For 1990-2009 cars only
Makes
🢒
Pontiac
🢒
2005
🢒
Wave
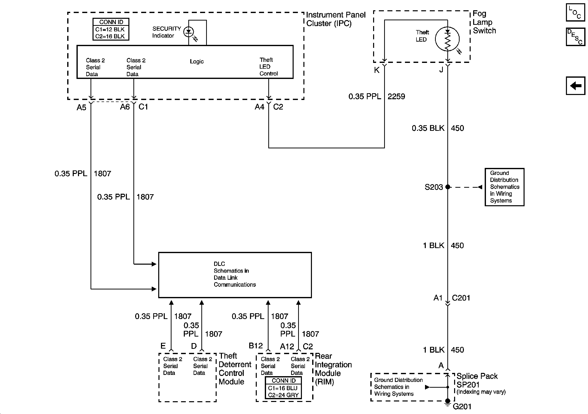
🢒 Indicators - VTD and CTD
Indicators - VTD and CTD
Indicators - VTD and CTD
Serial Data Class 2
G201 (1 of 2)
G201 (1 of 2)
Master Electrical Component List
Content Theft Deterrent (CTD) System