GM Service Manual Online
For 1990-2009 cars only
Makes
🢒
Pontiac
🢒
2007
🢒
Wave
🢒 ABS - Power, Ground and Inputs
ABS - Power, Ground and Inputs
Power, Ground and Inputs
Master Electrical Component List
ABS - Wheel Speed Sensors
Brake Warning Schematics
Power Distribution - Battery Feed
Power Distribution - Battery Feed
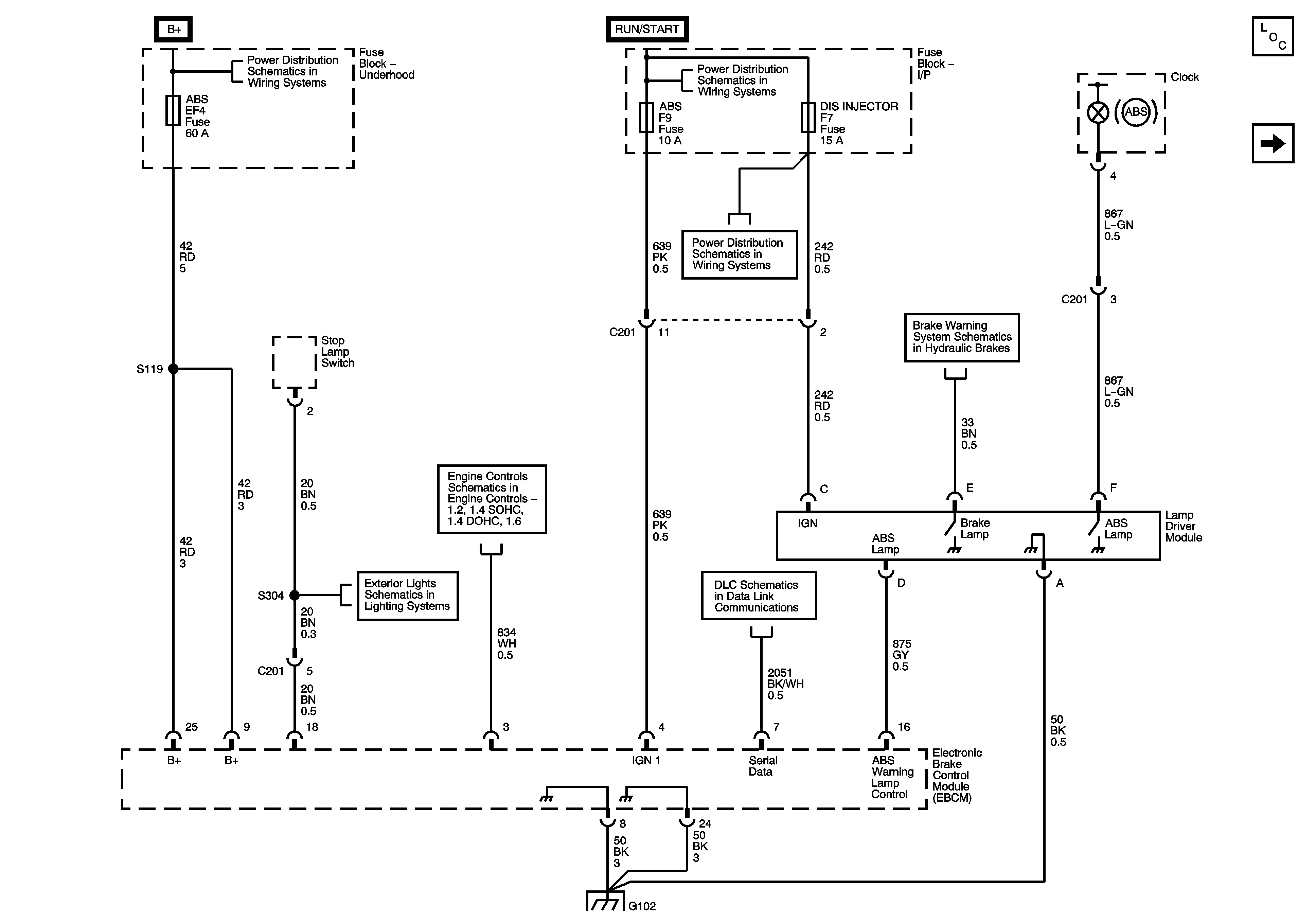
06 S Car Aveo Figure for Graphic 1680290
Ground Distribution - G102 cont.
Engine Controls Power, Ground and MIL
Exterior Lts - Park Lamps
Power Distribution - Battery Feed