GM Service Manual Online
For 1990-2009 cars only
Makes
🢒
Pontiac
🢒
2007
🢒
Wave
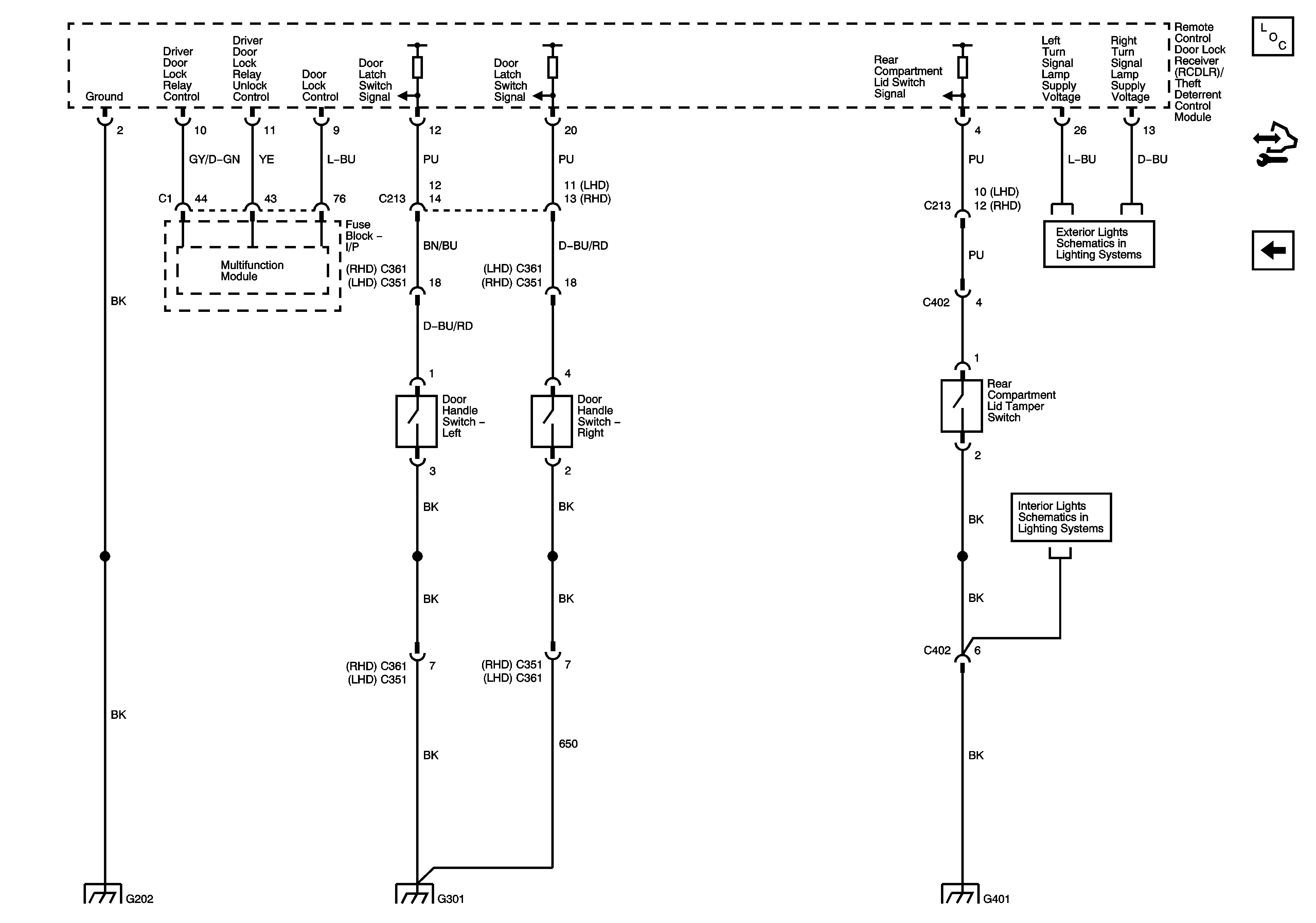
🢒 Remote Control Door Lock Receiver Door Lock Control and Tamper Switches
Remote Control Door Lock Receiver Door Lock Control and Tamper Switches
Remote Control Door Lock Receiver Ground, Door Lock Control and Tamper Switches
Master Electrical Component List (Notchback)
Control Module References
Remote Control Door Lock Receiver Power and Inputs
Park and Turn Indicator Lamps
G401, G402
G201 - 3 of 3, G202
G203
G401, G402