GM Service Manual Online
For 1990-2009 cars only
Makes
🢒
Pontiac
🢒
2007
🢒
Wave
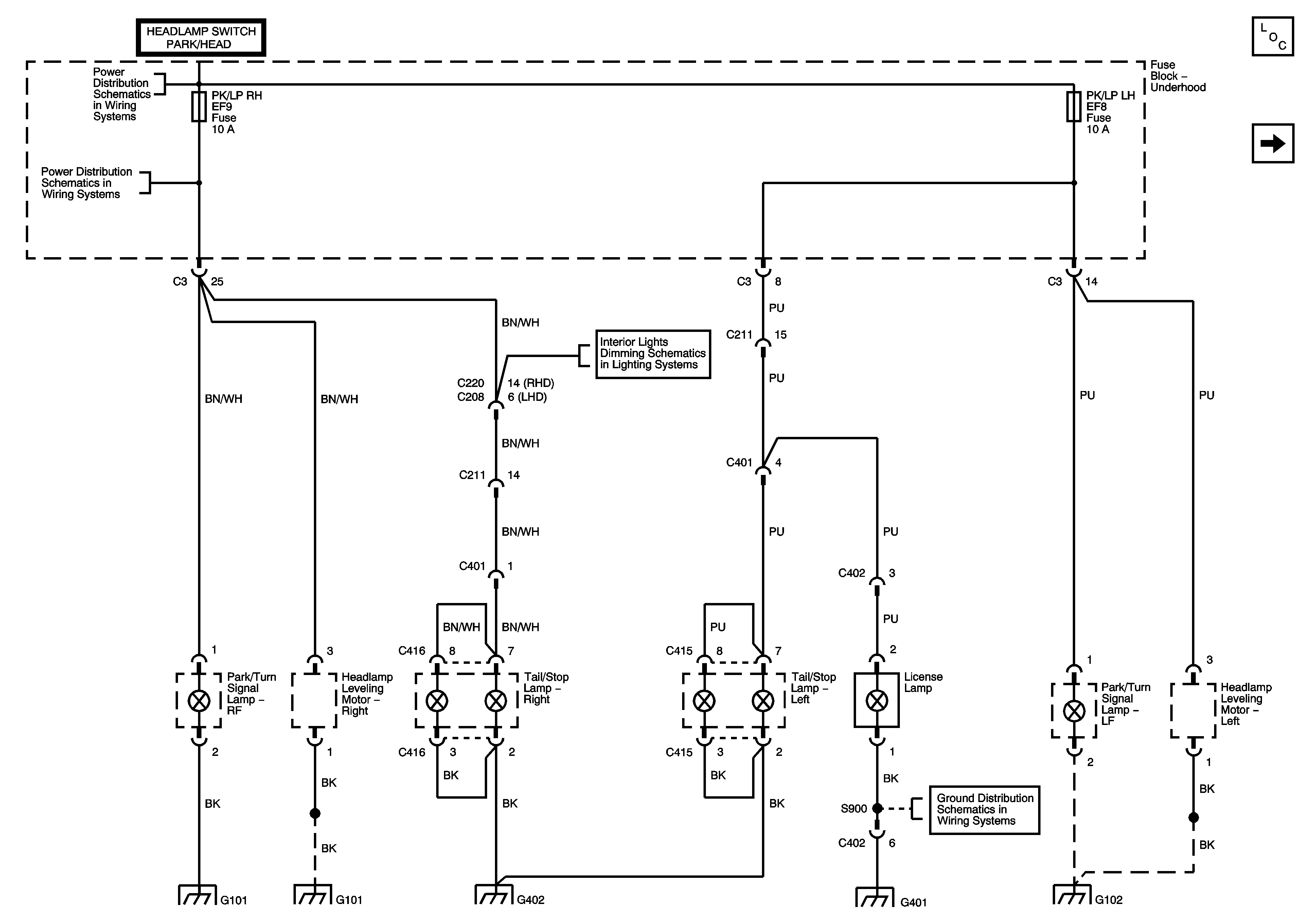
🢒 Park and Turn Indicator Lamps
Park and Turn Indicator Lamps
Park and Turn Indicator Lamps
Master Electrical Component List Notchback
Tail Lamp Assembly and Stop Lamp Switch
PK/LP Relay and Fuses
Interior Lights Dimming Schematics (1 of 2)
G401, G402
G101, G103, G104
G101, G103, G104
G401, G402
G401, G402
G102